GM Service Manual Online
For 1990-2009 cars only
Makes
🢒
Cadillac
🢒
2004
🢒
SRX
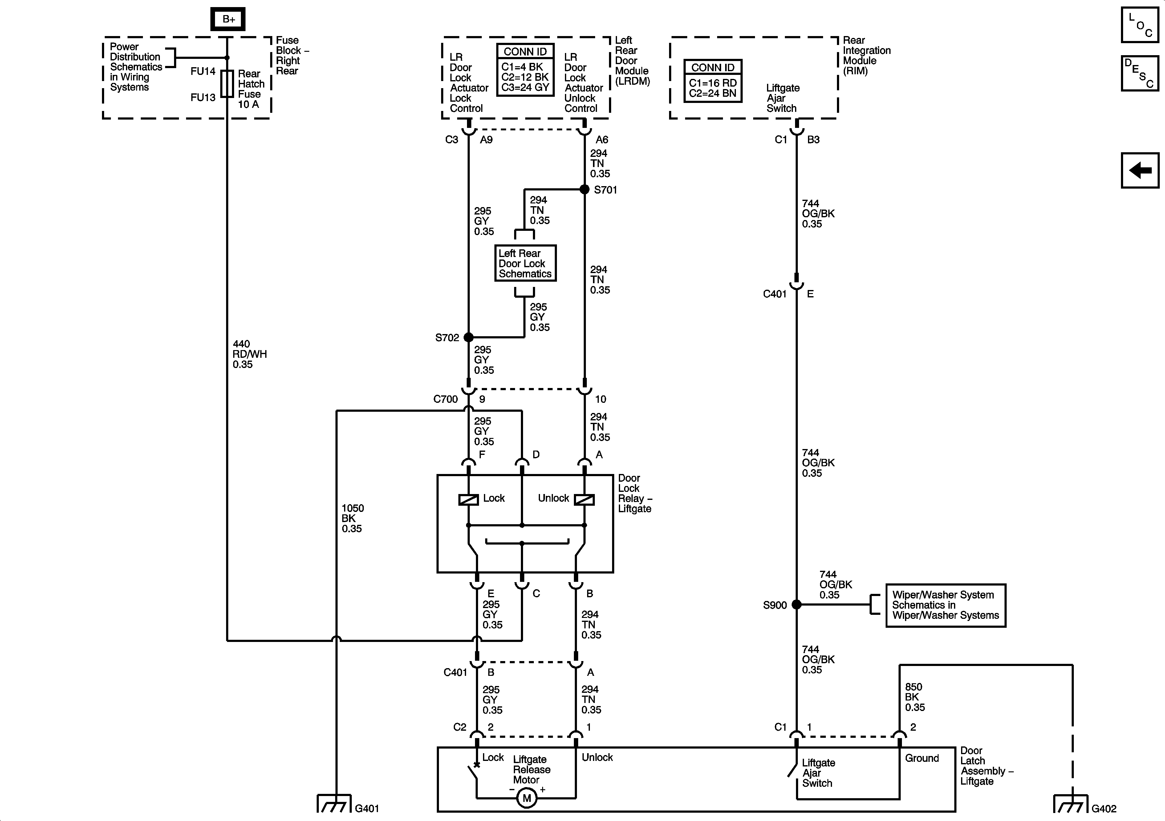
🢒 Liftgate Door Lock
Liftgate Door Lock
Liftgate Door Lock
Master Electrical Component List
Power Door Locks Description and Operation
Left Rear and Right Rear Door Lock
Fuse Block - Right Rear B+ Bus
Left Rear and Right Rear Door Lock
Rear Wiper/Washer
G401 - 2 of 2
G402 - 1 of 2