GM Service Manual Online
For 1990-2009 cars only

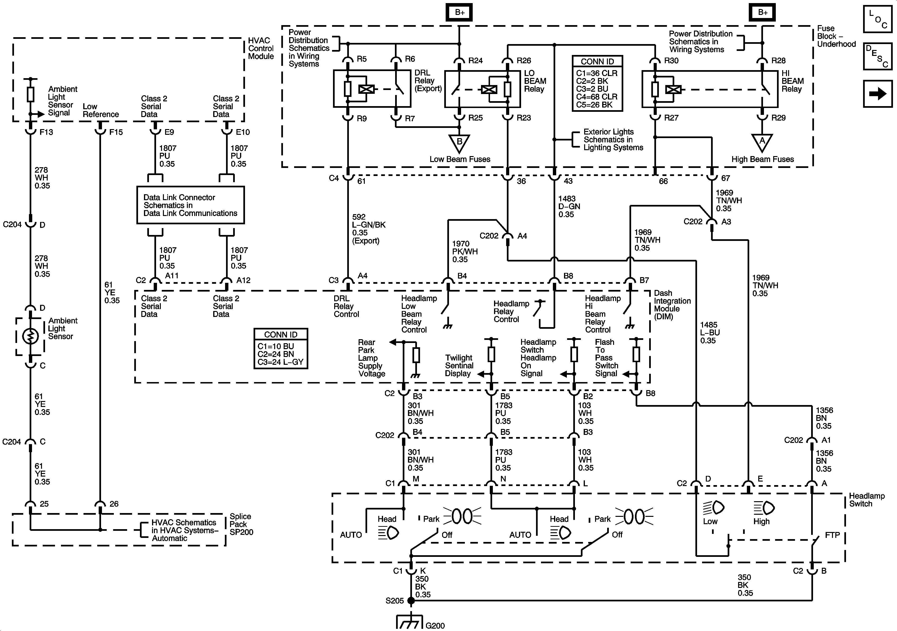
Headlamp Controls

Headlamp Controls


Object Number: 1300238  Size: FS
Master Electrical Component List
Exterior Lighting Systems Description and Operation
Headlamps - Domestic
I/P OUTLET, LT HI BEAM, LT LOW BEAM, OUTLET, RT HI BEAM, and RT LOW BEAM Fuses
I/P OUTLET, LT HI BEAM, LT LOW BEAM, OUTLET, RT HI BEAM, and RT LOW BEAM Fuses
Headlamps - Domestic
Headlamps - Domestic
Class 2 Serial Data - 1 of 2
Air Delivery and Temperature Controls
G200