GM Service Manual Online
For 1990-2009 cars only
Makes
🢒
Cadillac
🢒
2004
🢒
SRX
🢒 Sunroof and Front Sunshade
Sunroof and Front Sunshade
Sunroof and Front Sunshade
Master Electrical Component List
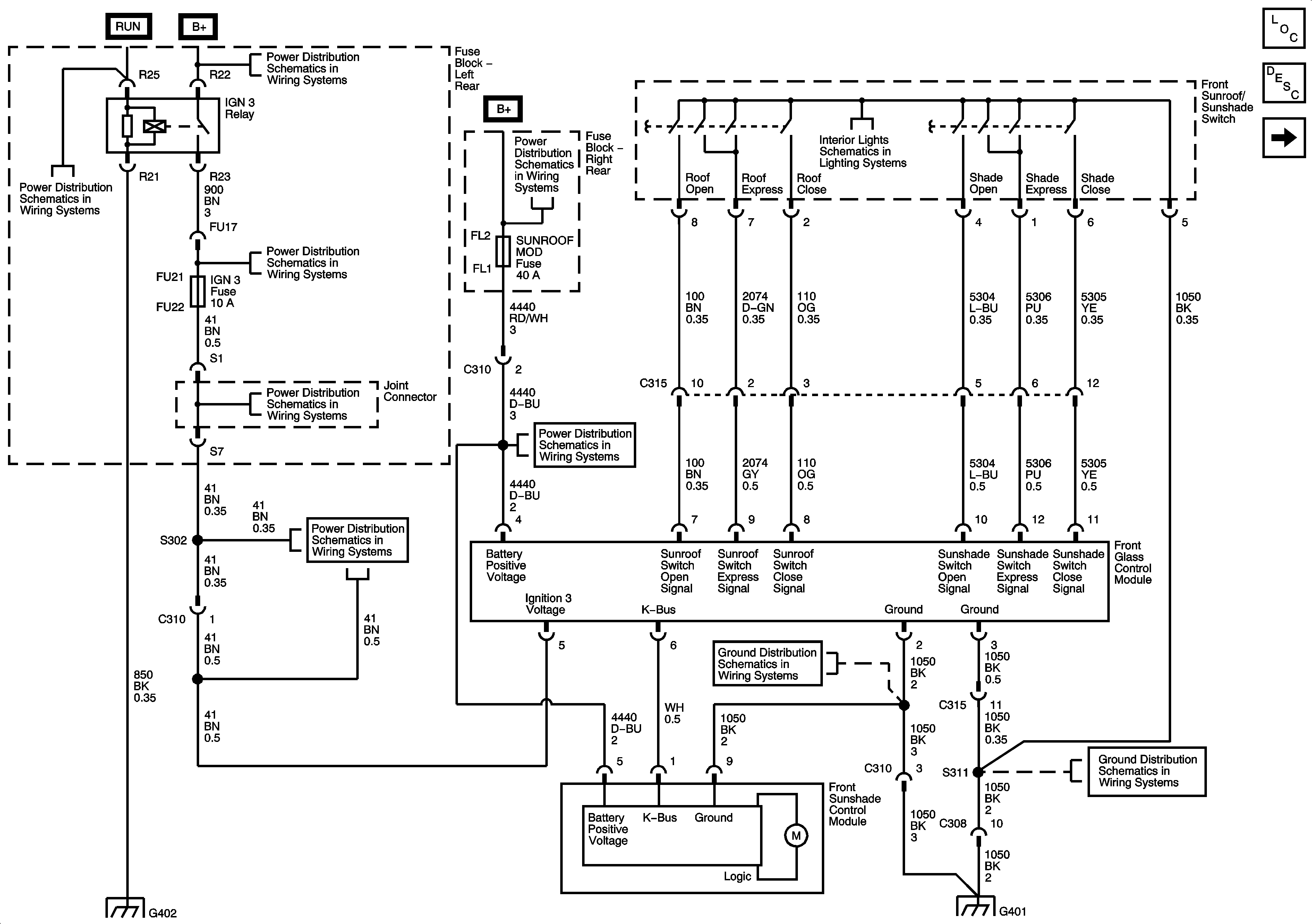
Sunroof Description and Operation
Rear Sunshade
IGN SW Fuse and Ignition Switch - 1 of 2
Fuse Block - Left Rear B+ Bus
AIRBAG, CCP (RUN), EBCM (RUN), HDLP LEVELING, IGN 1, AND IGN 3 Fuses
AIRBAG, CCP (RUN), EBCM (RUN), HDLP LEVELING, IGN 1, AND IGN 3 Fuses
Dimming Lamps - 1 of 2
G402 - 1 of 2
Rear Sunshade
Rear Sunshade
Rear Sunshade
G401 - 1 of 2
G401 - 1 of 2
04 E-suv Mega Sunroof 2 of 2 Schematic