GM Service Manual Online
For 1990-2009 cars only
Makes
🢒
Cadillac
🢒
2004
🢒
SRX
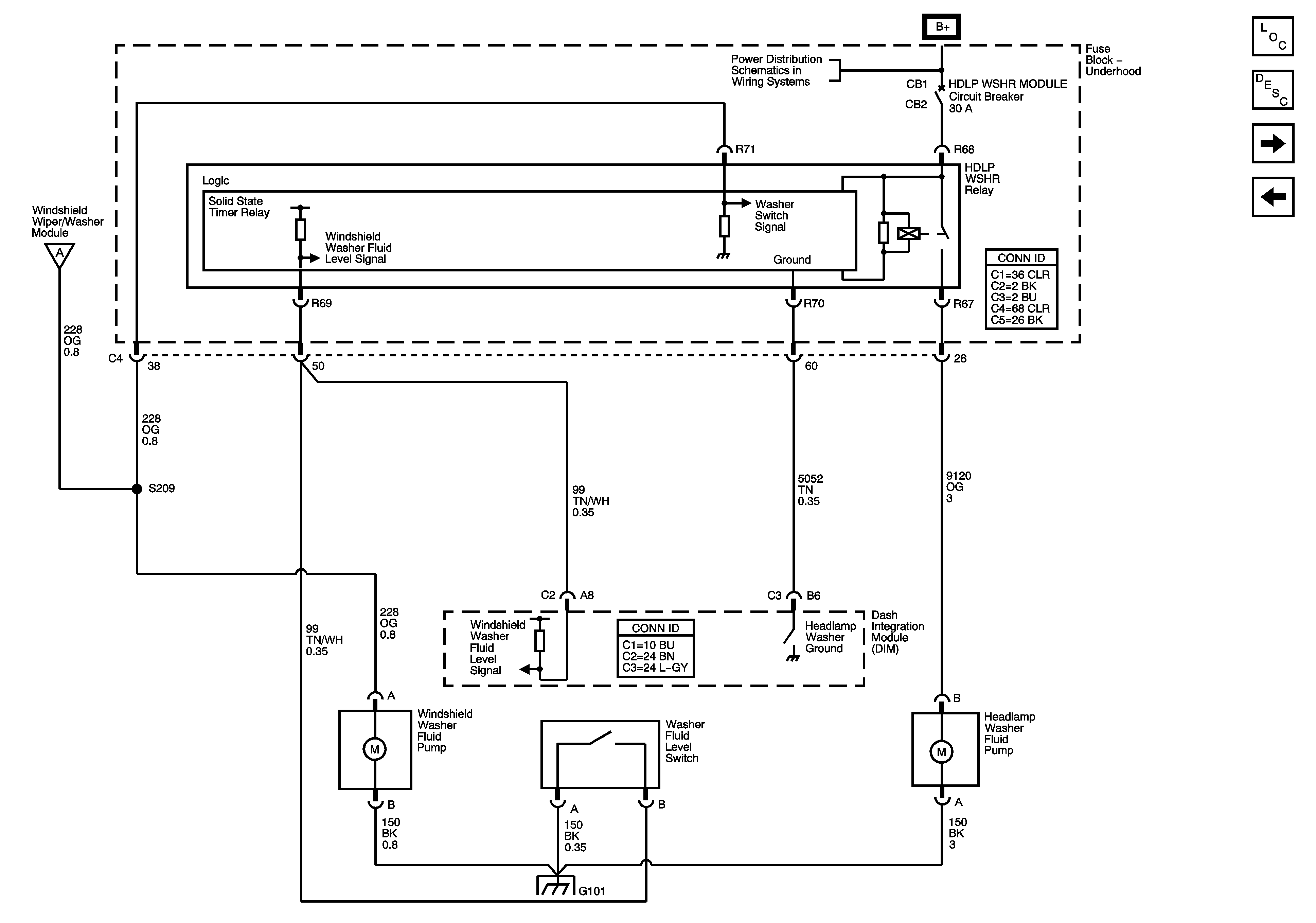
🢒 Front Washer (CE4)
Front Washer (CE4)
Front Washer (CE4)
Master Electrical Component List
Headlamp Washer System Description and Operation
Front Washer (w/o CE4)
Front Wiper/Washer Controls
Fuse Block - Underhood B+ Bus Schematic
Front Wiper/Washer Controls
G101