GM Service Manual Online
For 1990-2009 cars only
Makes
🢒
Cadillac
🢒
2004
🢒
SRX
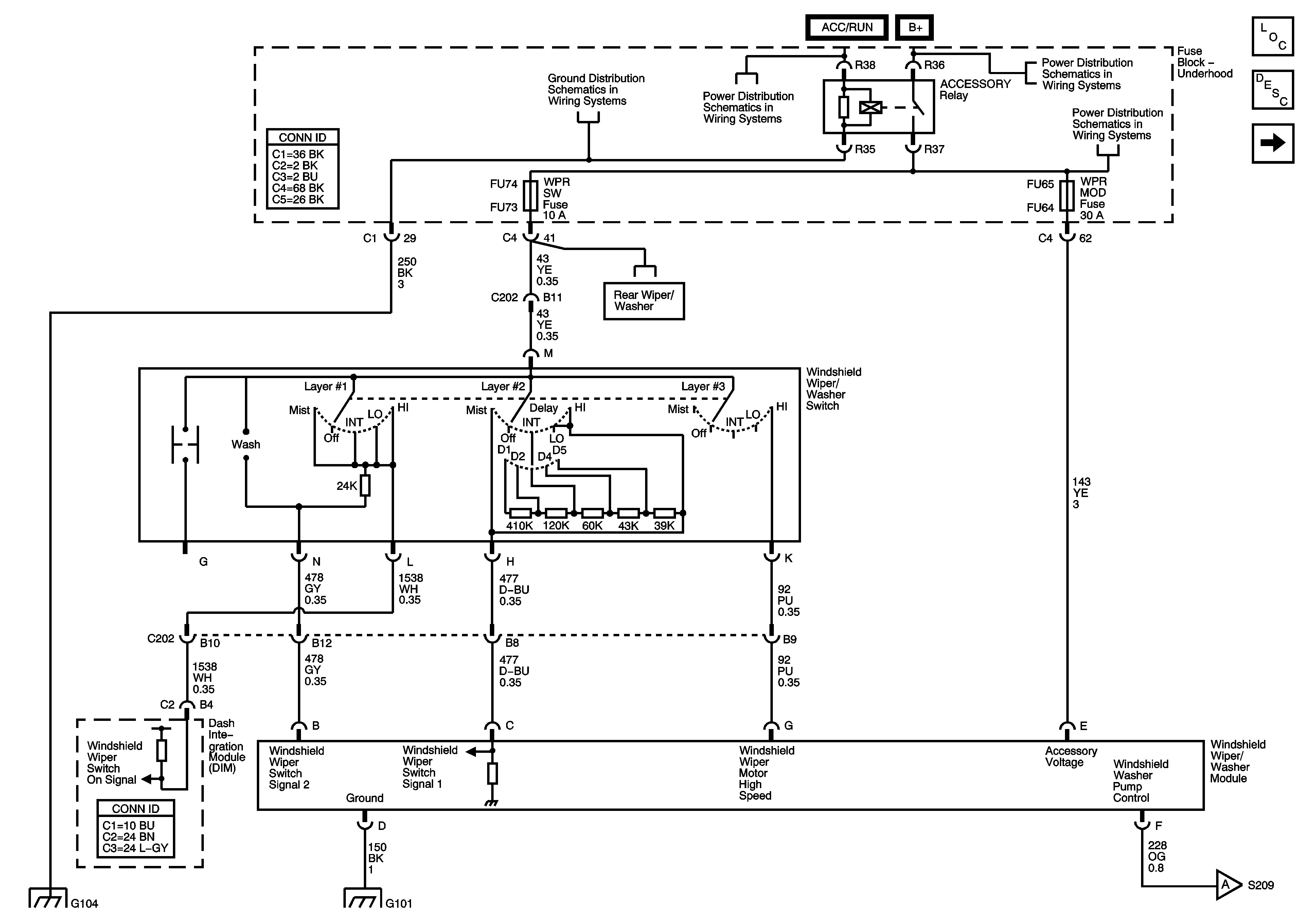
🢒 Front Wiper/Washer Controls
Front Wiper/Washer Controls
Front Wiper/Washer Controls
Master Electrical Component List
Wiper/Washer System Description and Operation
Front Washer (CE4)
G104
RIM and THEFT Fuses and Ignition Switch - 2 of 2
Fuse Block - Underhood B+ Bus Schematic
Fuse Block - Underhood B+ Bus Schematic
CCP (B+), DIM/ALDL, EBCM (B+), ECM/TCM, FLASHER, and VOLT CHECK Fuses
G104
G101
Front Washer (CE4)