GM Service Manual Online
For 1990-2009 cars only
Makes
🢒
Cadillac
🢒
2005
🢒
SRX
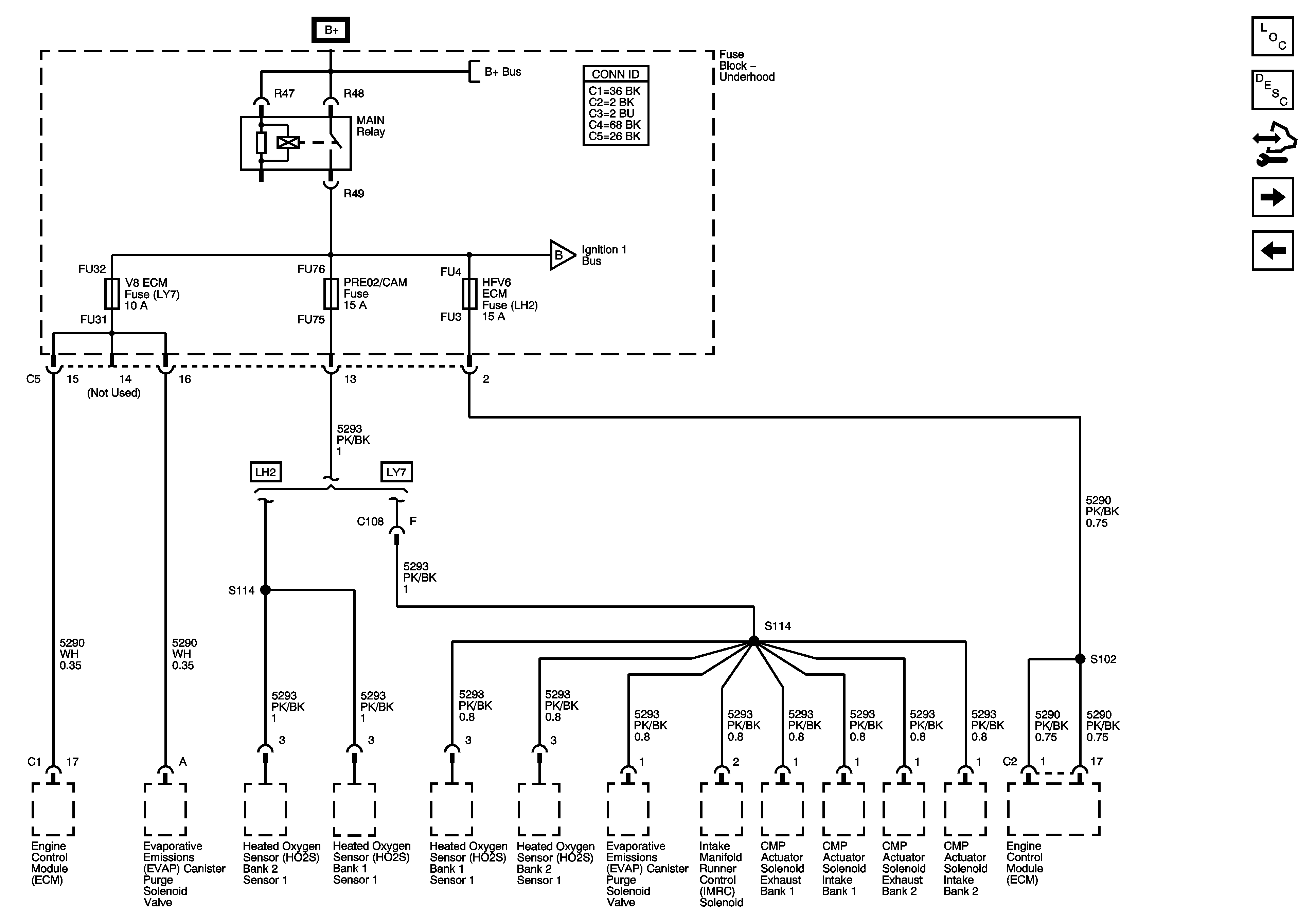
🢒 HFVG, PRE 02/CAM, and V8 ECM Fuses
HFVG, PRE 02/CAM, and V8 ECM Fuses
HFVG, PRE 02/CAM, and V8 ECM Fuses
Master Electrical Component List
Control Module References
EVEN COILS, ODD COILS, and POST 02 FUSES
LIC/DIMMING, LT PARK, and RT PARK Fuses
Fuse Block - Underhood B+ Bus Schematic
EVEN COILS, ODD COILS, and POST 02 FUSES