GM Service Manual Online
For 1990-2009 cars only
Makes
🢒
Cadillac
🢒
2005
🢒
SRX
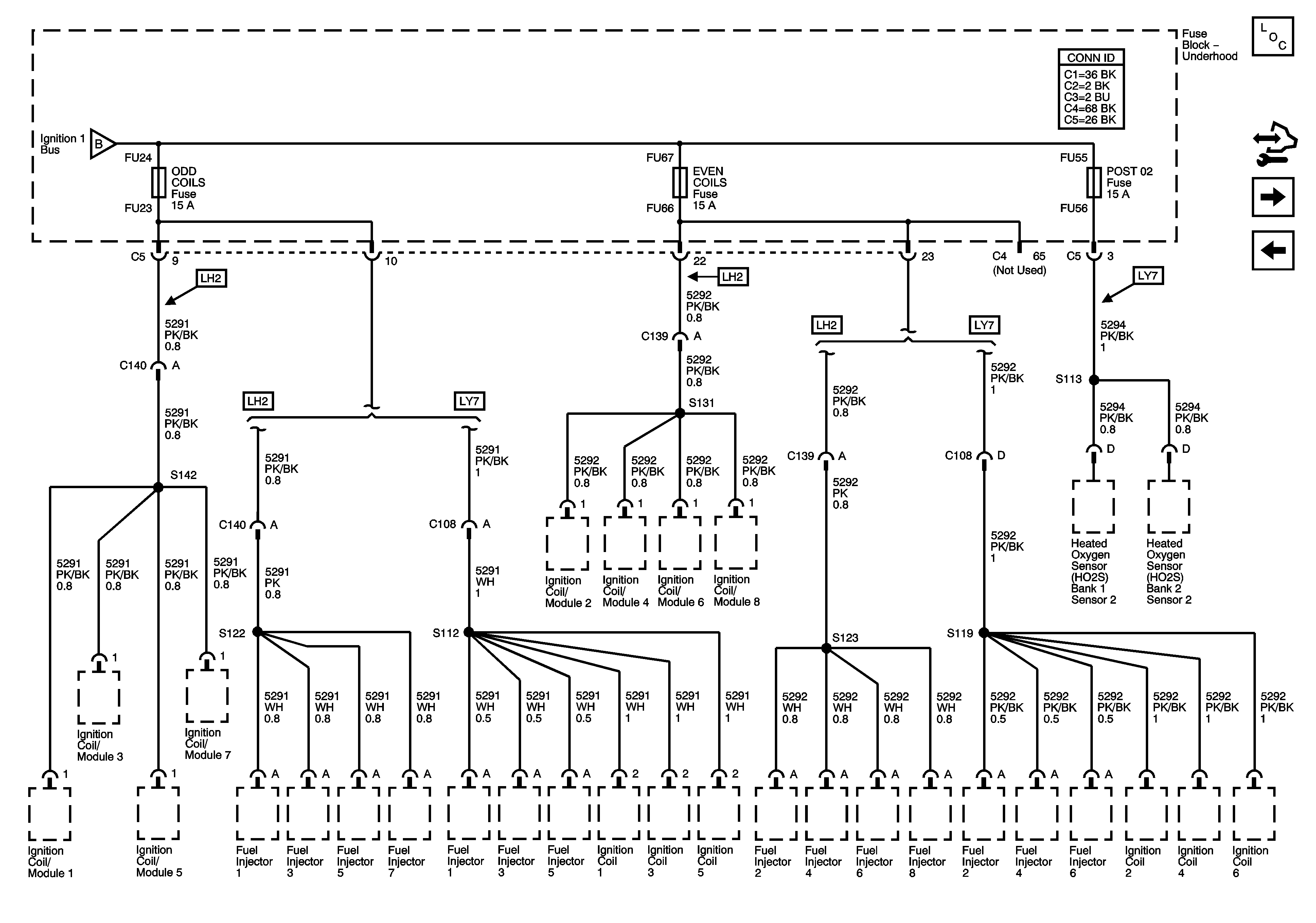
🢒 EVEN COILS, ODD COILS, and POST 02 FUSES
EVEN COILS, ODD COILS, and POST 02 FUSES
EVEN COILS, ODD COILS, and POST 02 Fuses
Master Electrical Component List
Control Module References
AIR BAG, CCP (RUN), EBCM (RUN), HDLP LEVELING, IGN 1, and IGN 3 Fuses
HFVG, PRE 02/CAM, and V8 ECM Fuses
HFVG, PRE 02/CAM, and V8 ECM Fuses