GM Service Manual Online
For 1990-2009 cars only
Makes
🢒
Cadillac
🢒
2005
🢒
SRX
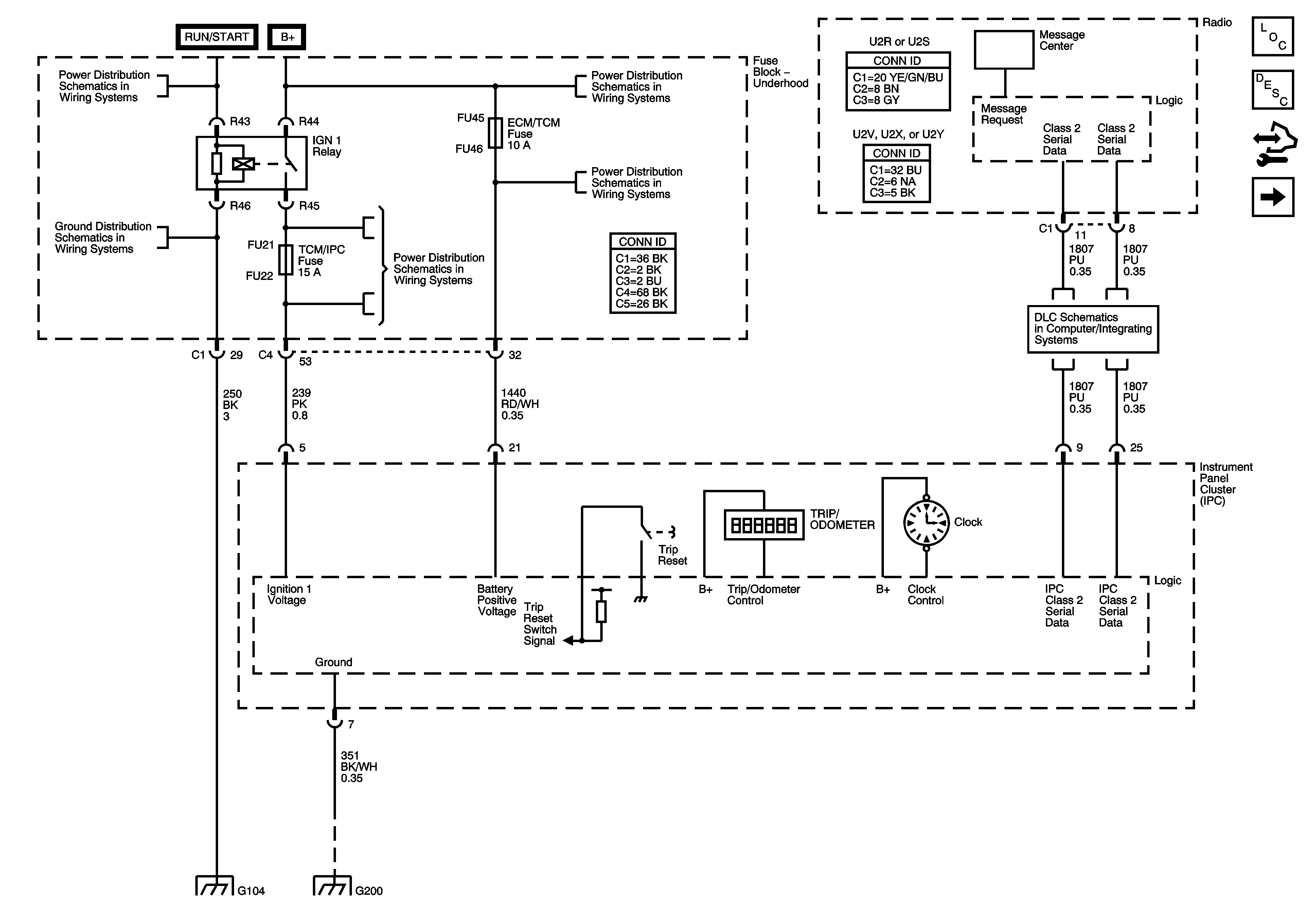
🢒 Power, Ground, Serial Data, Odometer and Clock
Power, Ground, Serial Data, Odometer and Clock
Power, Ground, Serial Data, Odometer, and Clock
Master Electrical Component List
Instrument Cluster Description and Operation
Control Module References
Indicators
RIM and THEFT Fuses and Ignition Switch - 2 of 2
Fuse Block - Underhood B+ Bus Schematic
CCP (B+), DIM/ALDL, EBCM (B+), ECM/TCM, Flasher, and VOLT CHECK Fuses
G104
ABS, STARTER RLY, STRG CTLS, TCM/IPC, and WASH NOZ Fuses
Class 2 Serial Data - 1 of 2
G104
G200