GM Service Manual Online
For 1990-2009 cars only
Makes
🢒
Cadillac
🢒
2005
🢒
SRX
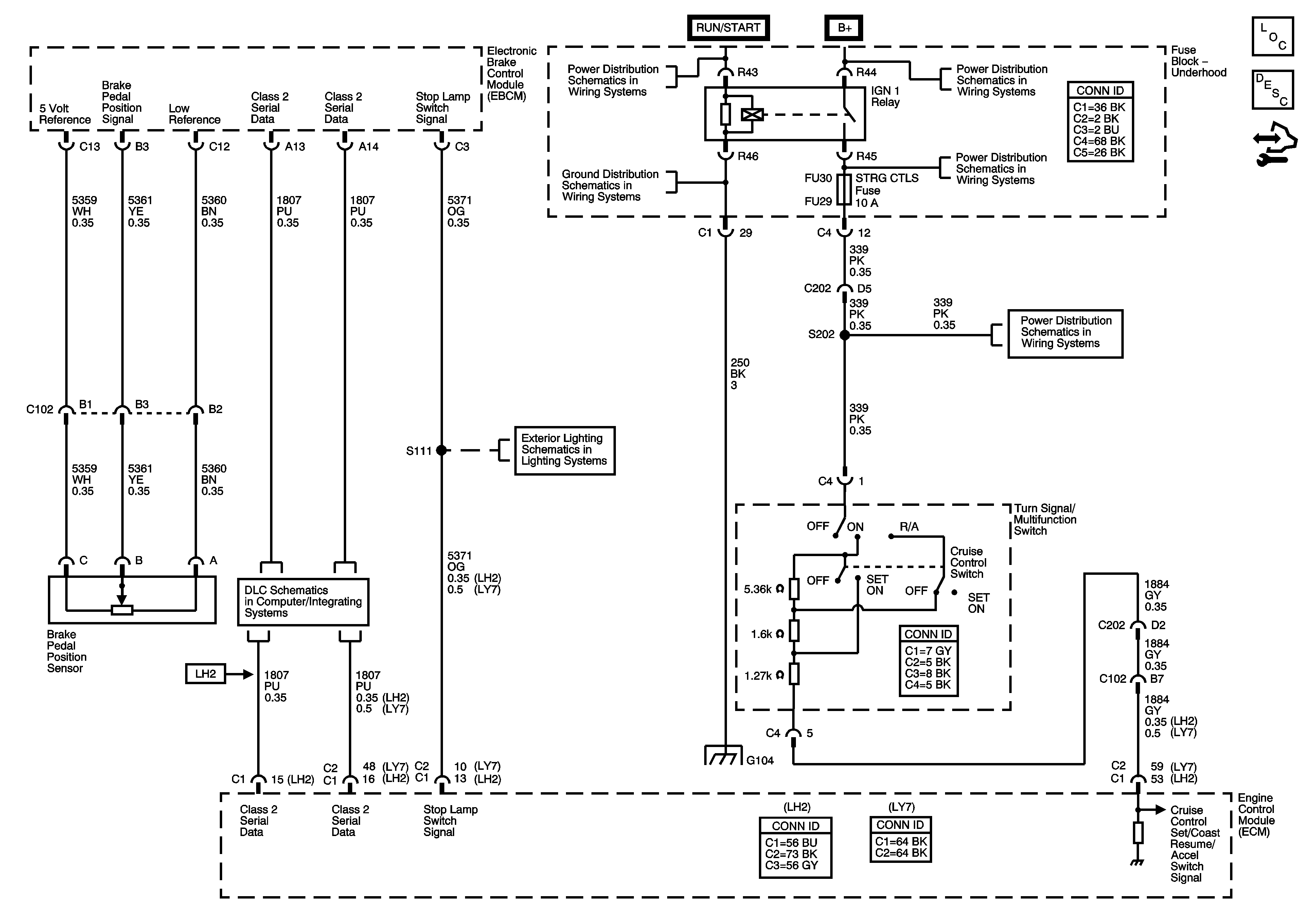
🢒 Cruise Control Schematic
Cruise Control Schematic
Master Electrical Component List
Cruise Control Description and Operation
Control Module References
RIM and THEFT Fuses and Ignition Switch - 2 of 2
Fuse Block - Underhood B+ Bus Schematic
G104
ABS, STARTER RLY, STRG CTLS, TCM/IPC, and WASH NOZ Fuses
ABS, STARTER RLY, STRG CTLS, TCM/IPC, and WASH NOZ Fuses
Tail Lamps and Stop Lamps - Domestic
Class 2 Serial Data - 1 of 2
G104