GM Service Manual Online
For 1990-2009 cars only
Makes
🢒
Cadillac
🢒
2005
🢒
SRX
🢒 Inside Rearview Mirror Schematic
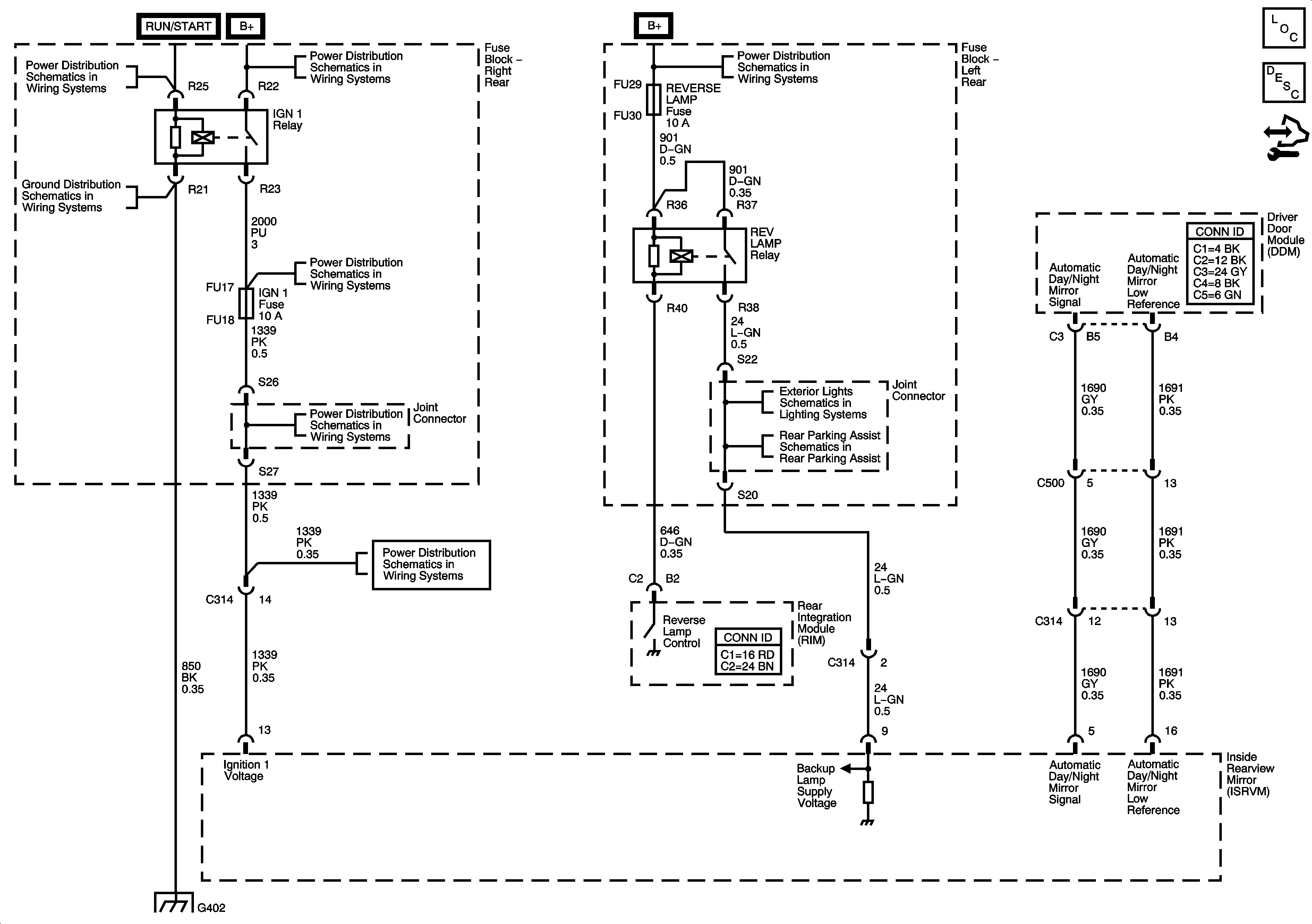
Inside Rearview Mirror Schematic
Master Electrical Component List
Automatic Day-Night Mirror Description and Operation
Control Module References
RIM and THEFT Fuses and Ignition Switch - 2 of 2
Fuse Block - Right Rear B+ Bus
Fuse Block - Left Rear B+ Bus
G402 - 1 of 2
AIR BAG, CCP (RUN), EBCM (RUN), HDLP LEVELING, IGN 1, and IGN 3 Fuses
AIR BAG, CCP (RUN), EBCM (RUN), HDLP LEVELING, IGN 1, and IGN 3 Fuses
Backup Lamps
AIR BAG, CCP (RUN), EBCM (RUN), HDLP LEVELING, IGN 1, and IGN 3 Fuses
G402 - 1 of 2