GM Service Manual Online
For 1990-2009 cars only
Makes
🢒
Cadillac
🢒
2005
🢒
SRX
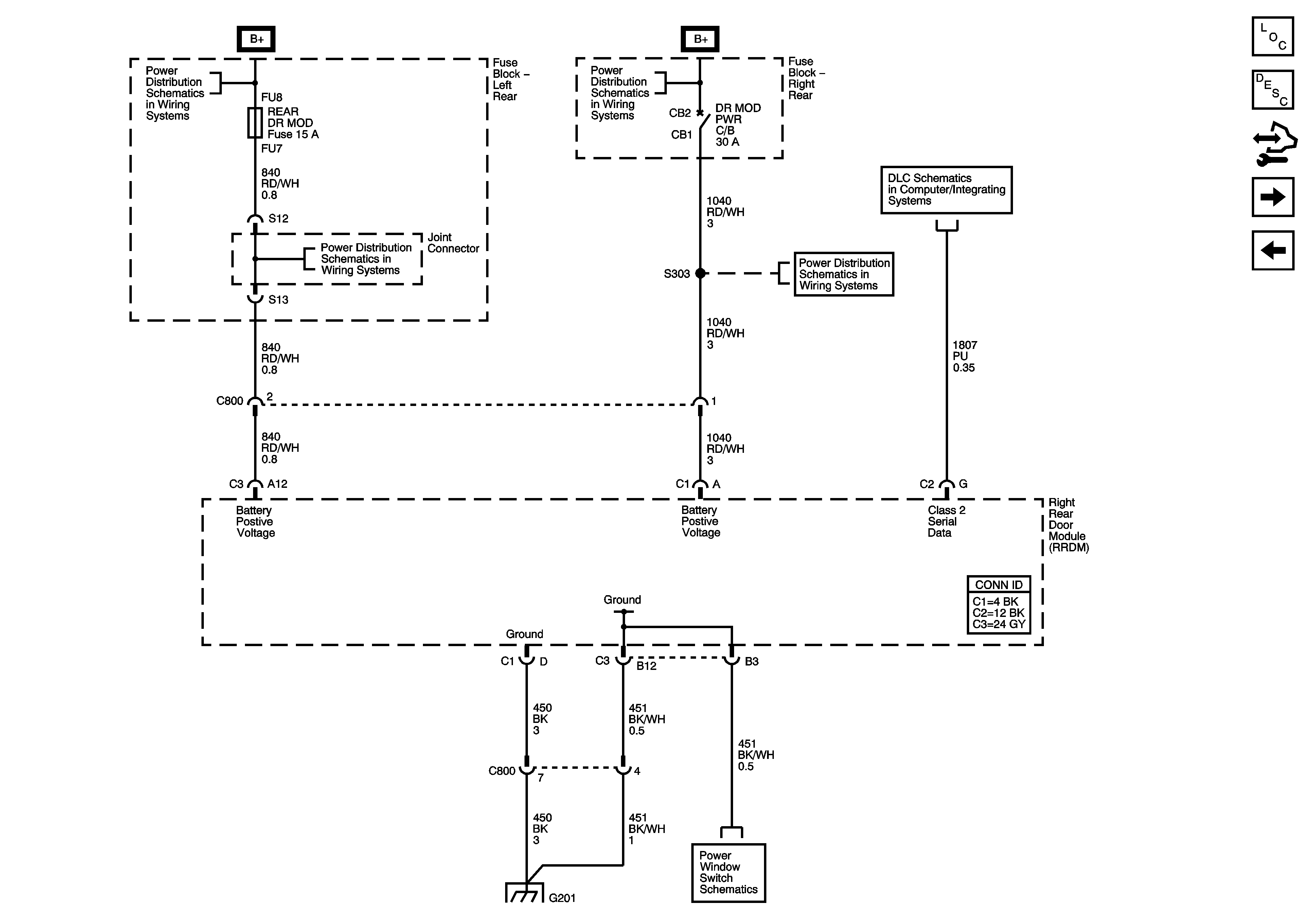
🢒 RRDM Power, Ground and Serial Data
RRDM Power, Ground and Serial Data
RRDM Power, Ground and Serial Data
Master Electrical Component List
Power Windows Description and Operation
Control Module References
RRDM Signals/Controls
LRDM Signals/Controls
Fuse Block - Left Rear B+ Bus
Fuse Block - Right Rear B+ Bus
Class 2 Serial Data - 2 of 2
AMP, AUDIO, DRIVER DR MOD, ELC COMP, L FRT HTD SEAT MOD, MEM/ADAPT SEAT, and REAR DR MOD Fuses
CANISTER VENT, DR MOD PWR, REAR HATCH, R FRT HTD SEAT MOD, and SUNROOF MOD Fuses
G201
Rear Power Windows