GM Service Manual Online
For 1990-2009 cars only
Makes
🢒
Cadillac
🢒
2005
🢒
SRX
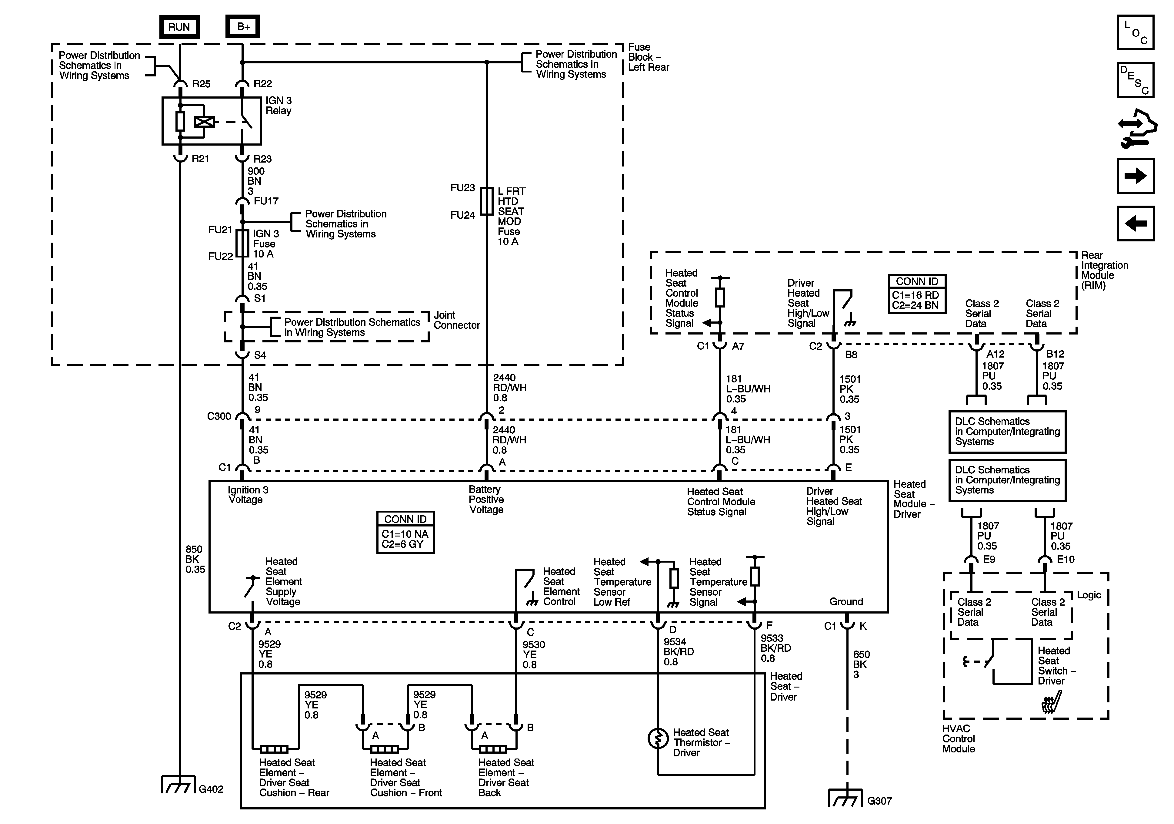
🢒 Heated Seat (KA1)
Heated Seat (KA1)
Heated Seat (KA1)
Master Electrical Component List
Heated Seats Description and Operation
Control Module References
Memory Seat Module Power, Ground and Seat Adjuster Switches (A45)
Power Seat (w/o A45)
IGN SW Fuse and Ignition Switch - 1 of 2
Fuse Block - Left Rear B+ Bus
AIR BAG, CCP (RUN), EBCM (RUN), HDLP LEVELING, IGN 1, and IGN 3 Fuses
AIR BAG, CCP (RUN), EBCM (RUN), HDLP LEVELING, IGN 1, and IGN 3 Fuses
Class 2 Serial Data - 2 of 2
Class 2 Serial Data - 1 of 2
G402 - 1 of 2
G307