GM Service Manual Online
For 1990-2009 cars only
Makes
🢒
Cadillac
🢒
2005
🢒
SRX
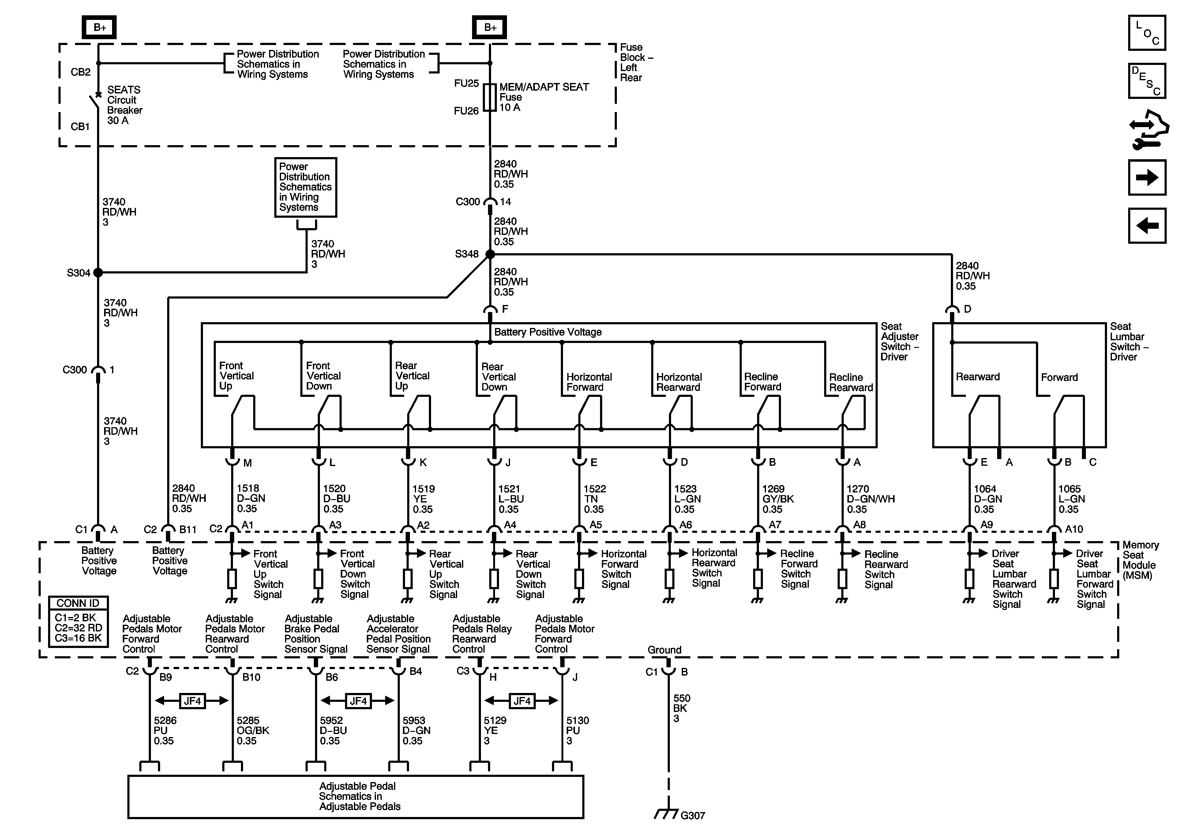
🢒 Memory Seat Module Power, Ground and Seat Adjuster Switches (A45)
Memory Seat Module Power, Ground and Seat Adjuster Switches (A45)
Memory Seat Module Power,Ground, and Seat Adjuster Switches (A45)
Master Electrical Component List
Memory Seats Description and Operation
Control Module References
Memory Seat Controls (A45)
Heated Seat (KA1)
Fuse Block - Left Rear B+ Bus
Fuse Block - Left Rear B+ Bus
FFSM, FFS SW, and THEFT Fuses and SEAT Circuit Breaker
Adjustable Pedals Schematic
G307