GM Service Manual Online
For 1990-2009 cars only
Makes
🢒
Cadillac
🢒
2005
🢒
SRX
🢒 Memory Seat Controls (A45)
Memory Seat Controls (A45)
Memory Seat Controls (A45)
Master Electrical Component List
Memory Seats Description and Operation
Control Module References
Memory Seat Position Sensors and Motors (A45)
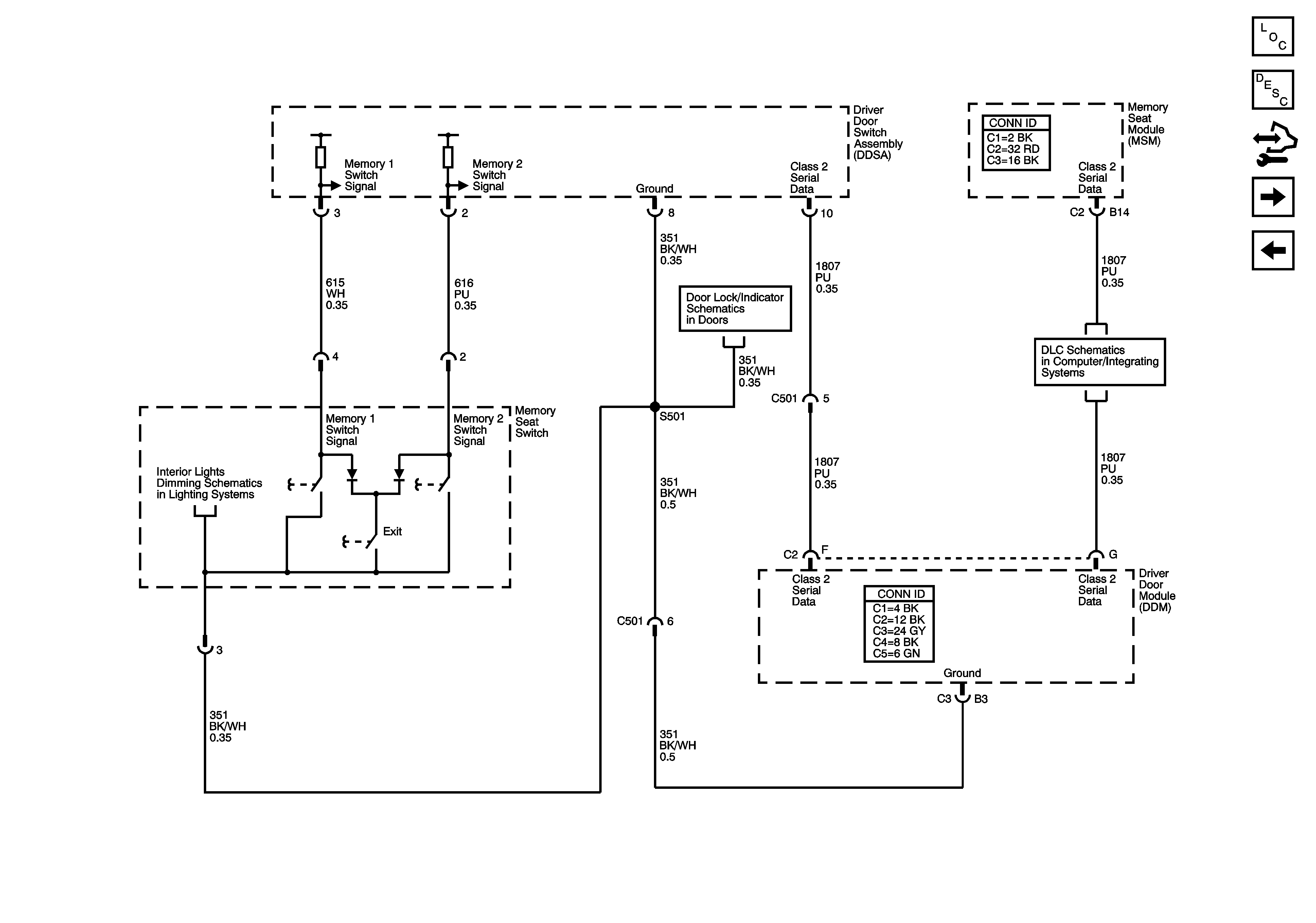
Memory Seat Module Power, Ground and Seat Adjuster Switches (A45)
Dimming Lamps - 2 of 2
Driver Door Lock
Class 2 Serial Data - 1 of 2