GM Service Manual Online
For 1990-2009 cars only
Makes
🢒
Cadillac
🢒
2005
🢒
SRX
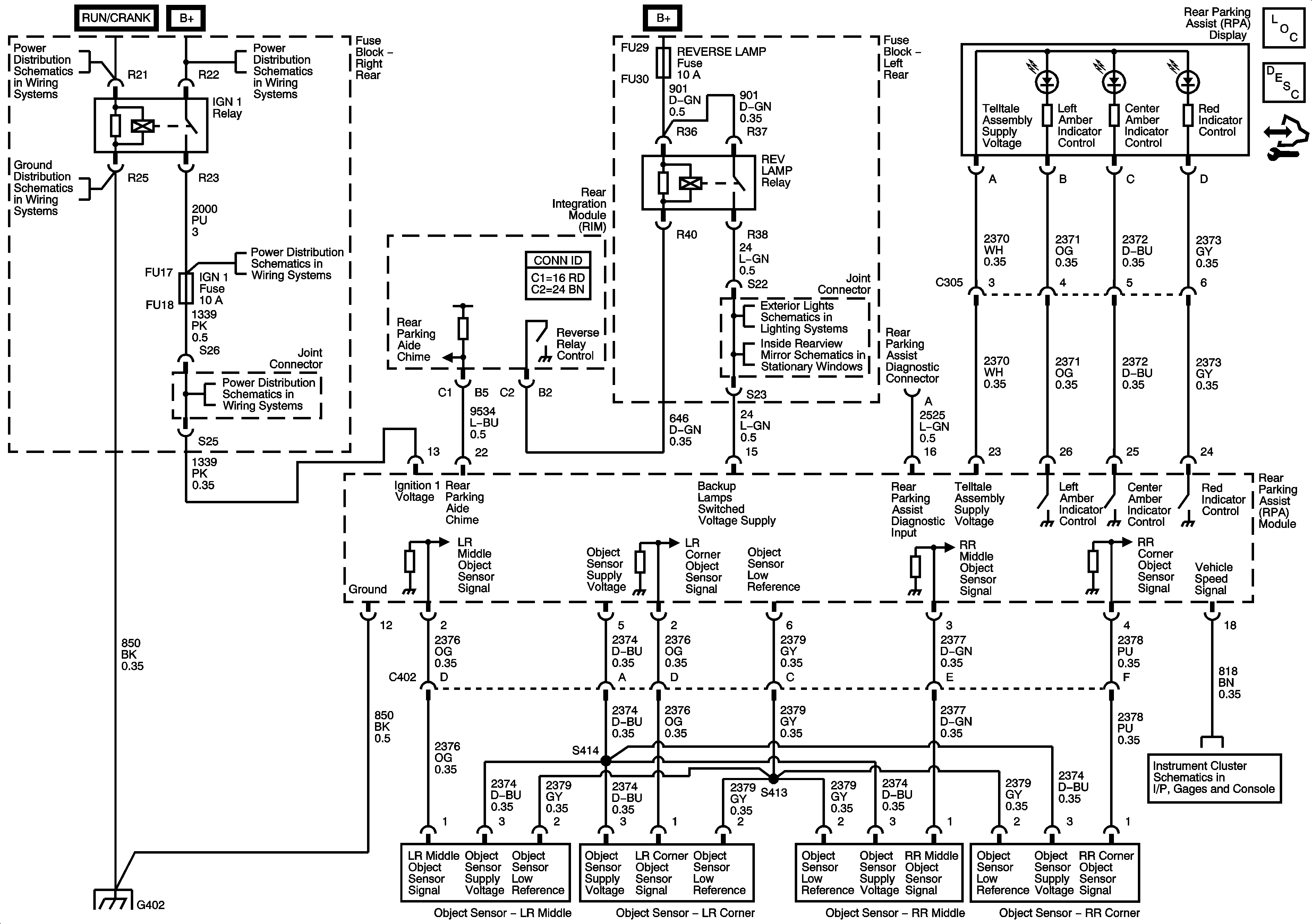
🢒 Rear Parking Assist Schematic
Rear Parking Assist Schematic
Master Electrical Component List
Object Detection Description and Operation
Control Module References
RIM and THEFT Fuses and Ignition Switch - 2 of 2
Fuse Block - Right Rear B+ Bus
G402 - 1 of 2
AIR BAG, CCP (RUN), EBCM (RUN), HDLP LEVELING, IGN 1, and IGN 3 Fuses
Backup Lamps
AIR BAG, CCP (RUN), EBCM (RUN), HDLP LEVELING, IGN 1, and IGN 3 Fuses
G402 - 1 of 2
Gages