GM Service Manual Online
For 1990-2009 cars only
Makes
🢒
Cadillac
🢒
2005
🢒
SRX
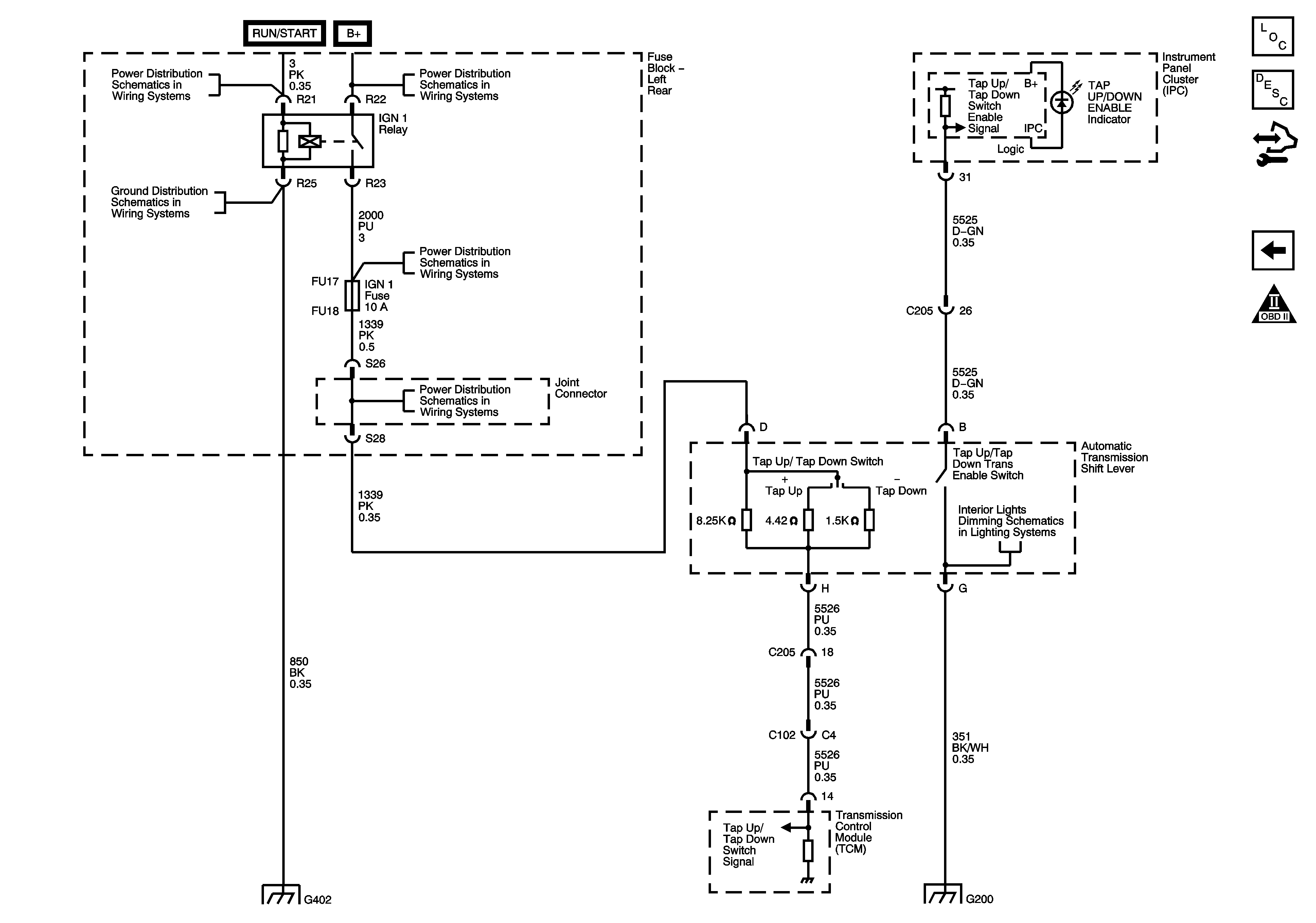
🢒 Shift Lever
Shift Lever
Shift Lever
Master Electrical Component List
Electronic Component Description
Control Module References
Sensors and Solenoids
Automatic Transmission Schematic Icons
RIM and THEFT Fuses and Ignition Switch - 2 of 2
Fuse Block - Left Rear B+ Bus
G402 - 1 of 2
AIR BAG, CCP (RUN), EBCM (RUN), HDLP LEVELING, IGN 1, and IGN 3 Fuses
AIR BAG, CCP (RUN), EBCM (RUN), HDLP LEVELING, IGN 1, and IGN 3 Fuses
Dimming Lamps - 1 of 2
G402 - 1 of 2
G200