GM Service Manual Online
For 1990-2009 cars only
Makes
🢒
Cadillac
🢒
2005
🢒
SRX
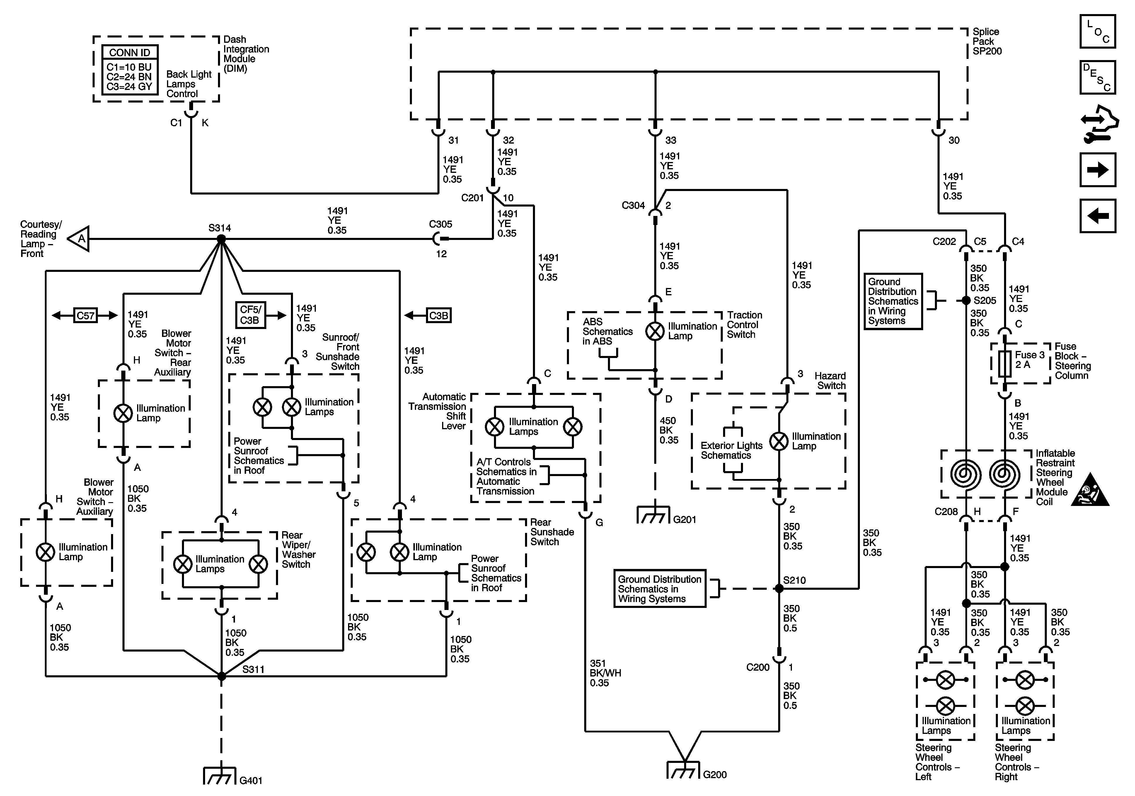
🢒 Dimming Lamps - 1 of 2
Dimming Lamps - 1 of 2
Dimming Lamps - 1 of 2
Master Electrical Component List
Interior Lighting Systems Description and Operation
Control Module References
Dimming Lamps - 2 of 2
Interior Lamps Dimming Controls
Interior Lamps Dimming Controls
Indicator,Traction Control, and Brake Pedal Position
Sunroof and Front Sunshade
Power, Ground, Serial Data and Switches
Turn Signal/Hazard Flasher Module
G200
Rear Sunshade
G200
SIR Caution for Zoning
G401 - 2 of 2
G200