GM Service Manual Online
For 1990-2009 cars only
Makes
🢒
Cadillac
🢒
2006
🢒
SRX
🢒
Vehicle Control Systems
🢒
Vehicle DTC Information
🢒 Instrument Cluster Schematics
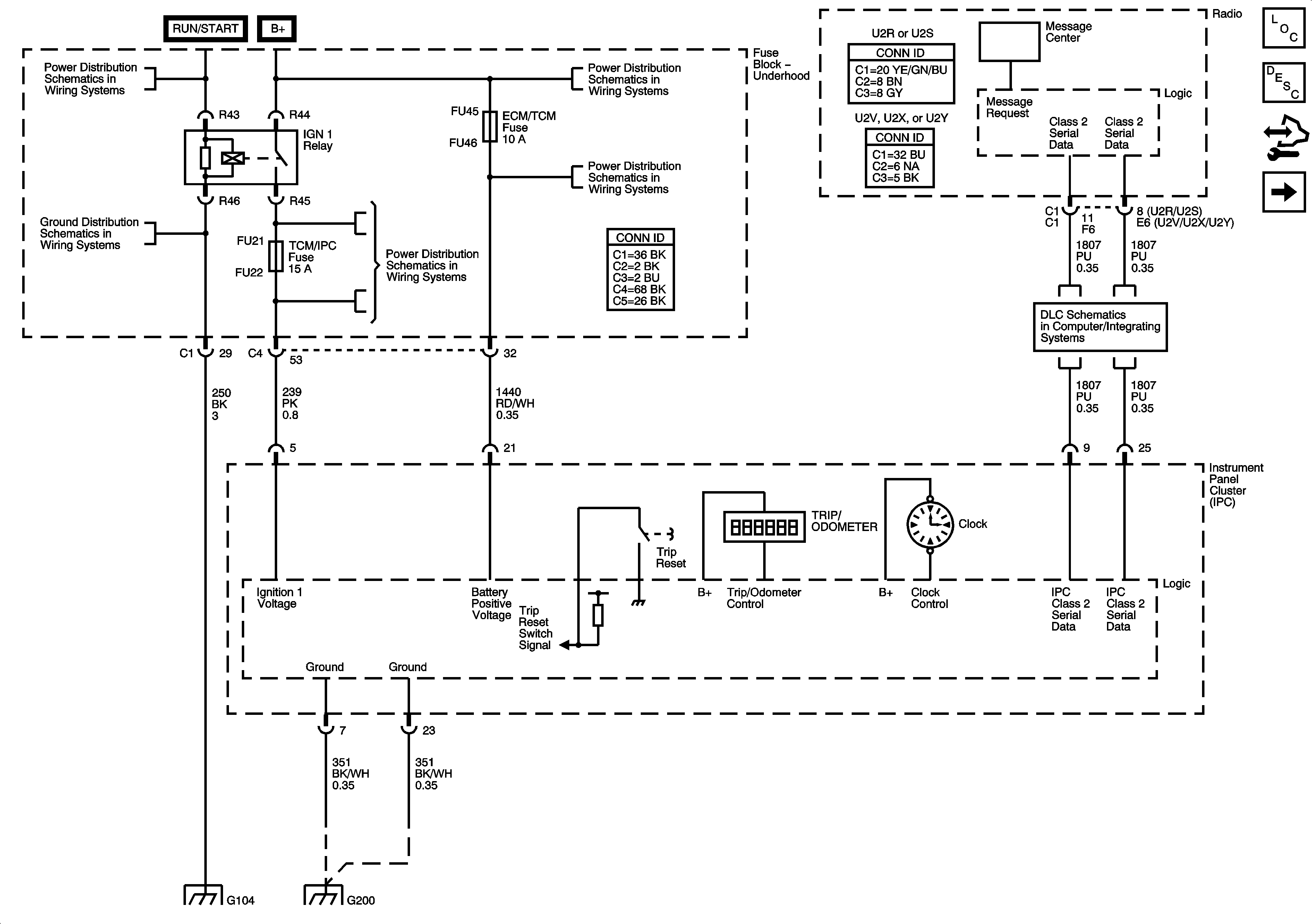
Figure
1:
Power, Ground, Serial Data, Odometer, and Clock
Master Electrical Component List
Instrument Cluster Description and Operation
Control Module References
Indicators
RIM and THEFT Fuses and Ignition Switch 2 of 2
G104
ABS, STARTER RLY, STRG CTLS, TCM/IPC, AND WASH NOZ FUSES
Fuse Block Underhood B+ Bus
CCP B+, DIM/ALDL, EBCM B+, ECM/TCM, Flasher, and VOLT CHECK Fuses
Class 2 Serial Data 1 of 2
G104
G200
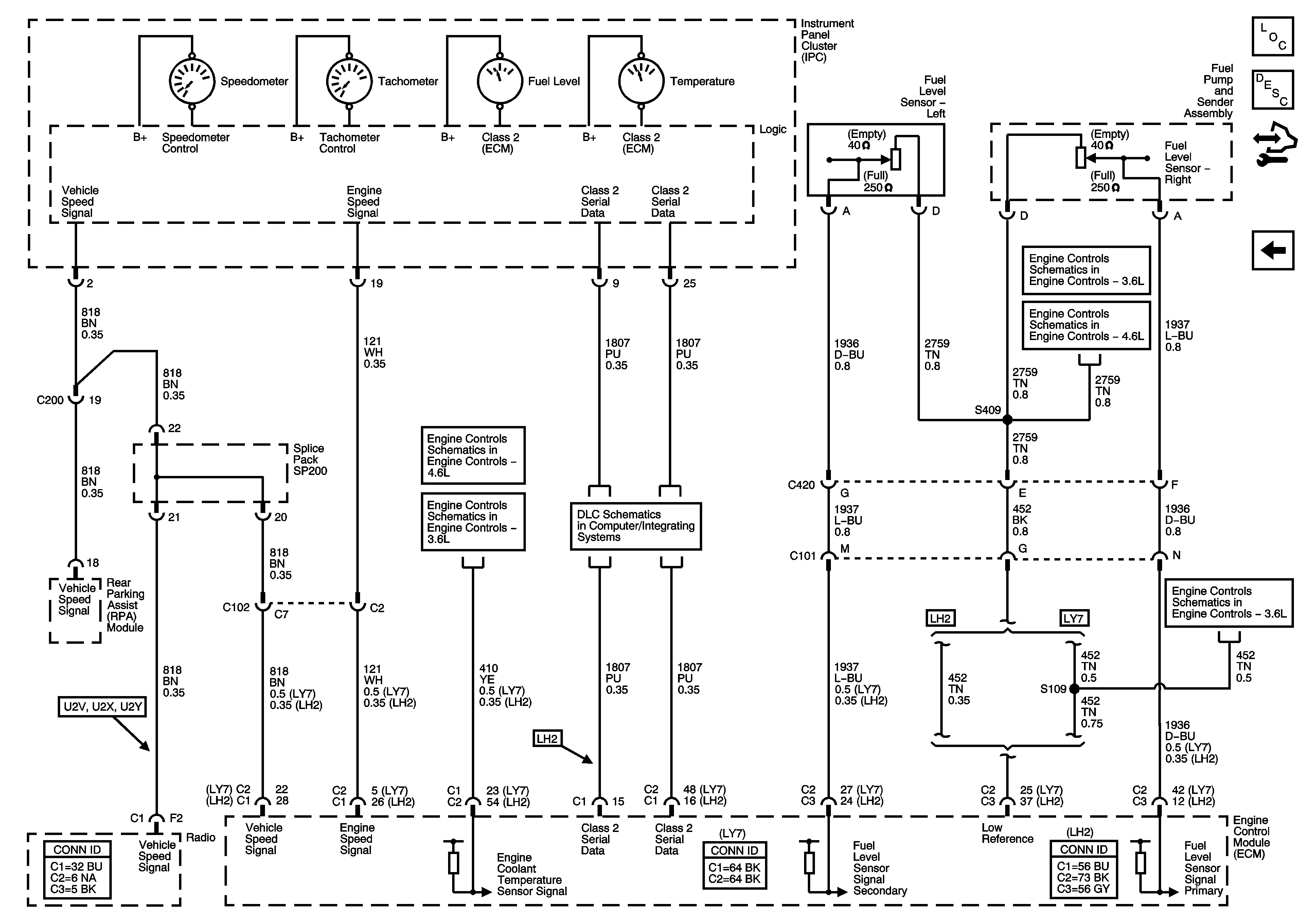
Figure
2:
Indicators
Master Electrical Component List
Instrument Cluster Description and Operation
Control Module References
Gages
Power, Ground, Serial Data, Odometer and Clock
Engine Data Sensors-5 Volt Reference
Engine Data Sensors-Low Reference
Turn Signal/Hazard Flasher Module
Class 2 Serial Data 1 of 2
Shift Lever
Module Power, Ground, Serial Data and MIL
Power, Ground, Serial Data and MIL
Hydraulic Brakes Schematics
Indicator, Traction Control, and Brake Pedal Position
Figure
3:
Gages
Master Electrical Component List
Instrument Cluster Description and Operation
Control Module References
Indicators
Fuel Controls-EVAP Controls
Fuel Control-EVAP Controls
Engine Data Sensors-Pressure, Temp, MAF, VSS, and Extended Travel Brake Switch
Engine Data Sensors-Pressure, Temp, MAF, VSS and Extended Travel Brake Switch
Class 2 Serial Data 1 of 2
Fuel Controls-EVAP Controls