GM Service Manual Online
For 1990-2009 cars only
Figure 1:

Turn Signal/Hazard Flasher Module


Object Number: 1614314  Size: FS
Master Electrical Component List
Exterior Lighting Systems Description and Operation
Control Module References
Park Lamp Controls and Indicators
G104
RIM and THEFT Fuses and Ignition Switch 2 of 2
G104
Fuse Block Underhood B+ Bus
ABS, STARTER RLY, STRG CTLS, TCM/IPC, AND WASH NOZ FUSES
ABS, STARTER RLY, STRG CTLS, TCM/IPC, AND WASH NOZ FUSES
G104
Turn Lamps-Export
Interior Lamps Dimming Controls
G402 1 of 2
G401 1 of 2
Indicators
G200
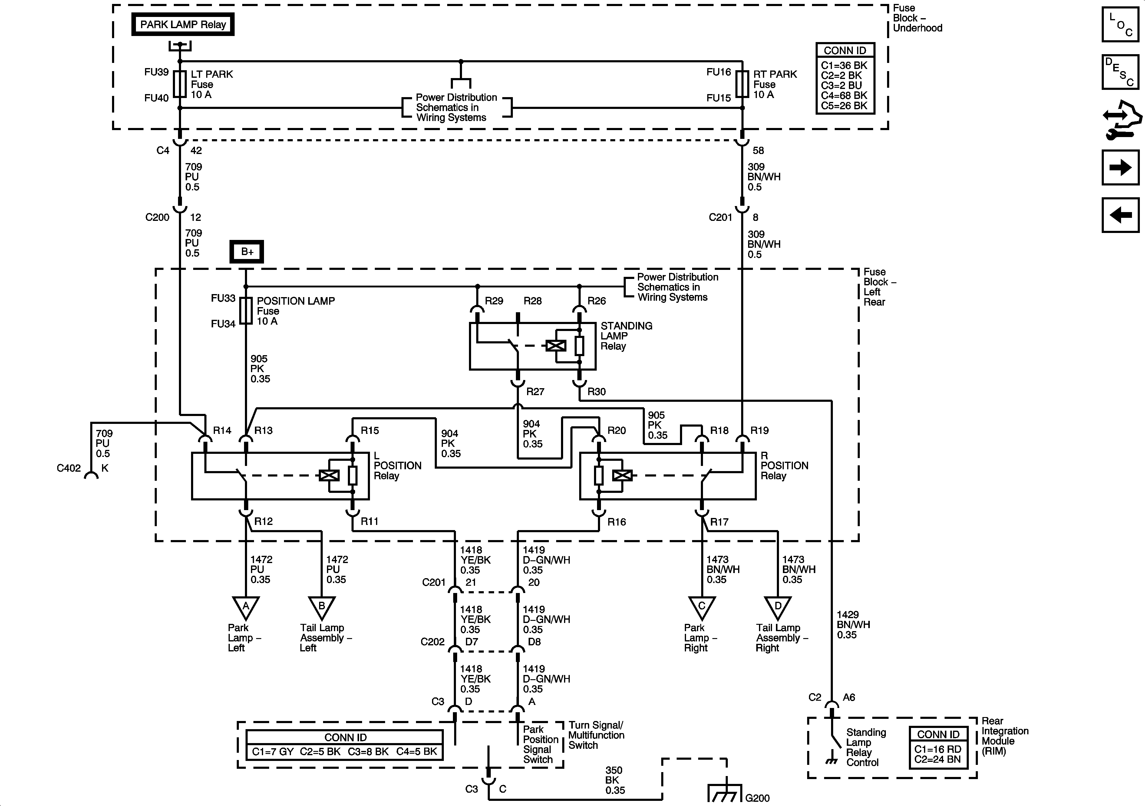
Figure 2:

Park Lamp Controls and Indicator


Object Number: 1614331  Size: FS
Master Electrical Component List
Exterior Lighting Systems Description and Operation
Control Module References
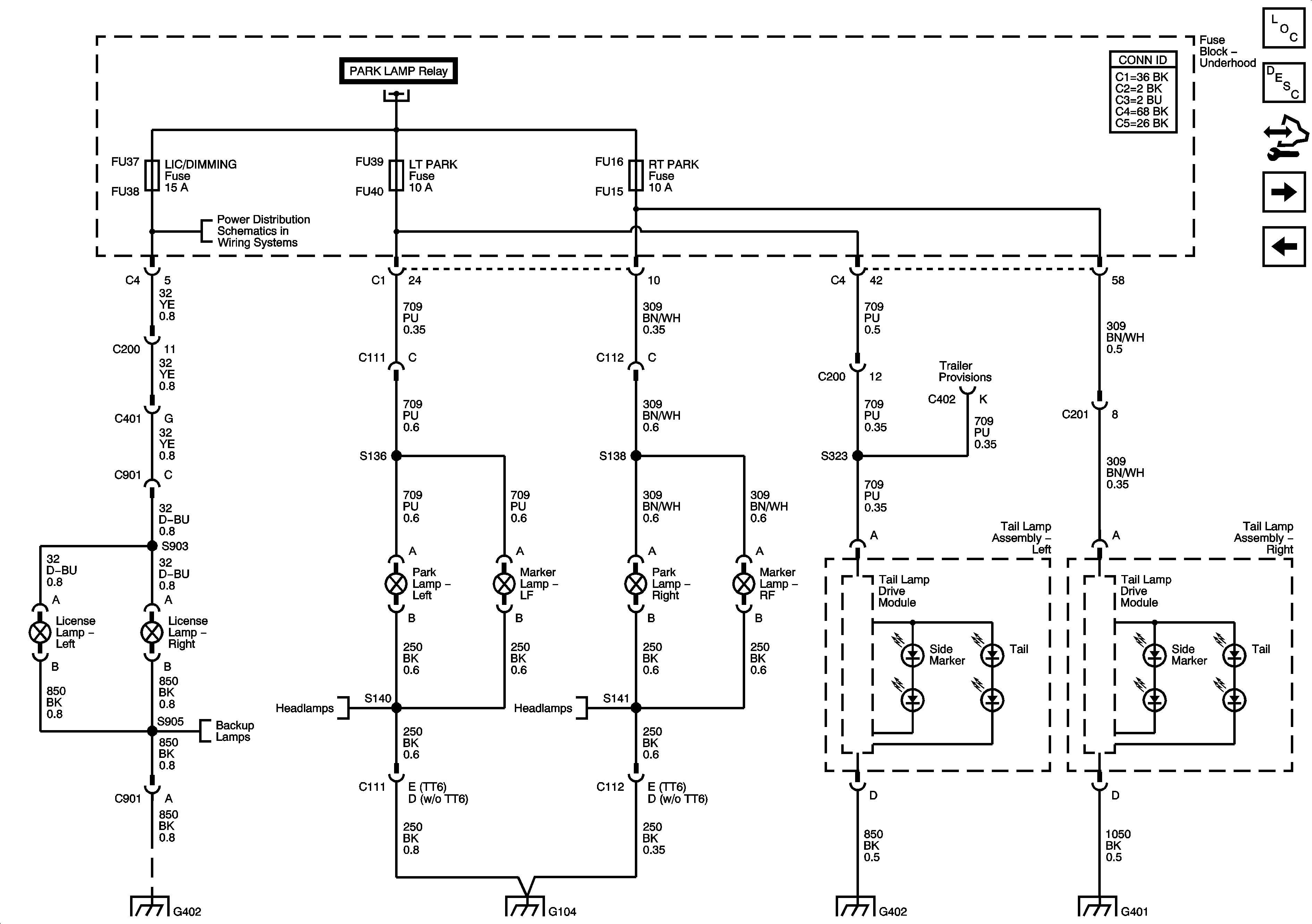
Parking Lamps-Domestic
Turn Signal/Hazard Flasher Module
Class 2 Serial Data 1 of 2
Headlamp Controls
G200
Figure 3:

Parking Lamps - Domestic


Object Number: 1614337  Size: FS
Master Electrical Component List
Exterior Lighting Systems Description and Operation
Control Module References
Position Lamp Controls-Export
Park Lamp Controls and Indicators
Park Lamp Controls and Indicators
LIC/DIMMING, LT PARK, and RT PARK Fuses
Backup Lamps
Headlamps-Domestic
Headlamps-Domestic
G402 2 of 2
G104
G402 1 of 2
G401 1 of 2
Figure 4:

Position Lamp Controls - Export


Object Number: 1614344  Size: FS
Master Electrical Component List
Exterior Lighting Systems Description and Operation
Control Module References
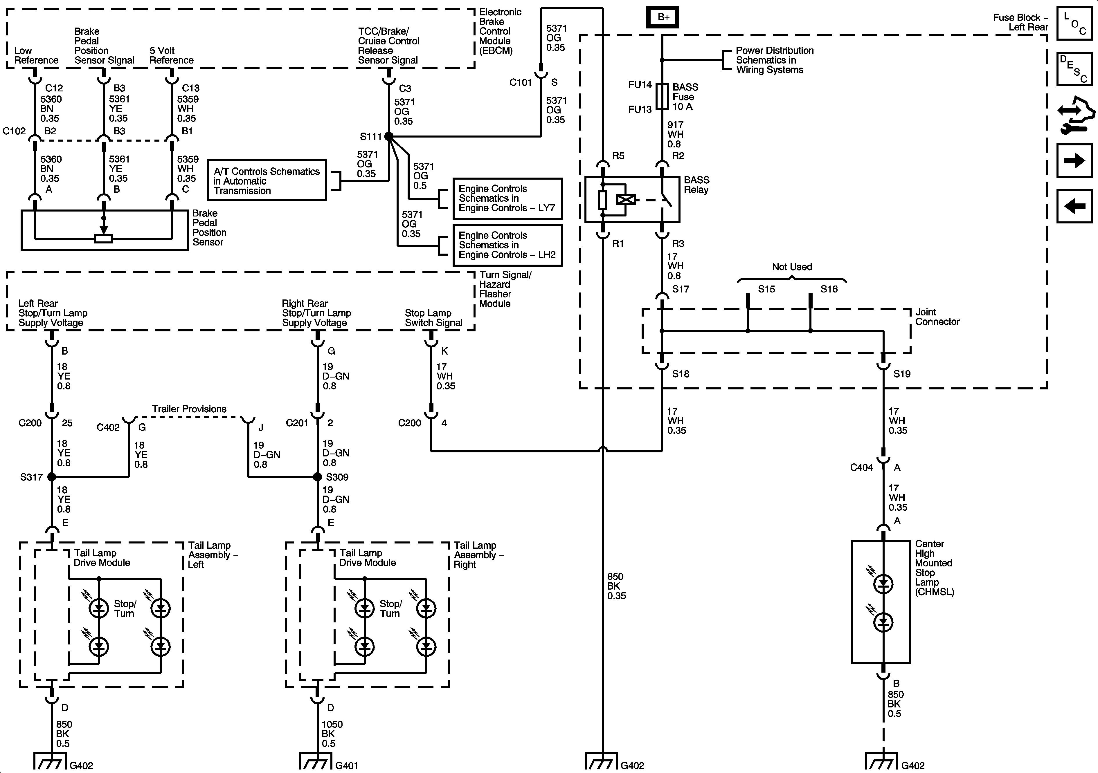
Tail Lamps and Stop Lamps-Domestic
Parking Lamps-Domestic
Park Lamp Controls and Indicators
LIC/DIMMING, LT PARK, and RT PARK Fuses
06 ESUV-Fuse Block Left Rear B+ Bus
Parking Lamps-Export
Parking Lamps-Export
Parking Lamps-Export
Parking Lamps-Export
G200
Figure 5:

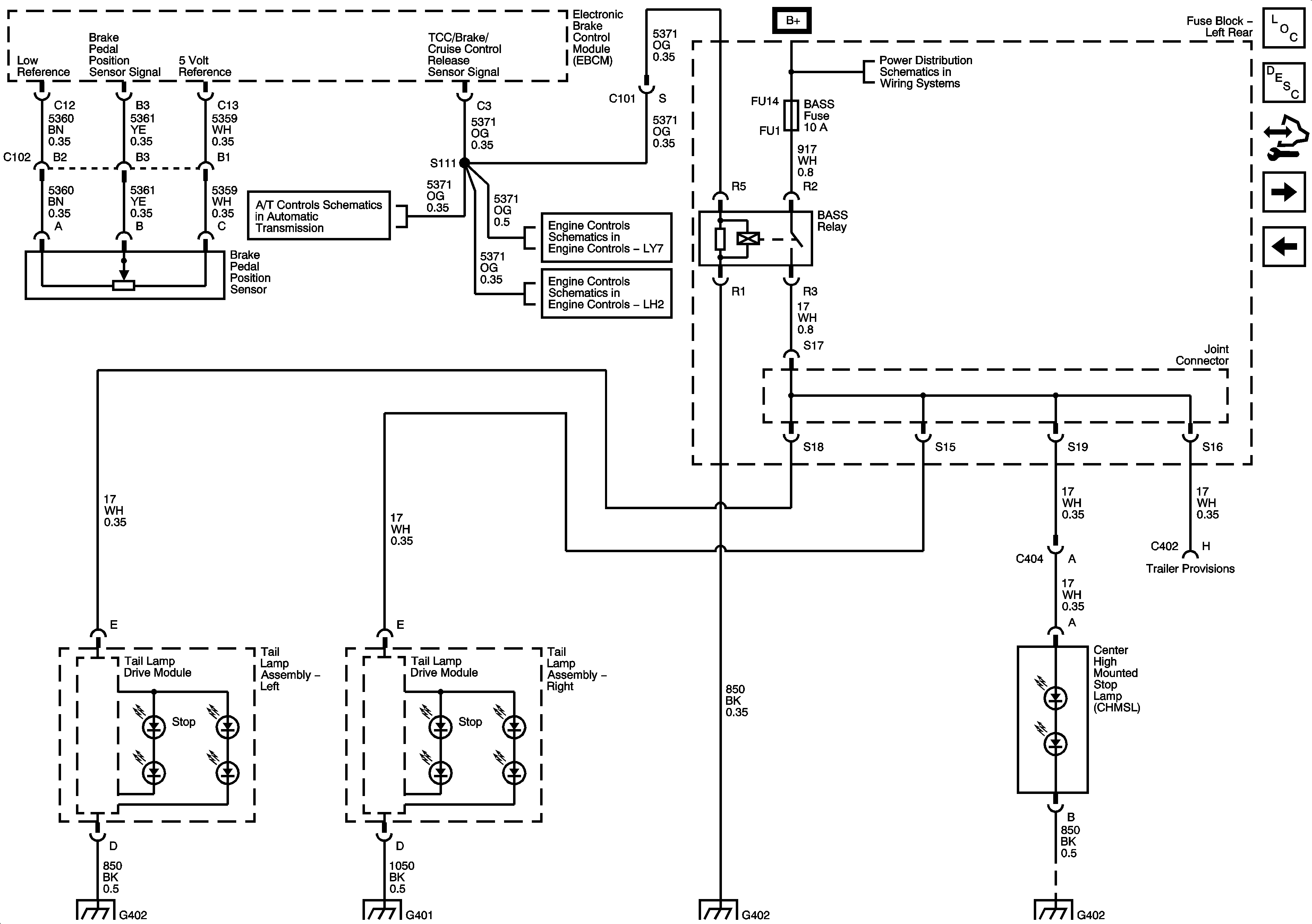
Tail Lamps and Stop Lamps - Domestic


Object Number: 1614350  Size: FS
Master Electrical Component List
Exterior Lighting Systems Description and Operation
Control Module References
Tail Lamps and Stop Lamps-Export
Position Lamp Controls-Export
Indicator, Traction Control, and Brake Pedal Position
Controlled/Monitored Subsystem References
Controlled/Monitored Subsystem References
06 ESUV-Fuse Block Left Rear B+ Bus
G402 1 of 2
G401 1 of 2
G402 1 of 2
G402 2 of 2
Figure 6:

Tail Lamps and Stop Lamps - Export


Object Number: 1614352  Size: FS
Master Electrical Component List
Exterior Lighting Systems Description and Operation
Control Module References
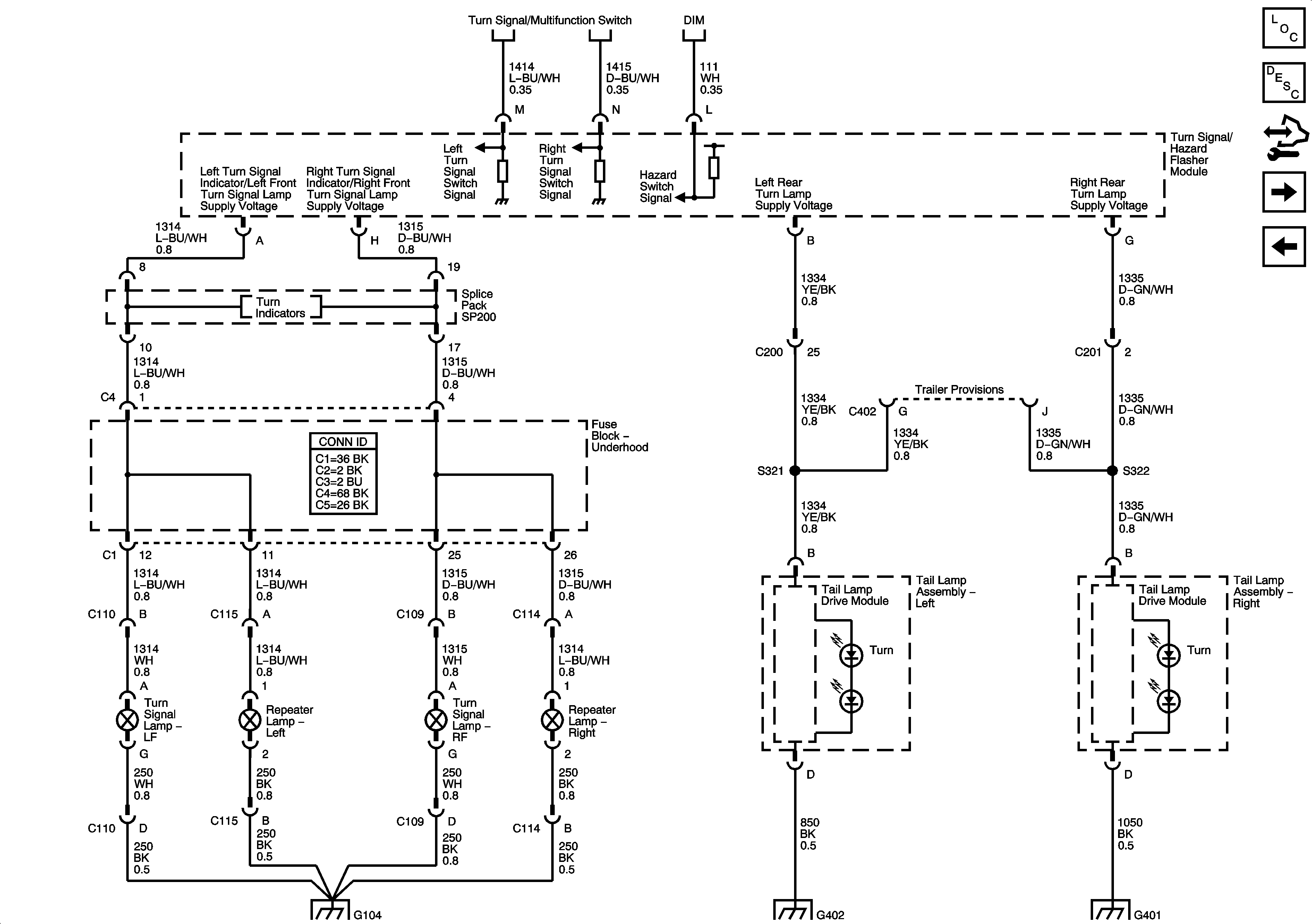
Turn Lamps-Domestic
Tail Lamps and Stop Lamps-Domestic
Indicator, Traction Control, and Brake Pedal Position
Controlled/Monitored Subsystem References
Controlled/Monitored Subsystem References
06 ESUV-Fuse Block Left Rear B+ Bus
G402 1 of 2
G401 1 of 2
G402 1 of 2
G402 2 of 2
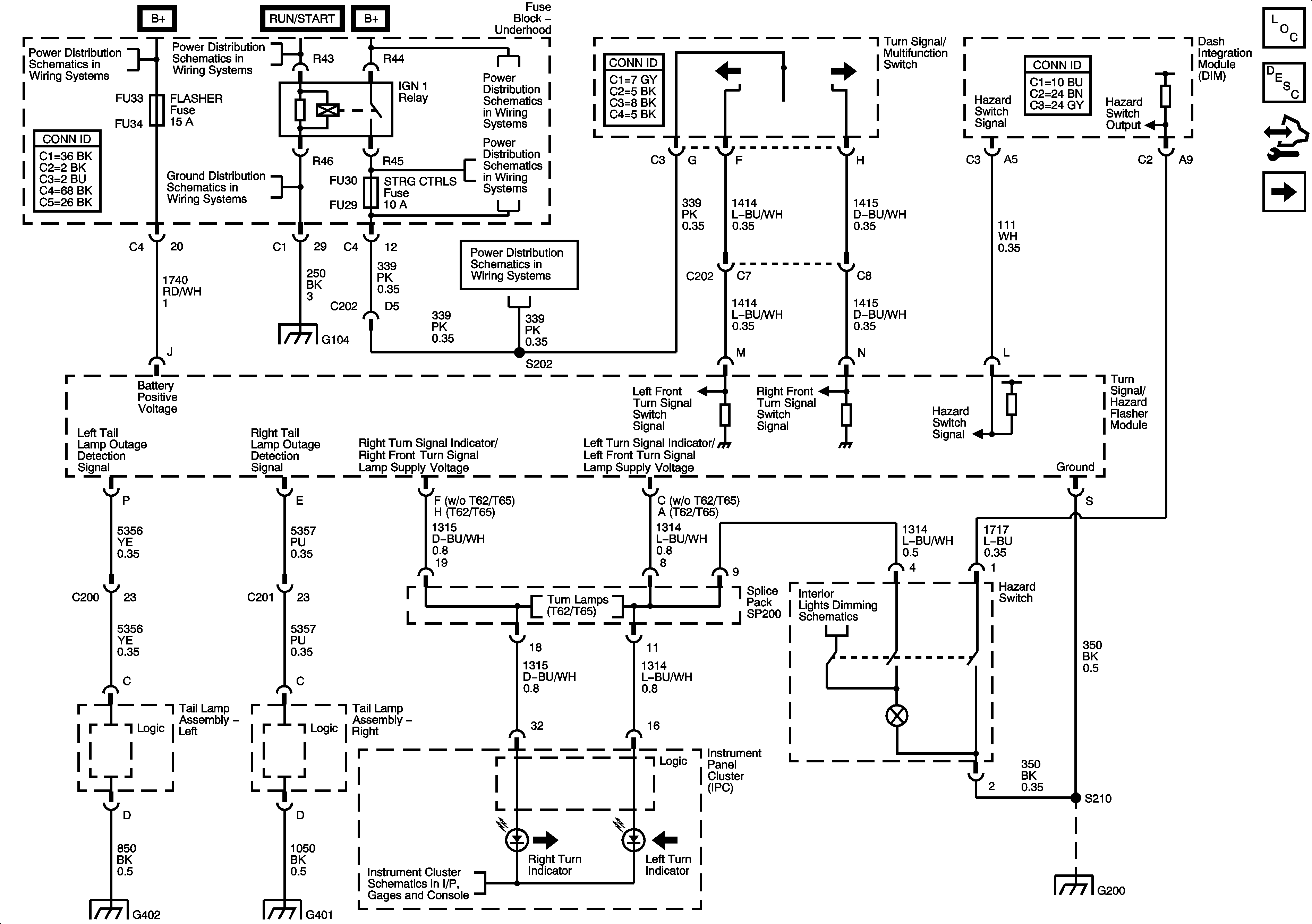
Figure 7:

Backup Lamps


Object Number: 1614353  Size: FS
Master Electrical Component List
Exterior Lighting Systems Description and Operation
Control Module References
Parking Lamps-Export
06 ESUV-Fuse Block Left Rear B+ Bus
Rear Parking Assist Schematics
Inside Rearview Mirror Schematics
Class 2 Serial Data 2 of 2
G402 2 of 2
Figure 8:

Turn Lamps - Domestic


Object Number: 1614355  Size: FS
Master Electrical Component List
Exterior Lighting Systems Description and Operation
Control Module References
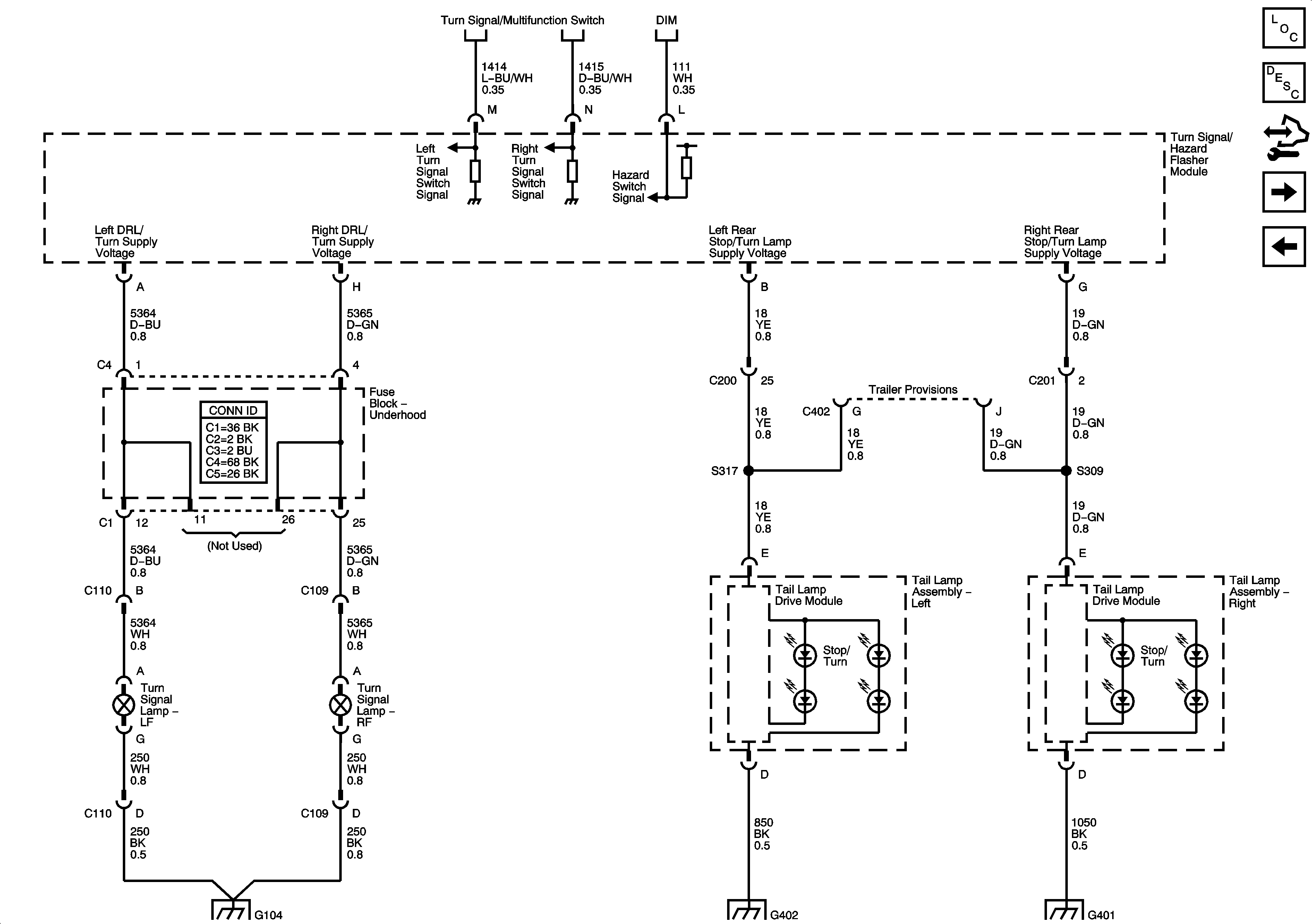
Turn Lamps-Export
Tail Lamps and Stop Lamps-Export
Turn Signal/Hazard Flasher Module
Turn Signal/Hazard Flasher Module
G104
G402 1 of 2
G401 1 of 2
Figure 9:

Turn Lamps - Export


Object Number: 1614356  Size: FS
Master Electrical Component List
Exterior Lighting Systems Description and Operation
Control Module References
Parking Lamps-Export
Turn Lamps-Domestic
Turn Signal/Hazard Flasher Module
Turn Signal/Hazard Flasher Module
Turn Signal/Hazard Flasher Module
G104
G402 1 of 2
G401 1 of 2
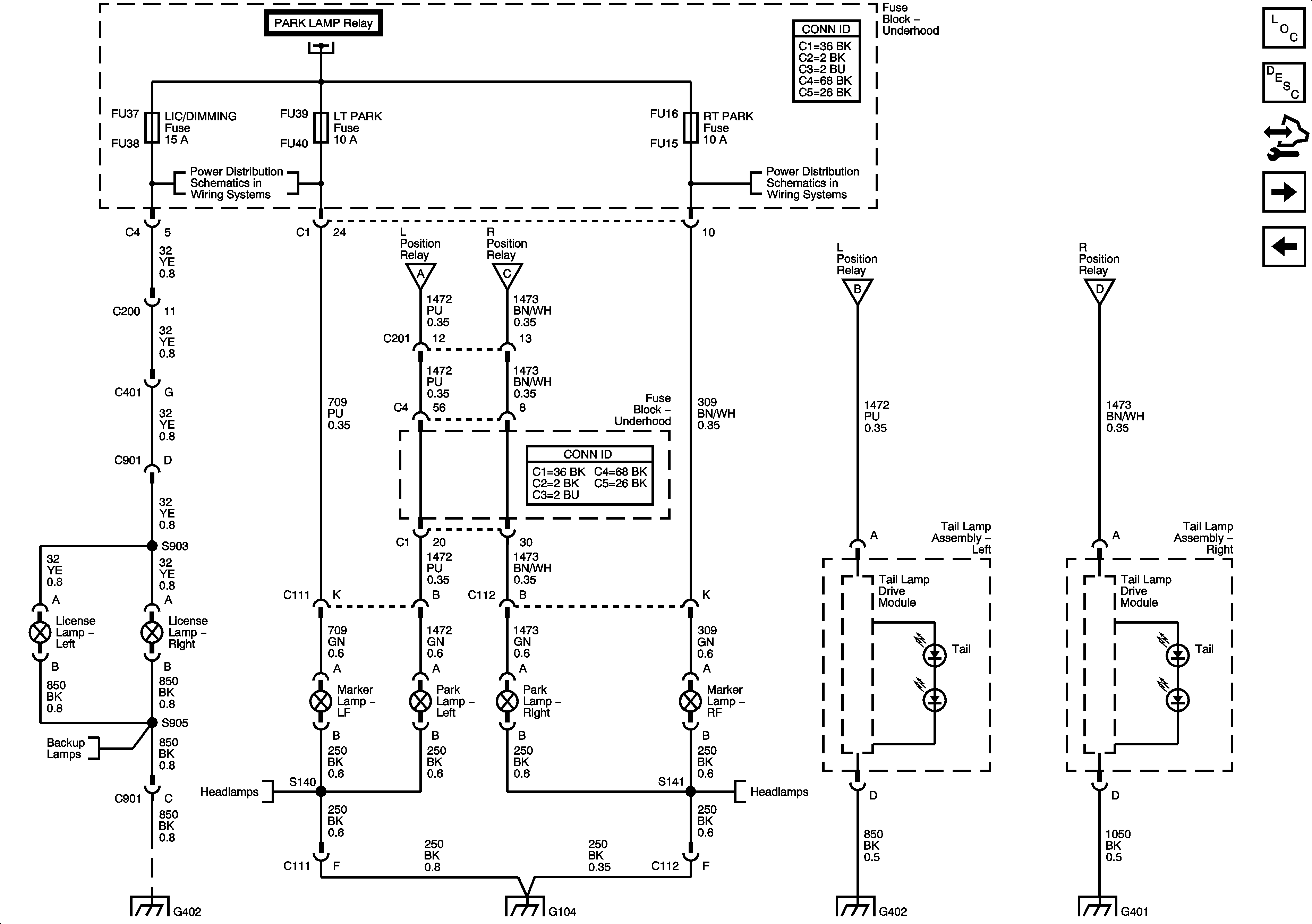
Figure 10:

Parking Lamps - Export


Object Number: 1614358  Size: FS
Master Electrical Component List
Exterior Lighting Systems Description and Operation
Control Module References
Backup Lamps
Turn Lamps-Export
Park Lamp Controls and Indicators
Position Lamp Controls-Export
Position Lamp Controls-Export
Position Lamp Controls-Export
Position Lamp Controls-Export
Backup Lamps
Headlamps-Export
Headlamps-Export
G402 2 of 2
G104
G402 1 of 2
G401 1 of 2