GM Service Manual Online
For 1990-2009 cars only
Figure 1:

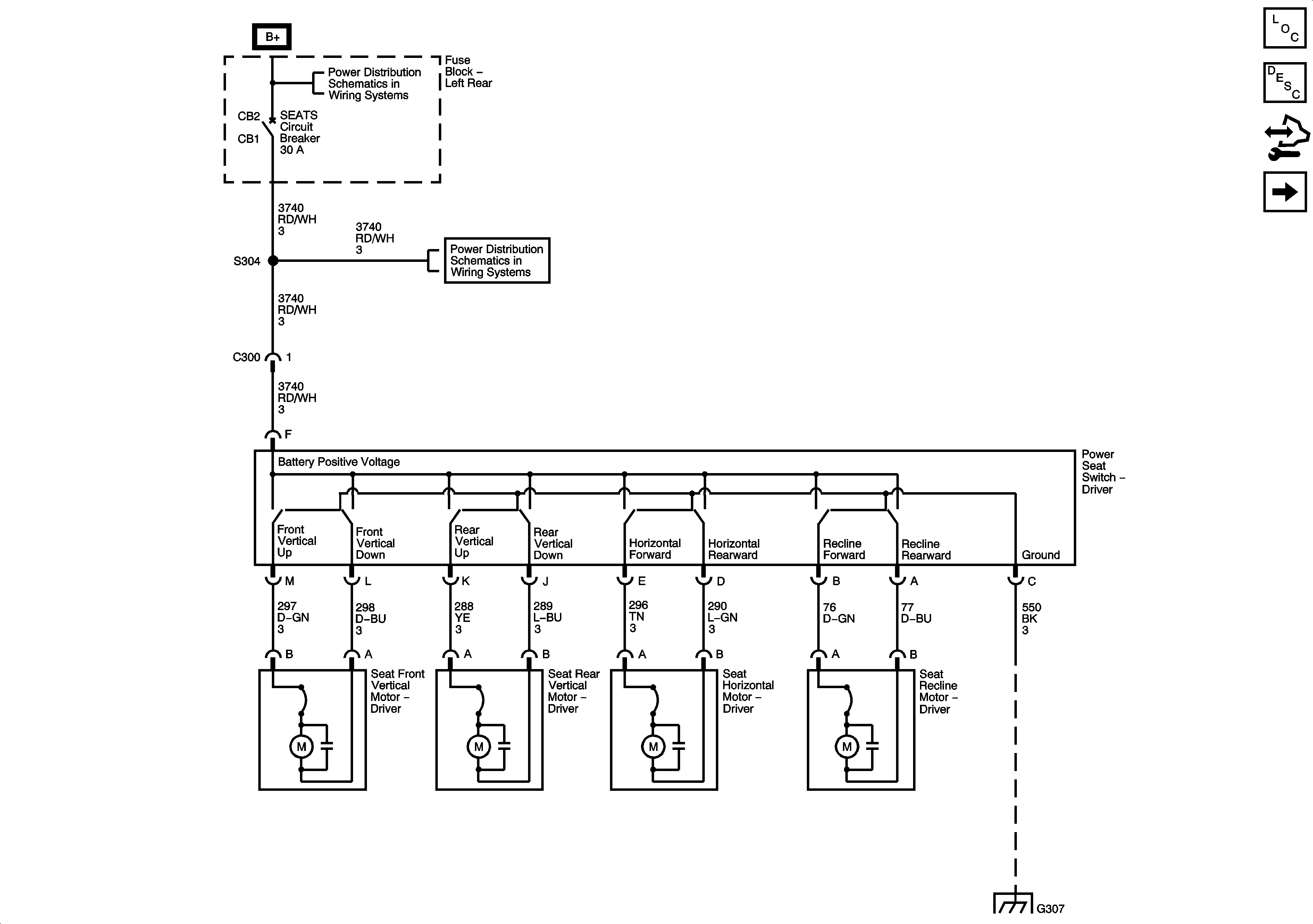
Power Seat (w/o A45)


Object Number: 1615399  Size: FS
Master Electrical Component List
Power Seats System Description and Operation (Front Seat)
Control Module References
Heated Seat (KA1)
06 ESUV-Fuse Block Left Rear B+ Bus
FFSM, FFS SW AND THEFT FUSES AND SEAT CIRCUIT BREAKER
G307
Figure 2:

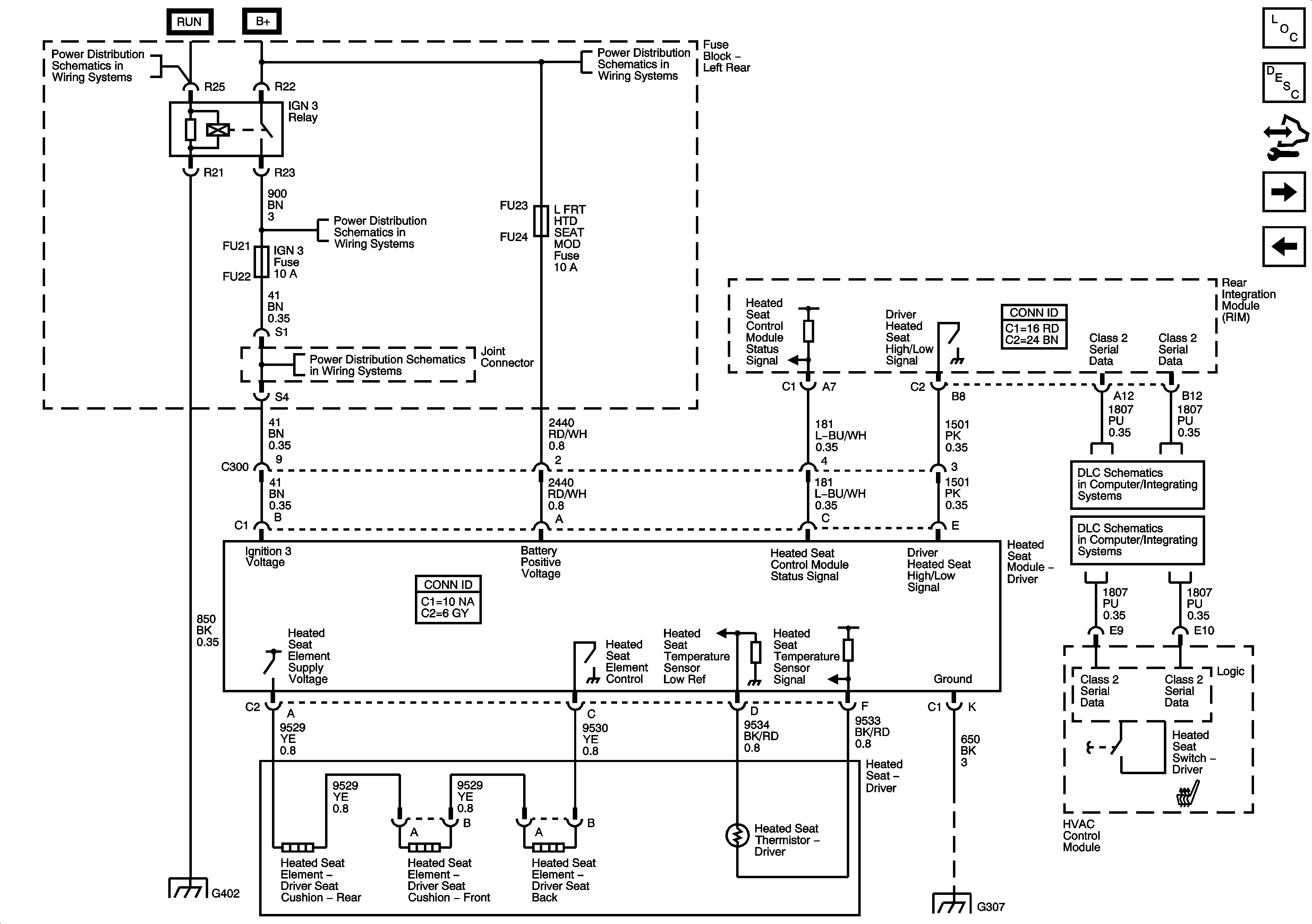
Heated Seat (KA1)


Object Number: 1615400  Size: FS
Master Electrical Component List
Heated Seats Description and Operation
Control Module References
06 ESUV-Memory Seat Module Power, Ground and Seat Adjuster Switches (A45)
Power Seat (w/o A45)
IGN SW Fuse and Ignition Switch 1 of 2
Fuse Block Right Rear B+ Bus
AIR BAG, CCP (RUN), EBCM (RUN), HDLP LEVELING, IGN 1 AND IGN 3 FUSES
AIR BAG, CCP (RUN), EBCM (RUN), HDLP LEVELING, IGN 1 AND IGN 3 FUSES
Class 2 Serial Data 2 of 2
Class 2 Serial Data 1 of 2
G402 1 of 2
G307
Figure 3:

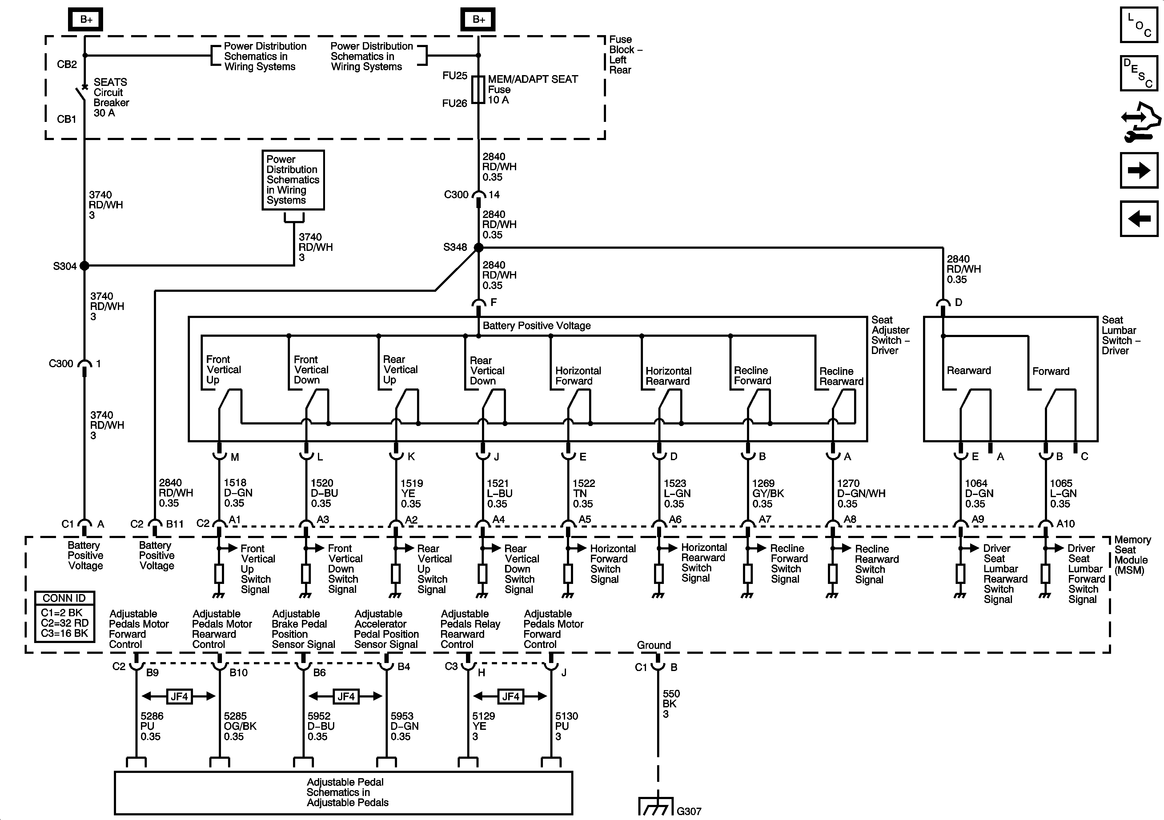
Memory Seat Module Power,Ground, and Seat Adjuster Switches (A45)


Object Number: 1615402  Size: FS
Master Electrical Component List
Memory Seats Description and Operation
Control Module References
Memory Seat Controls (A45)
Heated Seat (KA1)
06 ESUV-Fuse Block Left Rear B+ Bus
06 ESUV-Fuse Block Left Rear B+ Bus
FFSM, FFS SW AND THEFT FUSES AND SEAT CIRCUIT BREAKER
G307
Figure 4:

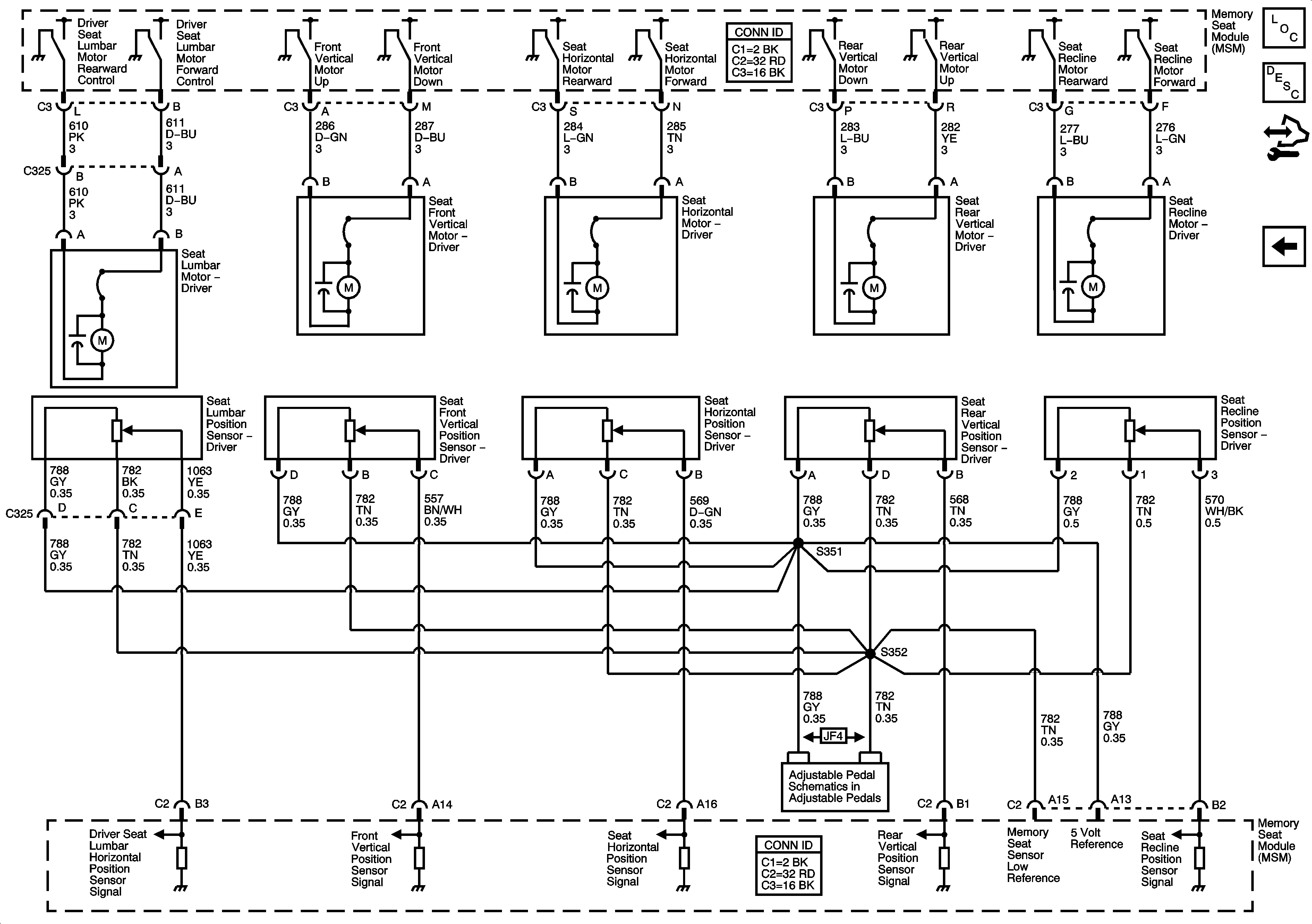
Memory Seat Controls (A45)


Object Number: 1615403  Size: FS
Master Electrical Component List
Memory Seats Description and Operation
Control Module References
Memory Seat Position Sensors and Motors (A45)
06 ESUV-Memory Seat Module Power, Ground and Seat Adjuster Switches (A45)
Dimming Lamps 2 of 2
Driver Door Lock Schematics
Class 2 Serial Data 1 of 2
Figure 5:

Memory Seat Position Sensors and Motors (A45)


Object Number: 1615404  Size: FS
Master Electrical Component List
Memory Seats Description and Operation
Control Module References
Memory Seat Controls (A45)
Adjustable Pedals Schematics