GM Service Manual Online
For 1990-2009 cars only
Makes
🢒
Cadillac
🢒
2006
🢒
SRX
🢒
Brakes
🢒
Antilock Brake System
🢒 Antilock Brake System Schematics
Figure
1:
Power, Ground and Serial Data
Master Electrical Component List
ABS Description and Operation
Control Module References
Wheel Speed Sensors
RIM and THEFT Fuses and Ignition Switch 2 of 2
G104
ABS, STARTER RLY, STRG CTLS, TCM/IPC, AND WASH NOZ FUSES
Fuse Block Underhood B+ Bus
Class 2 Serial Data 1 of 2
G104
G102, 105, 107, 108, 109, 110
Figure
2:
Wheel Speed Sensors
Master Electrical Component List
ABS Description and Operation
Control Module References
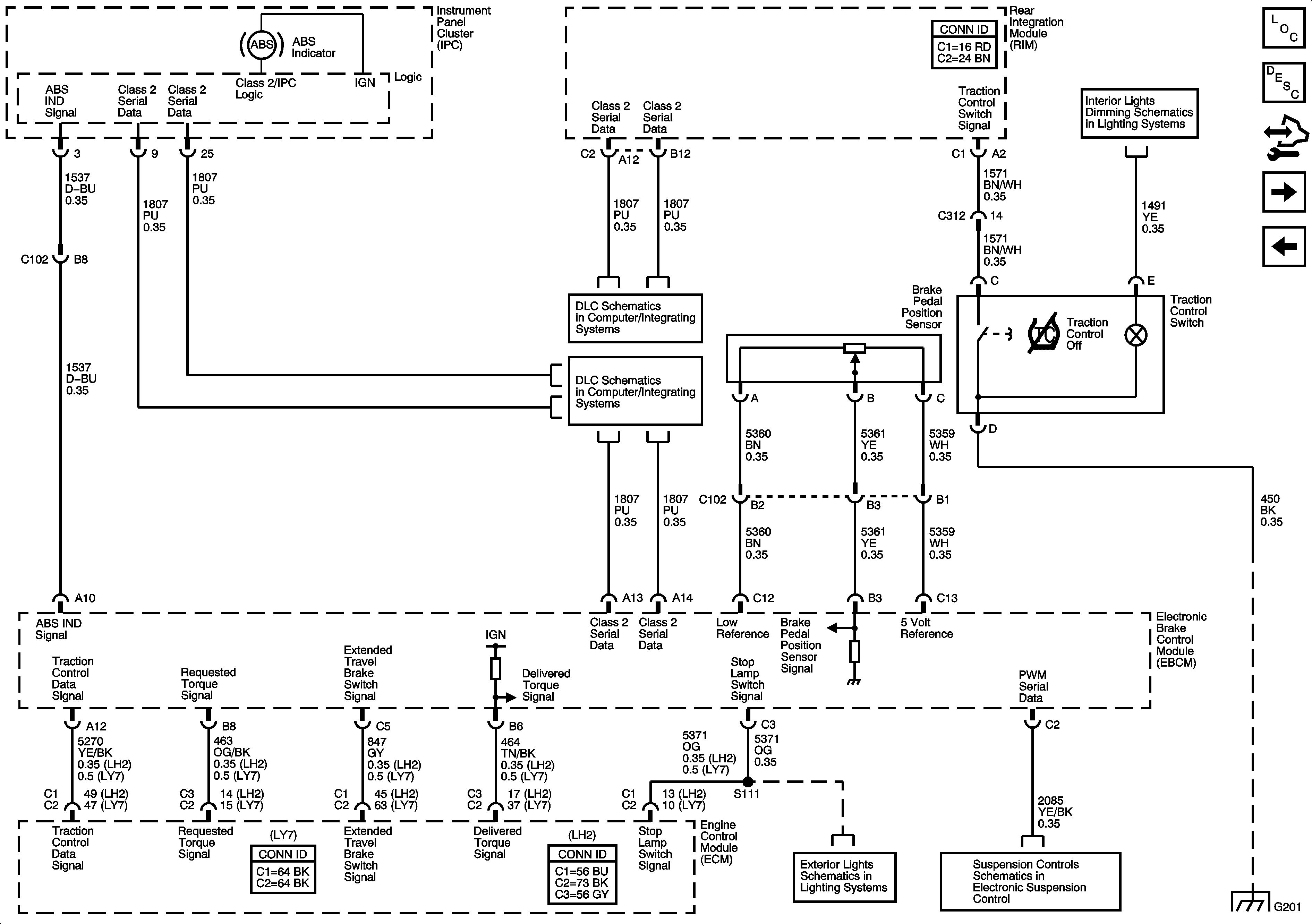
Indicator, Traction Control, and Brake Pedal Position
Power, Ground and Serial Data
Antilock Brake System Schematic Icons
Antilock Brake System Schematic Icons
Antilock Brake System Schematic Icons
Antilock Brake System Schematic Icons
Antilock Brake System Schematic Icons
Antilock Brake System Schematic Icons
Figure
3:
Indicator, Traction Control, and Brake Pedal Position
Master Electrical Component List
ABS Description and Operation
Control Module References
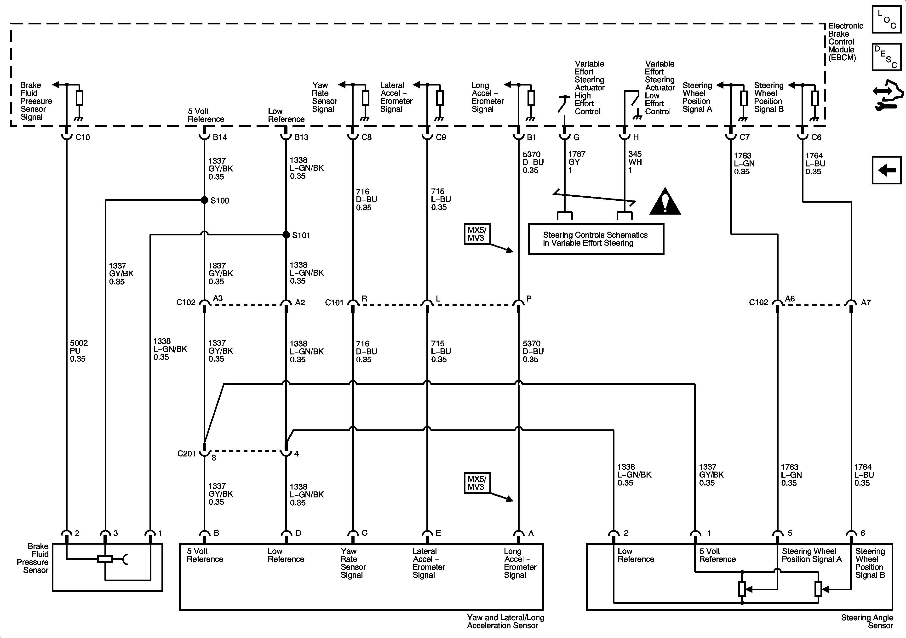
Stability Control System and Brake Fluid Pressure Sensor
Wheel Speed Sensors
Class 2 Serial Data 1 of 2
Class 2 Serial Data 2 of 2
Dimming Lamps 1 of 2
Tail Lamps and Stop Lamps-Domestic
Power, Ground, Serial Data and Controls
G201
Figure
4:
Stability Control System and Brake Fluid Pressure Sensor
Master Electrical Component List
ABS Description and Operation
Control Module References
Indicator, Traction Control, and Brake Pedal Position
Antilock Brake System Schematic Icons
Variable Effort Steering Schematic