GM Service Manual Online
For 1990-2009 cars only
Makes
🢒
Cadillac
🢒
2006
🢒
SRX
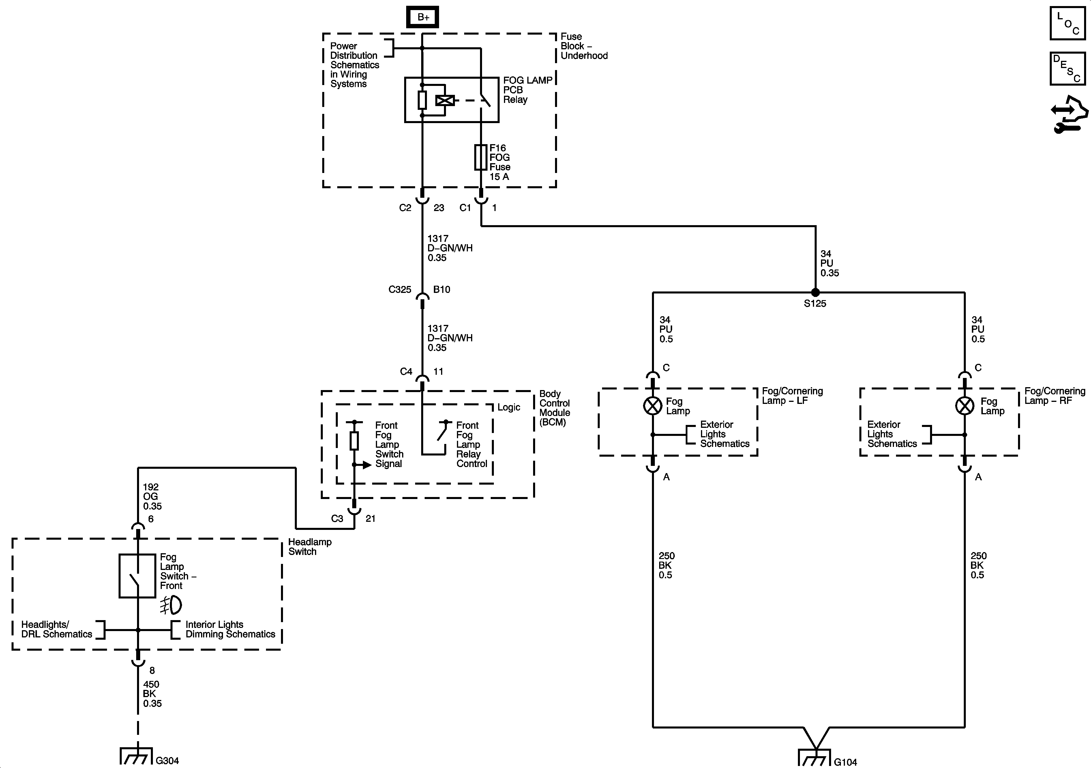
🢒 Fog Lamps
Fog Lamps
Fog Lamps
Master Electrical Component List
Exterior Lighting Systems Description and Operation
Control Module References
Underhood Fuse Block - TRN/SIG, FOG LAMP, TRN/SIG Relays, LT CRN LAMP, FOG, RT CRN LAMP Fuses
Headlamp Switch
Hazard, Headlamp, Driver Information Display Switches, Ashtray, HVAC Control Module, Radio, Clock
G304
Front Park, Marker, Position Lamps
Front Park, Marker, Position Lamps
G104