GM Service Manual Online
For 1990-2009 cars only
Makes
🢒
Cadillac
🢒
2007
🢒
SRX
🢒
Engine
🢒
Engine Electrical
🢒 Starting and Charging Schematics
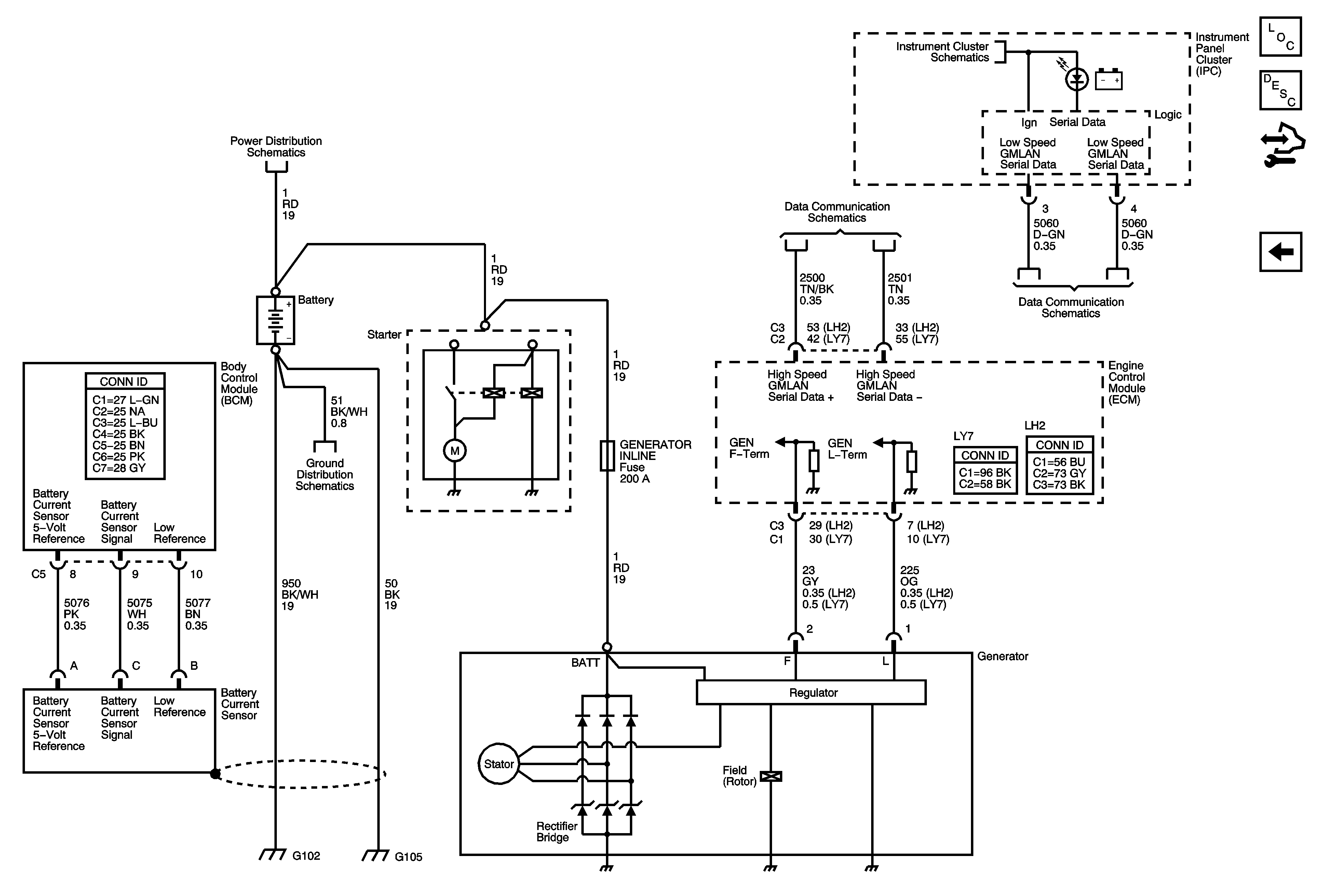
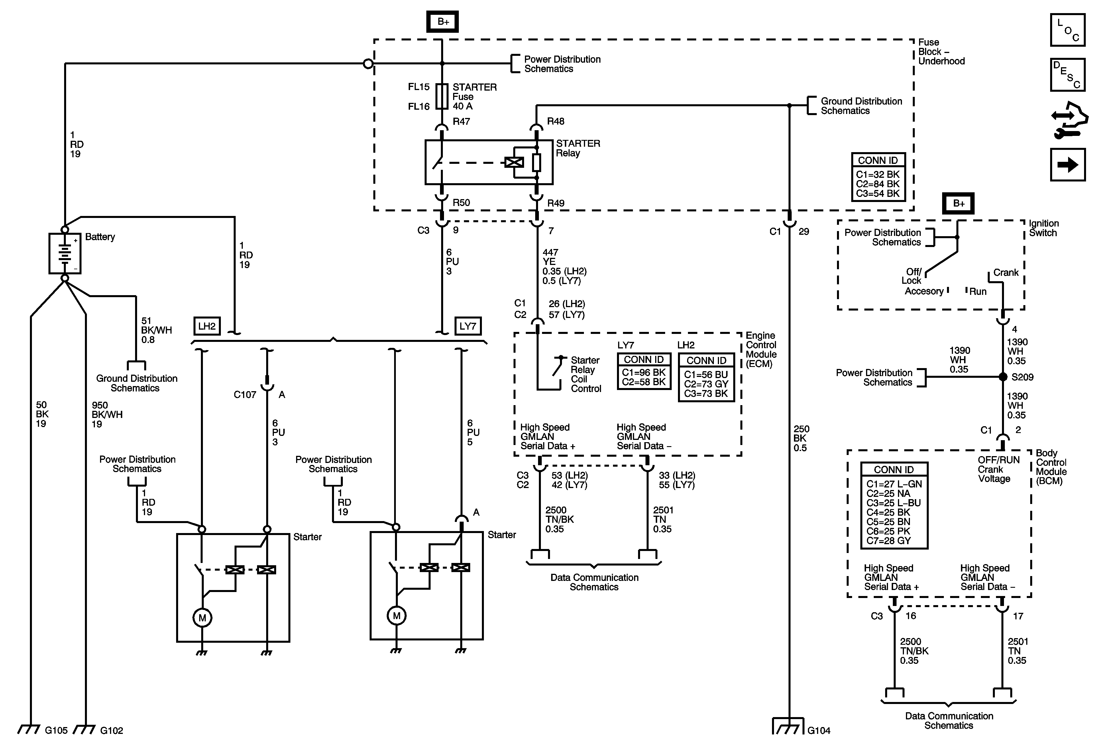
Figure
1:
Starting System
Master Electrical Component List
Starting System Description and Operation
Control Module References
Charging System
Underhood Fuse Block B+ Bus - 1 of 2
G104 (2 of 2)
IGN SW Fuse and Ignition Switch
G102, G105, G107, G108, G109, G110
IGN SW Fuse and Ignition Switch
Underhood Fuse Block B+ Bus - 1 of 2
Underhood Fuse Block B+ Bus - 1 of 2
High Speed GMLAN
G104 (2 of 2)
High Speed GMLAN
Figure
2:
Charging System
Master Electrical Component List
Charging System Description and Operation
Control Module References
Starting System
Indicators
Underhood Fuse Block B+ Bus - 1 of 2
High Speed GMLAN
Low Speed GMLAN Serial Data 1 of 2
G102, G105, G107, G108, G109, G110