GM Service Manual Online
For 1990-2009 cars only
Figure 1:

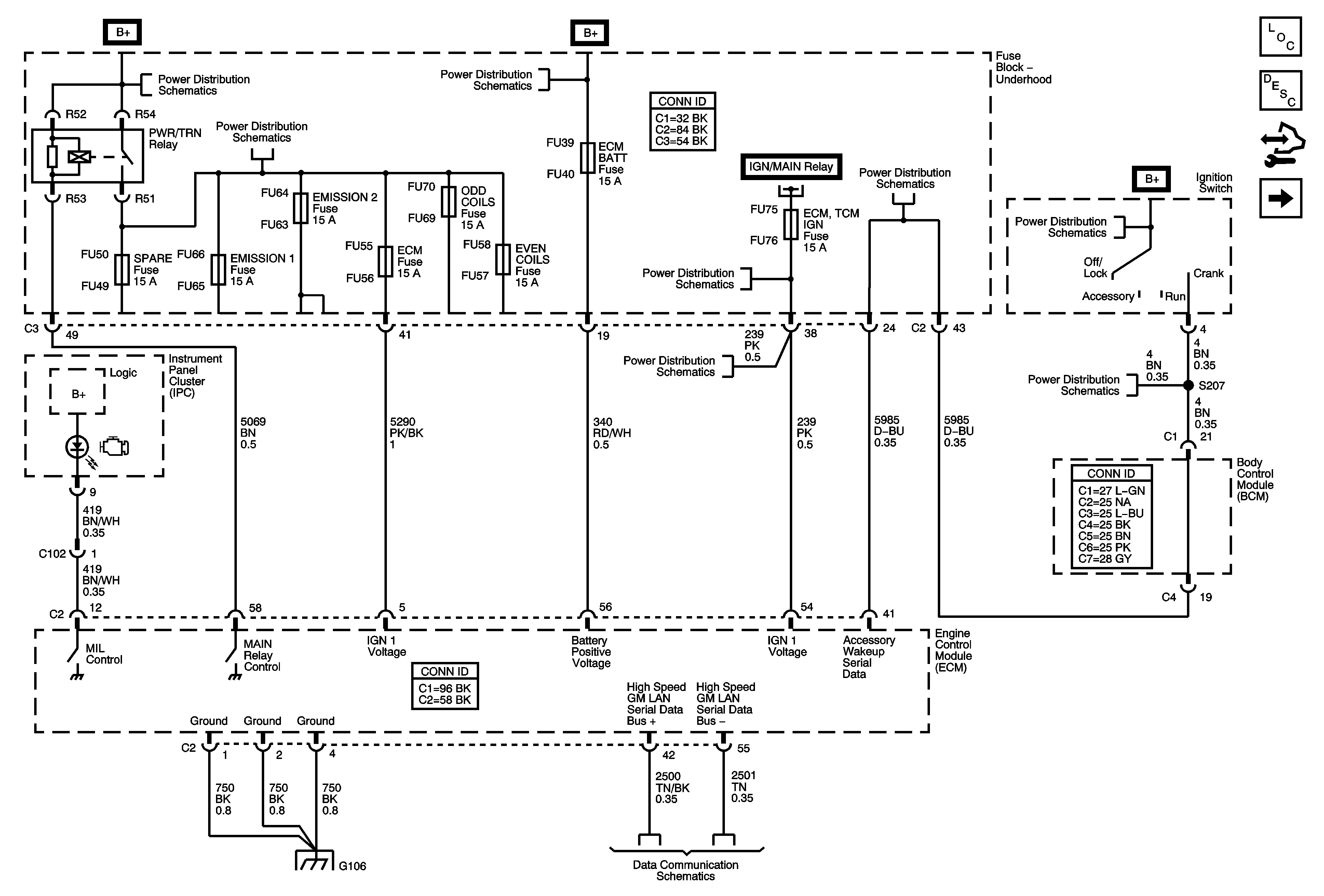
Module Power, Ground, Serial Data and MIL


Object Number: 1749299  Size: FS
Master Electrical Component List
Engine Control Module Description
Control Module References
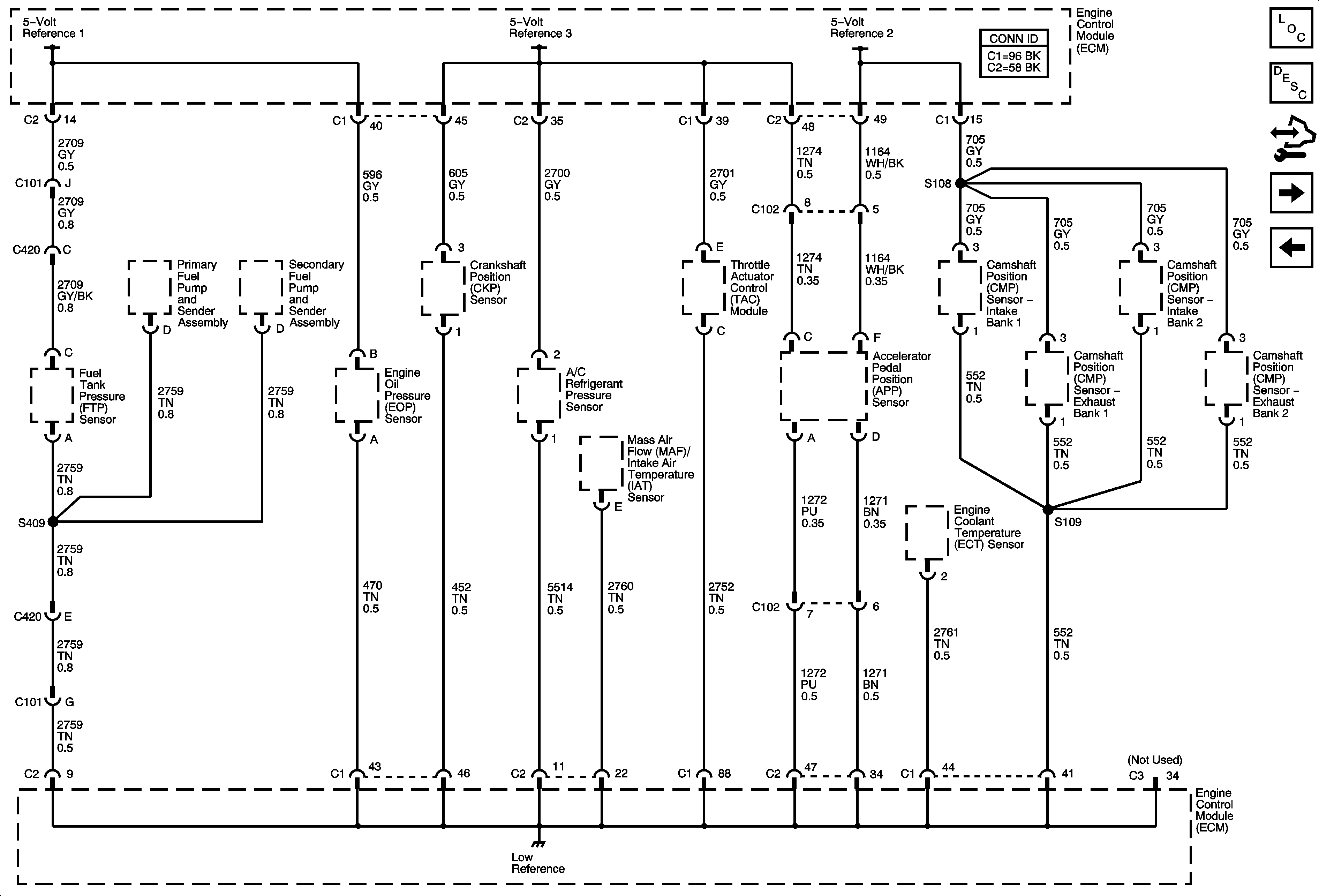
Engine Data Sensors - 5 Volt Reference
Underhood Fuse Block B+ Bus - 1 of 2
Underhood Fuse Block B+ Bus - 1 of 2
Underhood Fuse Block B+ Bus - 1 of 2
Ignition Power Modes - RUN
Power Modes - ACCY and RAP
IGN SW Fuse and Ignition Switch
IGN MAIN Relay, ABS IGN Fuse, AIRBAG Fuse, ECM TCM IGN Fuse, and MISC IGN Fuse
IGN MAIN Relay, ABS IGN Fuse, AIRBAG Fuse, ECM TCM IGN Fuse, and MISC IGN Fuse
IGN SW Fuse and Ignition Switch
G106, G111, G306
High Speed GMLAN
Figure 2:

Engine Data Sensors - 5-Volt Reference


Object Number: 1749300  Size: FS
Master Electrical Component List
Engine Control Module Description
Control Module References
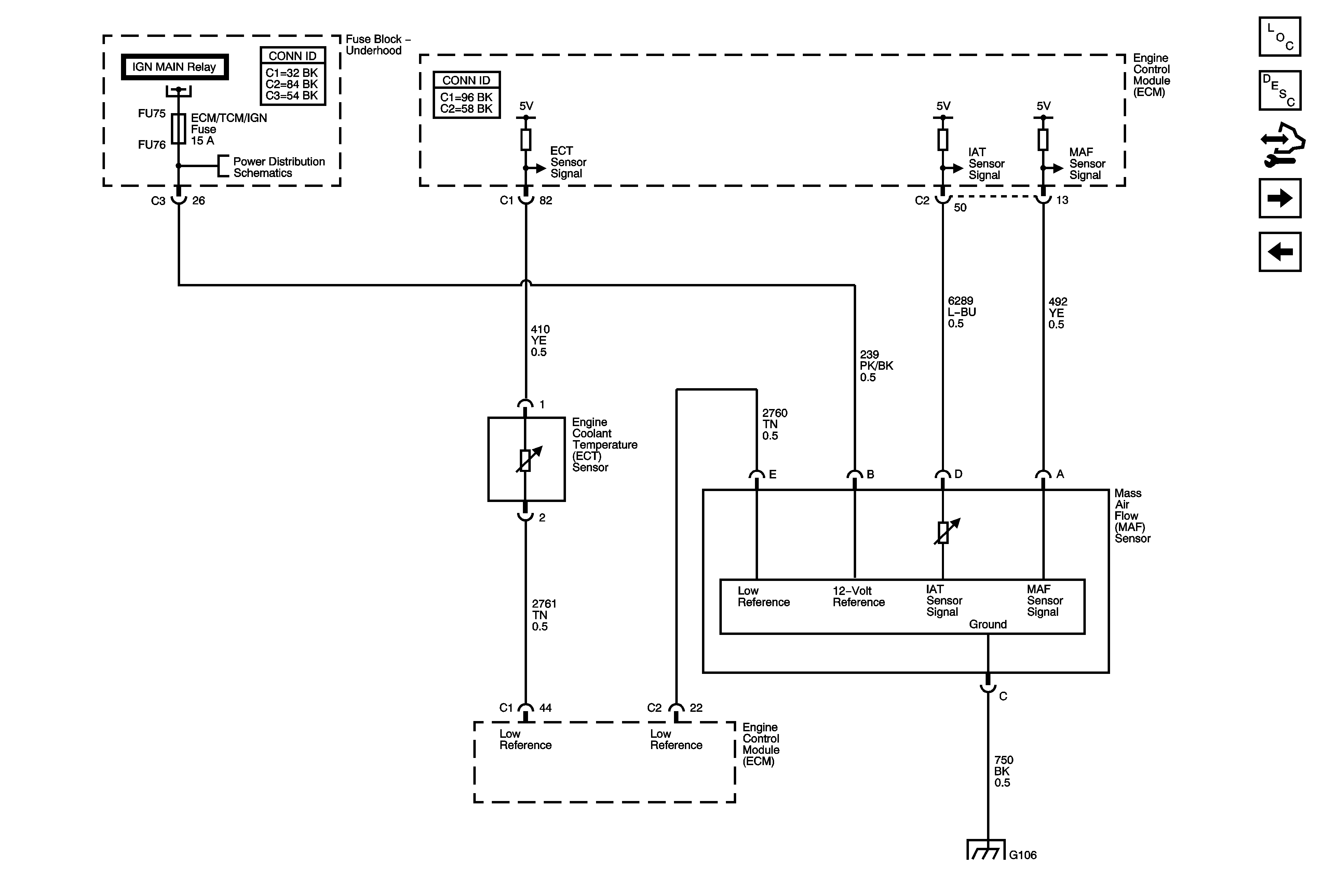
Engine Data Sensors - MAF and Engine Coolant Temp Sensor
Module Power, Ground, Serial Data and MIL
Figure 3:

Engine Data Sensors - MAF and Engine Coolant Temperature Sensor


Object Number: 1749302  Size: FS
Master Electrical Component List
Engine Control Module Description
Control Module References
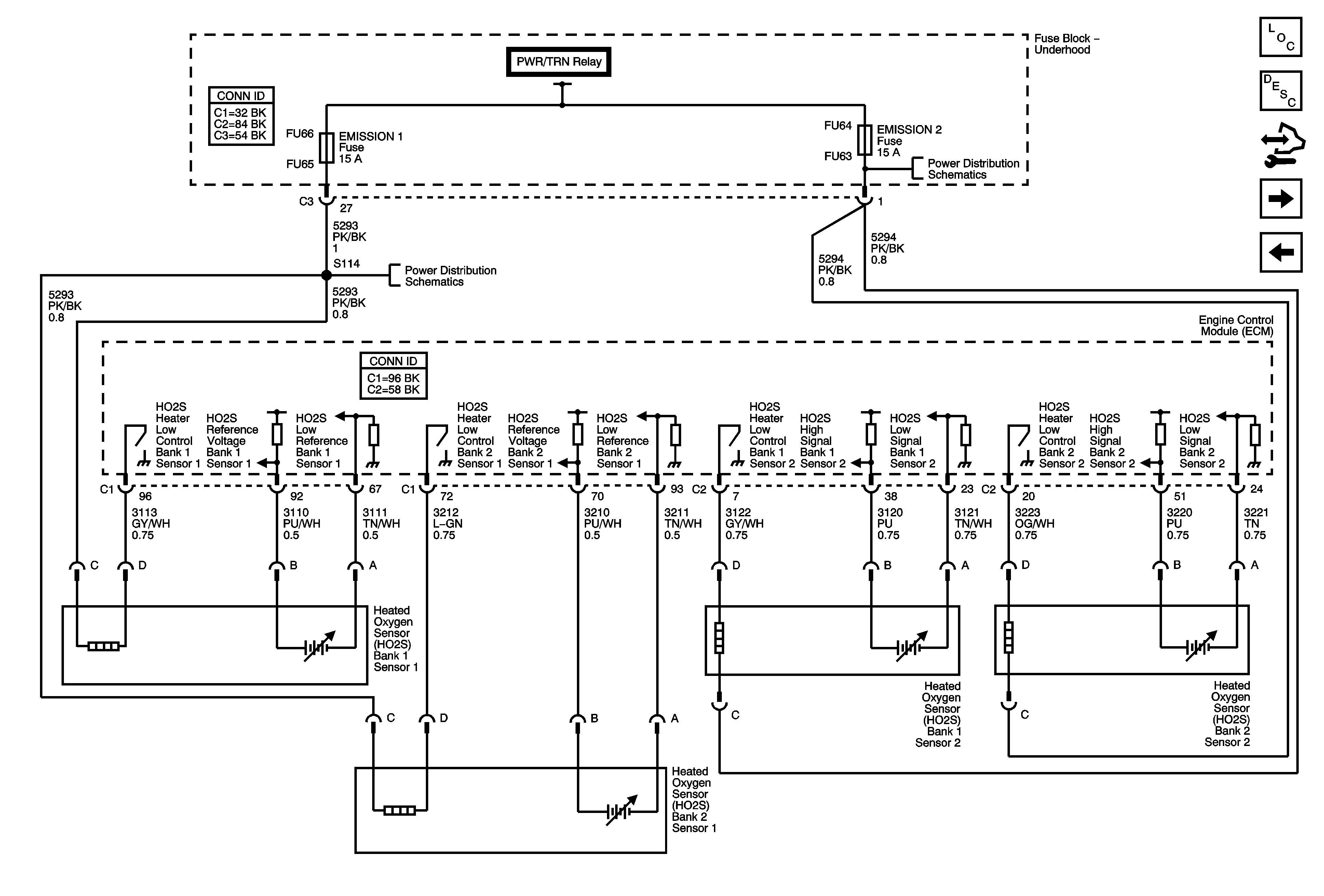
Engine Data Sensors - Oxygen Sensors
Engine Data Sensors - 5 Volt Reference
Ignition Power Modes - RUN
IGN MAIN Relay, ABS IGN Fuse, AIRBAG Fuse, ECM TCM IGN Fuse, and MISC IGN Fuse
G106, G111, G306
Figure 4:

Engine Data Sensors - Oxygen Sensors


Object Number: 1749303  Size: FS
Master Electrical Component List
Fuel System Description
Control Module References
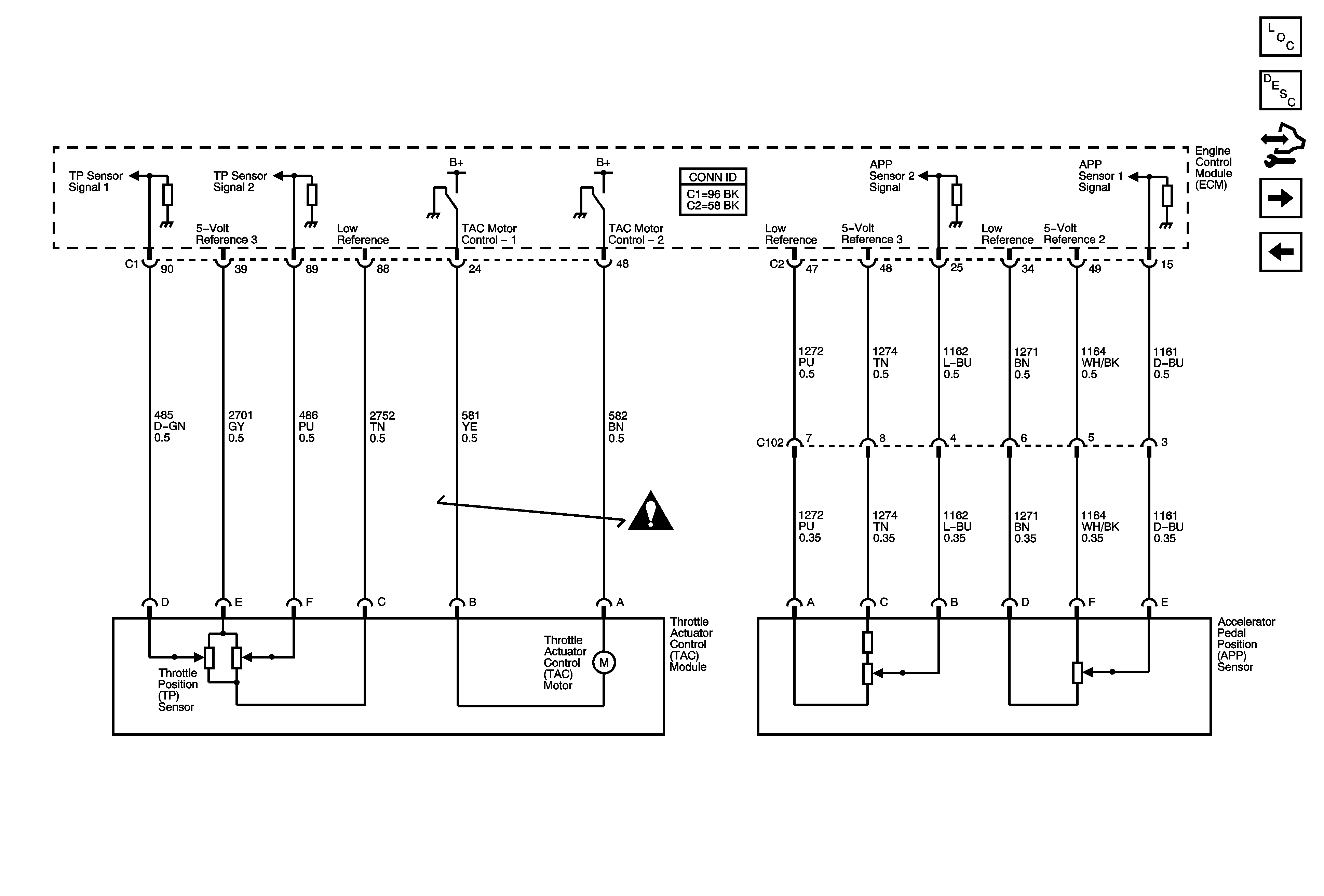
Engine Data Sensors - Throttle Actuator Controls
Engine Data Sensors - MAF and Engine Coolant Temp Sensor
Module Power, Ground, Serial Data and MIL
ECM 1 Fuse, EMISSION 1 Fuse, EMISSION 2 Fuse, and PWR/TRN Relay (LY7)
ECM 1 Fuse, EMISSION 1 Fuse, EMISSION 2 Fuse, and PWR/TRN Relay (LY7)
Figure 5:

Engine Data Sensors - Throttle Actuator Controls


Object Number: 1749304  Size: FS
Master Electrical Component List
Throttle Actuator Control (TAC) System Description
Control Module References
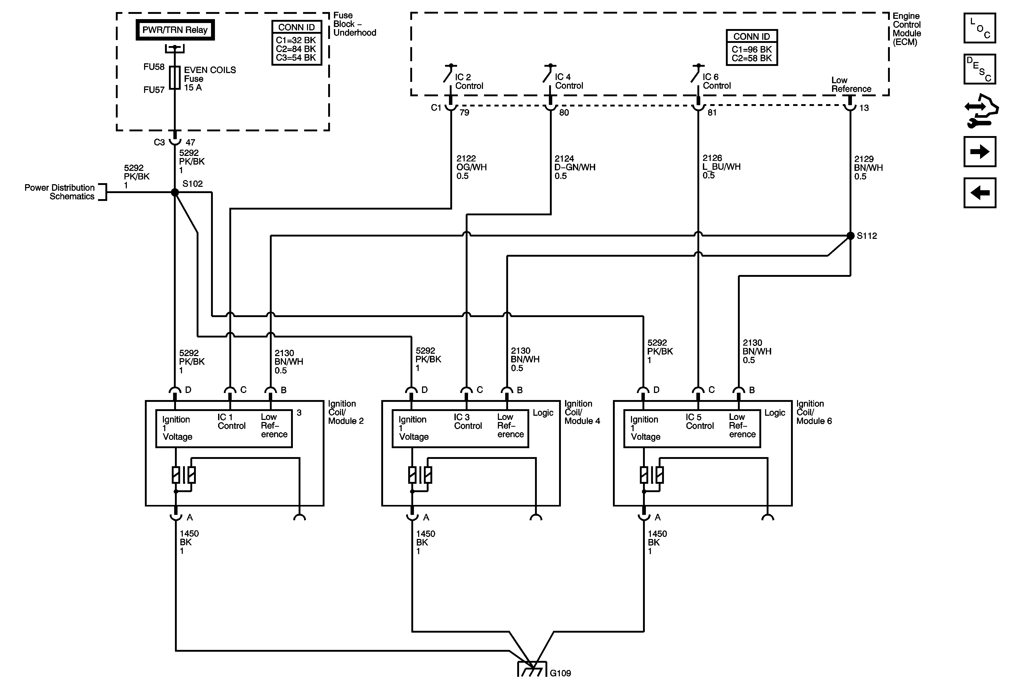
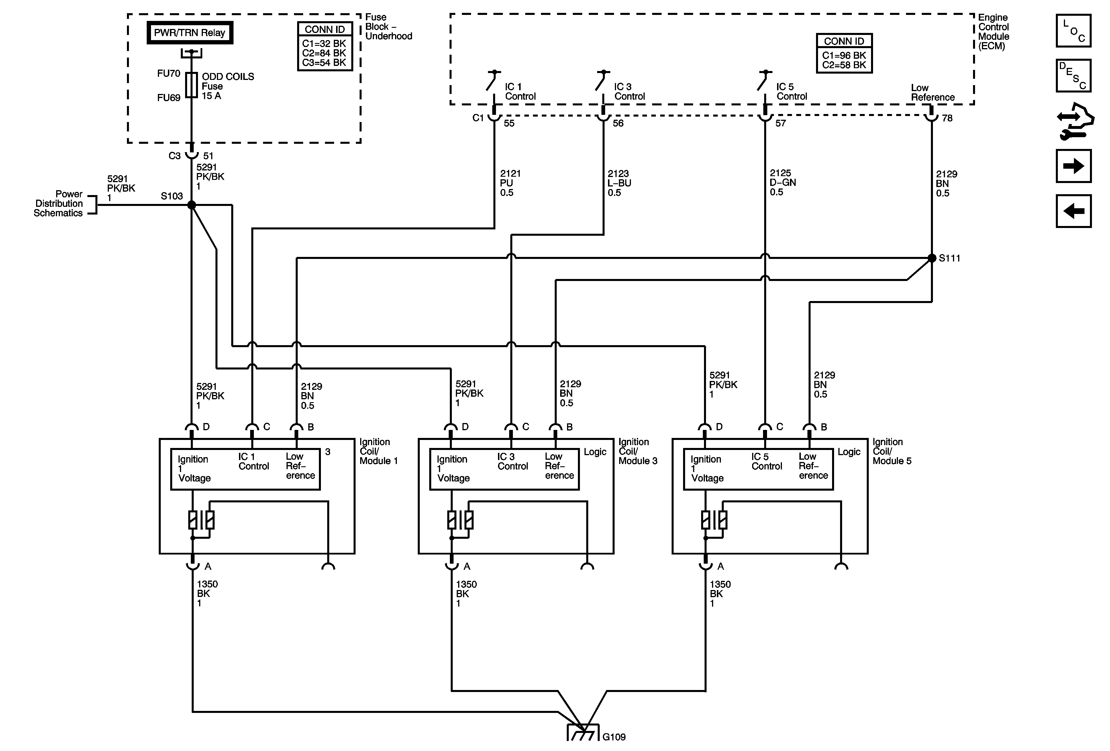
Ignition Controls - Bank 1 Ignition Coils
Engine Data Sensors - Oxygen Sensors
Engine Controls Schematic Icons
Figure 6:

Ignition Controls - Bank 1 Ignition Controls


Object Number: 1749305  Size: FS
Master Electrical Component List
Electronic Ignition (EI) System Description
Control Module References
Ignition Controls - Bank 2 Ignition Coils
Engine Data Sensors - Throttle Actuator Controls
Module Power, Ground, Serial Data and MIL
EVEN COIL Fuse and ODD COIL Fuse
G102, G105, G107, G108, G109, G110
Figure 7:

Ignition Controls - Bank 2 Ignition Coils


Object Number: 1749306  Size: FS
Master Electrical Component List
Electronic Ignition (EI) System Description
Control Module References
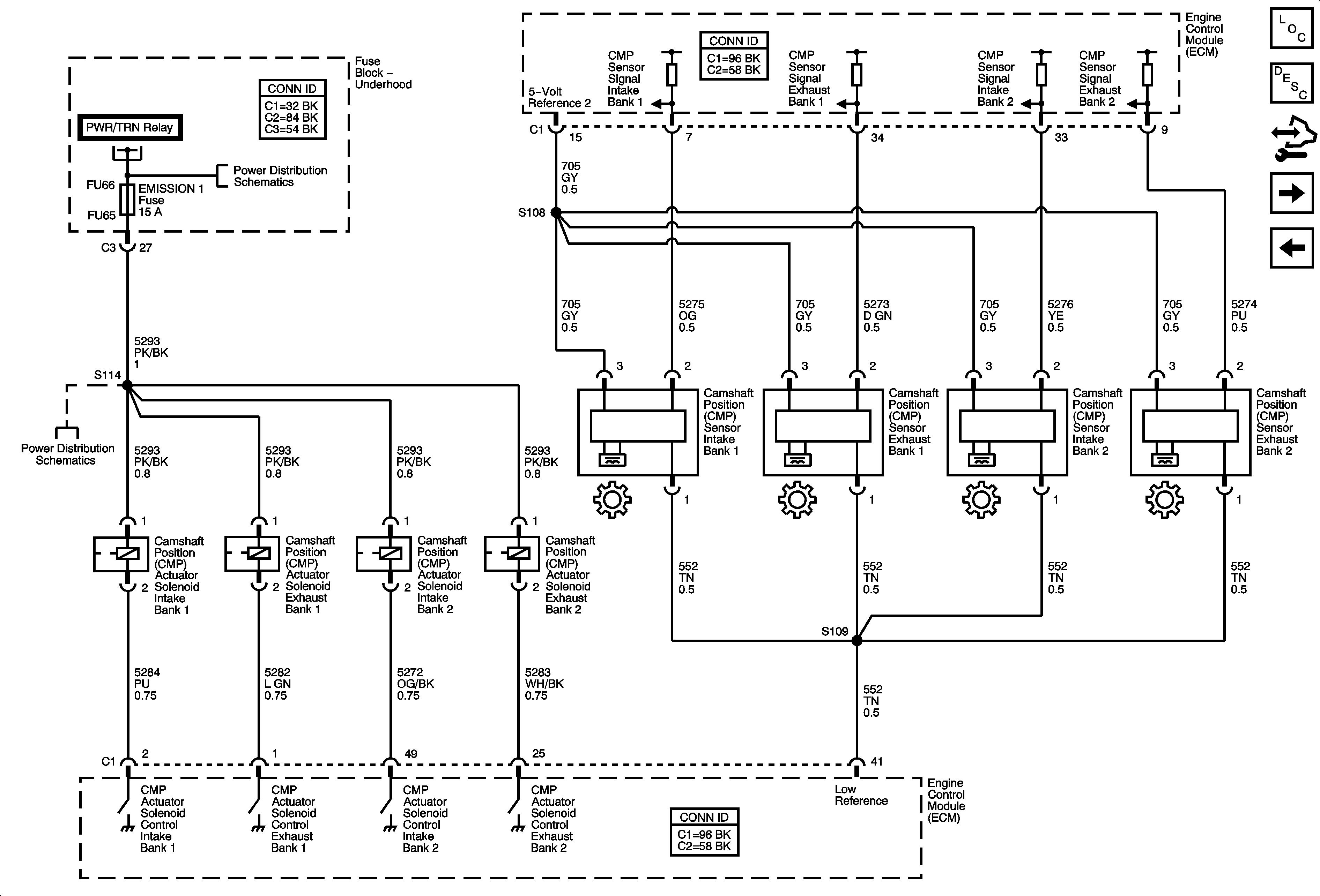
Ignition Controls - CMP Sensors and Solenoids
Ignition Controls - Bank 1 Ignition Coils
Module Power, Ground, Serial Data and MIL
EVEN COIL Fuse and ODD COIL Fuse
G102, G105, G107, G108, G109, G110
Figure 8:

Ignition Controls - CMP Sensors and Solenoids


Object Number: 1749307  Size: FS
Master Electrical Component List
Camshaft Actuator System Description
Control Module References
Ignition Controls - Crankshaft Position (CKP) and Knock Sensors
Ignition Controls - Bank 2 Ignition Coils
Module Power, Ground, Serial Data and MIL
Underhood Fuse Block B+ Bus - 1 of 2
ECM 1 Fuse, EMISSION 1 Fuse, EMISSION 2 Fuse, and PWR/TRN Relay (LY7)
Figure 9:

Crankshaft Position (CKP) and Knock Sensors


Object Number: 1749308  Size: FS
Master Electrical Component List
Electronic Ignition (EI) System Description
Control Module References
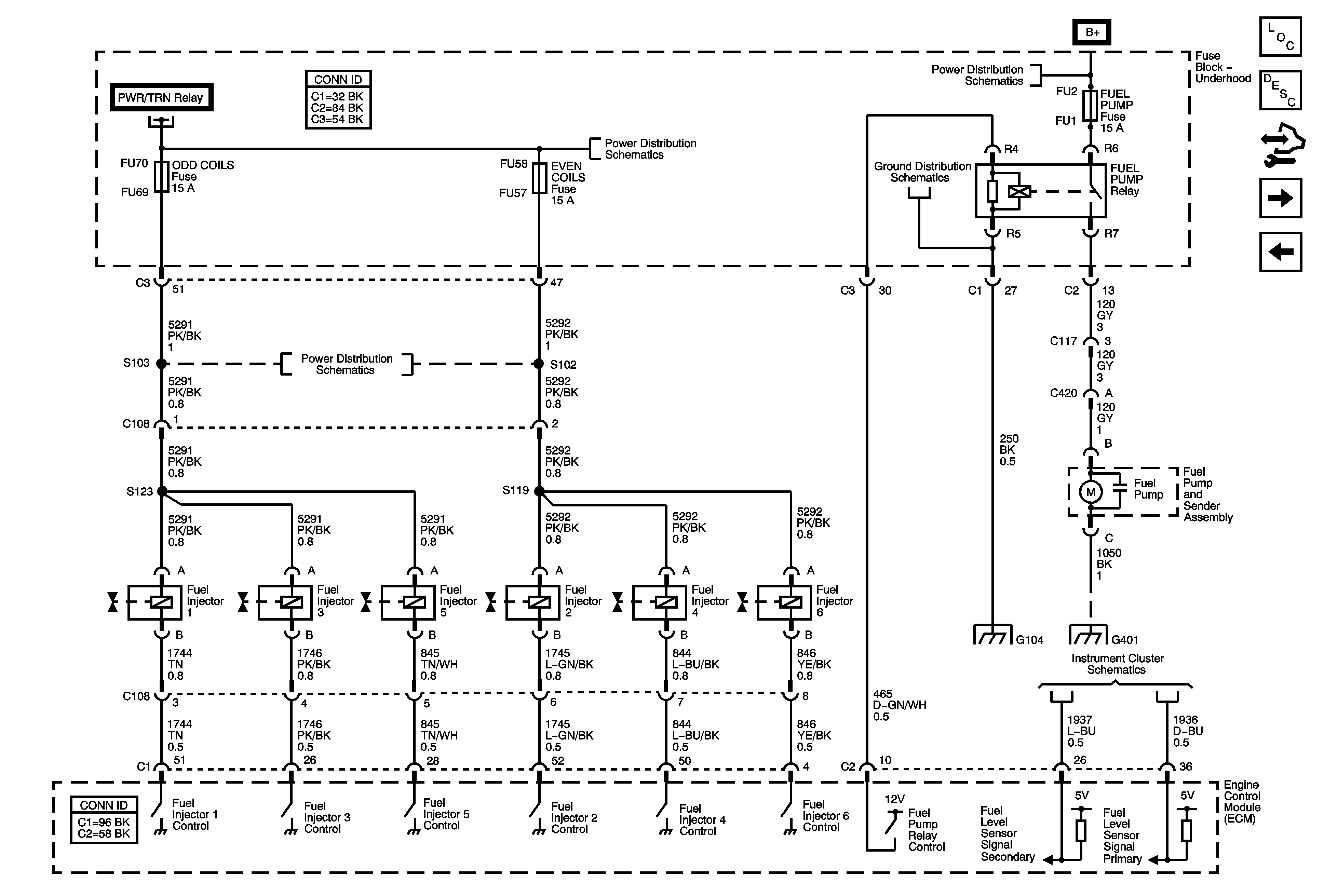
Fuel Controls - Fuel Pump and Injectors
Ignition Controls - CMP Sensors and Solenoids
Engine Controls Schematic Icons
Engine Controls Schematic Icons
Engine Controls Schematic Icons
Figure 10:

Fuel Controls - Fuel Pump and Injectors


Object Number: 1749309  Size: FS
Master Electrical Component List
Fuel System Description
Control Module References
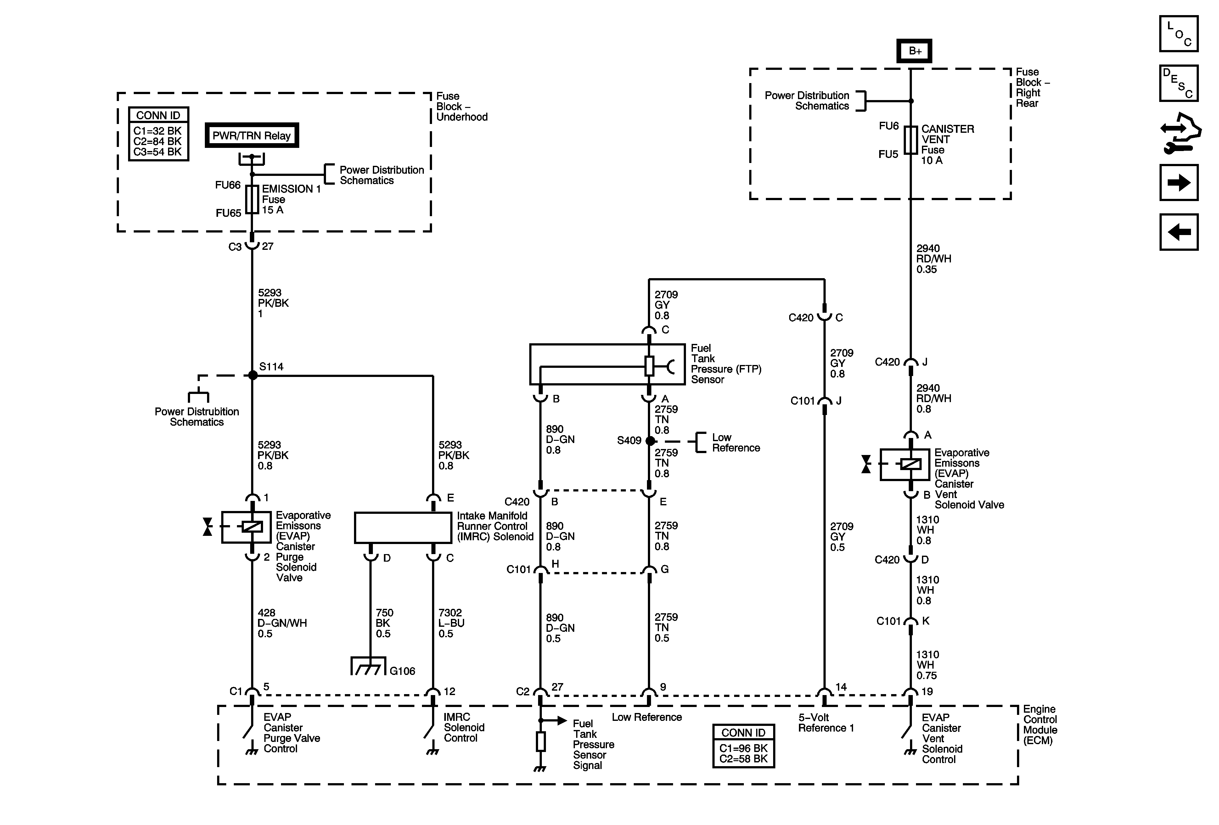
Fuel Controls - EVAP Controls
Ignition Controls - Crankshaft Position (CKP) and Knock Sensors
Module Power, Ground, Serial Data and MIL
Underhood Fuse Block B+ Bus - 1 of 2
Underhood Fuse Block B+ Bus - 1 of 2
G104 (2 of 2)
EVEN COIL Fuse and ODD COIL Fuse
G104 (1 of 2)
G401 (1 of 3)
Gages
Figure 11:

Fuel Controls - EVAP Controls


Object Number: 1749310  Size: FS
Master Electrical Component List
Evaporative Emission Control System Description
Control Module References
Controlled/Monitored Subsystem References
Fuel Controls - Fuel Pump and Injectors
Right Rear Fuse Block B+ Bus
Module Power, Ground, Serial Data and MIL
Underhood Fuse Block B+ Bus - 1 of 2
ECM 1 Fuse, EMISSION 1 Fuse, EMISSION 2 Fuse, and PWR/TRN Relay (LY7)
Engine Data Sensors - 5 Volt Reference
G106, G111, G306
Figure 12:

Controlled/Monitored Subsystem References


Object Number: 1749311  Size: FS
Master Electrical Component List
Engine Control Module Description
Control Module References
Fuel Controls - EVAP Controls
Starting System
Charging System
Cooling Fans
Indicators
A/C Compressor Controls
Stop Lamps - Domestic
Stop Lamps - Export
Power, Ground, Serial Data and Switches