GM Service Manual Online
For 1990-2009 cars only
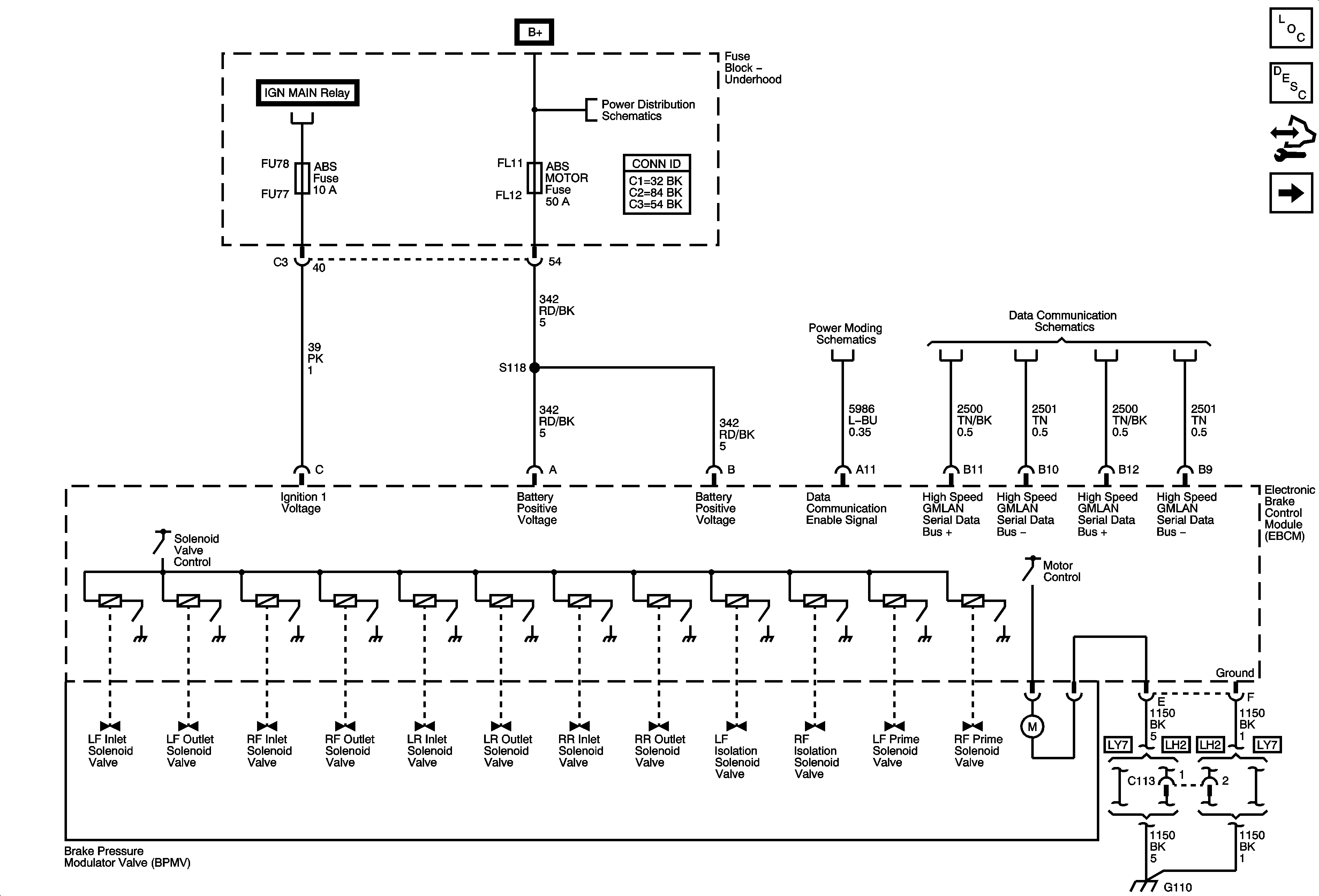
Figure 1:

Power, Ground and Serial Data


Object Number: 1749086  Size: FS
Master Electrical Component List
ABS Description and Operation
Control Module References
Wheel Speed Sensors
Ignition Power Modes - RUN
Underhood Fuse Block B+ Bus - 1 of 2
Power Modes - ACCY and RAP
High Speed GMLAN
G102, G105, G107, G108, G109, G110
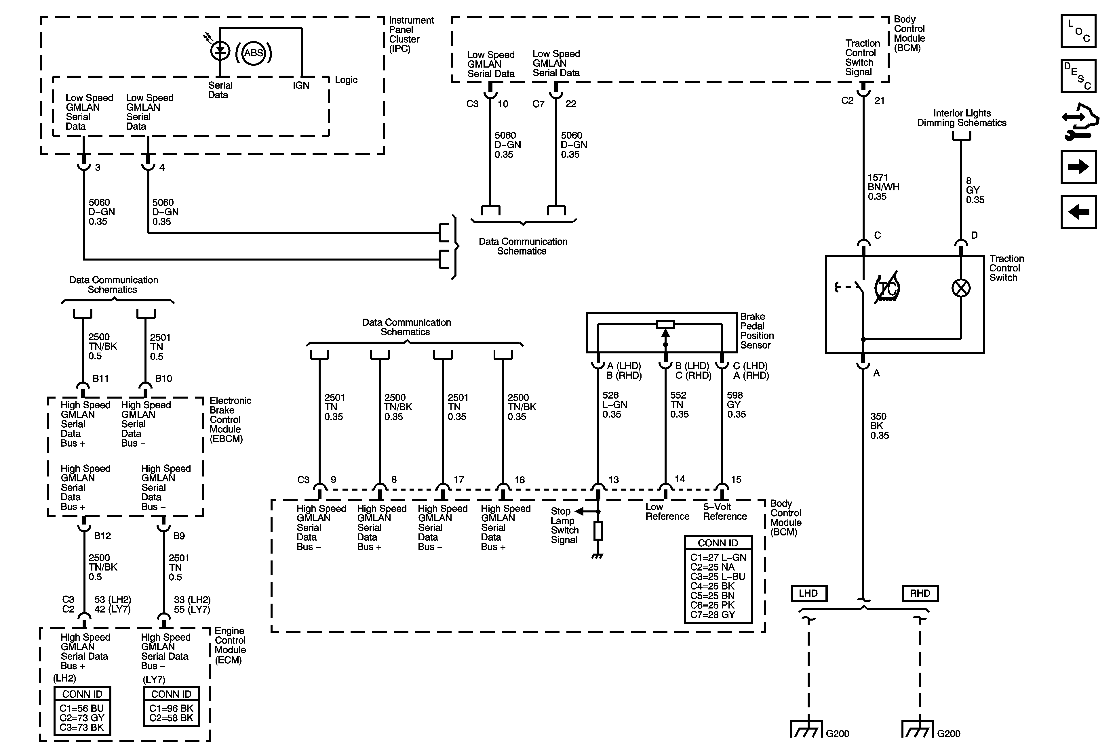
Figure 2:

Wheel Speed Sensors


Object Number: 1749088  Size: FS
Master Electrical Component List
ABS Description and Operation
Control Module References
Indicator, Traction Control, and Brake Pedal Position Sensor
Power, Ground and Serial Data
Antilock Brake System Schematic Icons
Antilock Brake System Schematic Icons
Antilock Brake System Schematic Icons
Antilock Brake System Schematic Icons
Antilock Brake System Schematic Icons
Antilock Brake System Schematic Icons
Figure 3:

Indicator, Traction Control, and Brake Pedal Position


Object Number: 1749090  Size: FS
Master Electrical Component List
ABS Description and Operation
Control Module References
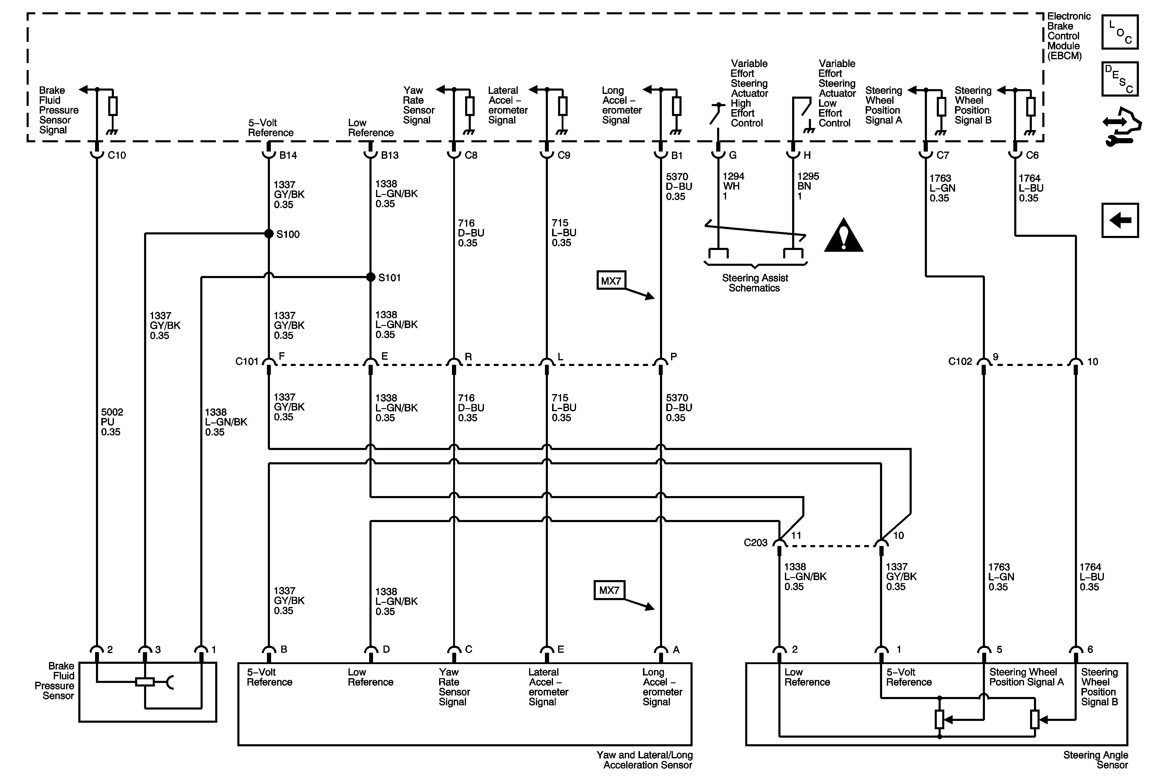
Stability Control System and Brake Fluid Pressure Sensor
Wheel Speed Sensors
Dimming Lamps (1 of 3)
High Speed GMLAN
Low Speed GMLAN Serial Data 1 of 2
High Speed GMLAN
G200 (1 of 2) LHD
G200 2 OF 2 (RHD)
Figure 4:

Stability Control System and Brake Fluid Pressure Sensor


Object Number: 1749092  Size: FS
Master Electrical Component List
ABS Description and Operation
Control Module References
Indicator, Traction Control, and Brake Pedal Position Sensor
Antilock Brake System Schematic Icons
Variable Effort Steering Schematic