GM Service Manual Online
For 1990-2009 cars only
Makes
🢒
Cadillac
🢒
2007
🢒
SRX
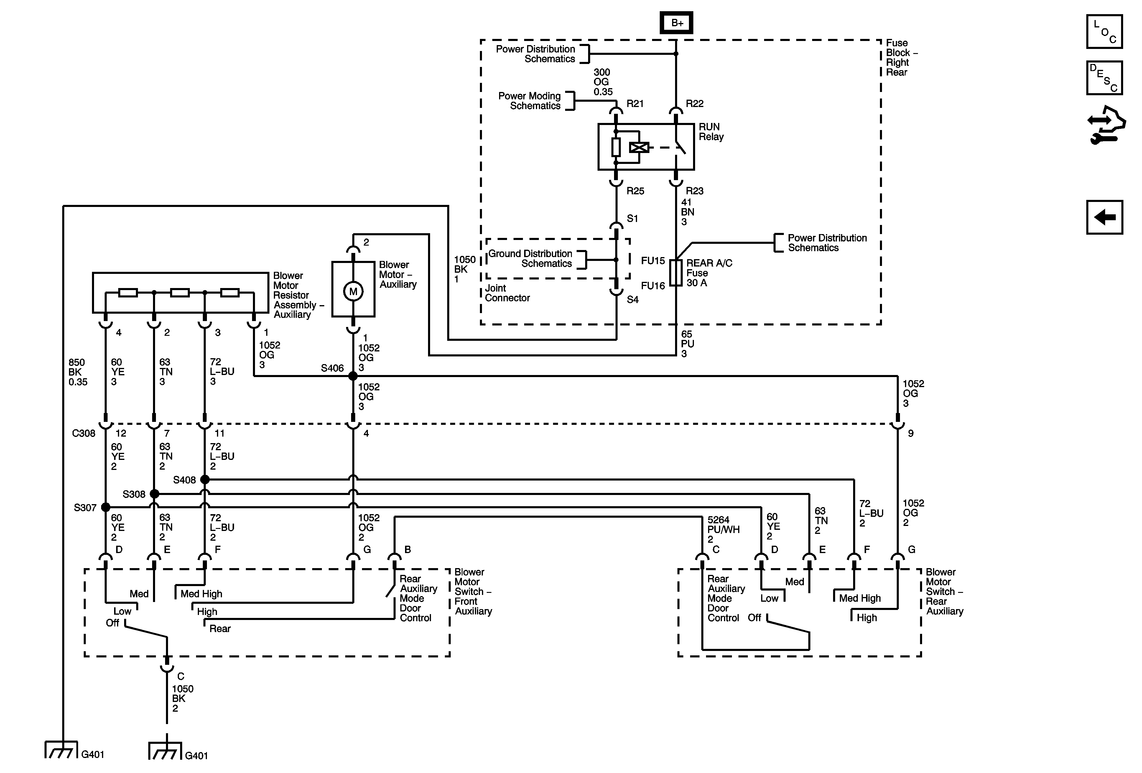
🢒 Auxiliary Blower Motor (C57)
Auxiliary Blower Motor (C57)
Auxiliary Blower Motor (C57)
Master Electrical Component List
Air Delivery Description and Operation
Control Module References
Air Sensors
Right Rear Fuse Block B+ Bus
Ignition Power Modes - RUN
Right Rear Fuse Block B+ Bus
G102, G105, G107, G108, G109, G110
G401 (1 of 3)
G401 (1 of 3)