GM Service Manual Online
For 1990-2009 cars only
Makes
🢒
Cadillac
🢒
2007
🢒
SRX
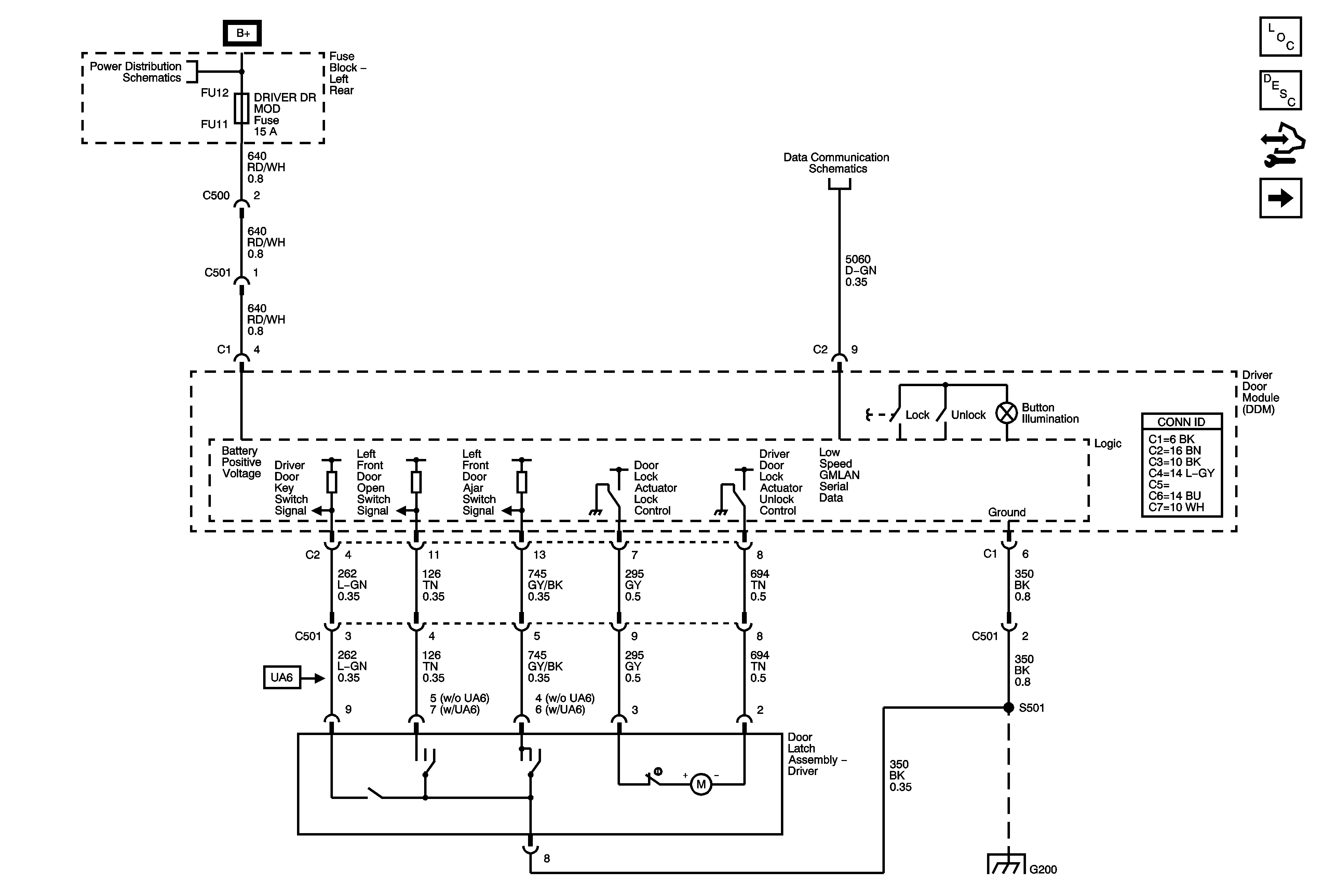
🢒 Driver Door Lock (LHD)
Driver Door Lock (LHD)
Driver Door Lock (LHD)
Master Electrical Component List
Power Door Locks Description and Operation
Control Module References
Driver Door Lock (RHD)
Left Rear Fuse Block B+ Bus
Low Speed GMLAN Serial Data 1 of 2
G200 (2 of 2) LHD