GM Service Manual Online
For 1990-2009 cars only

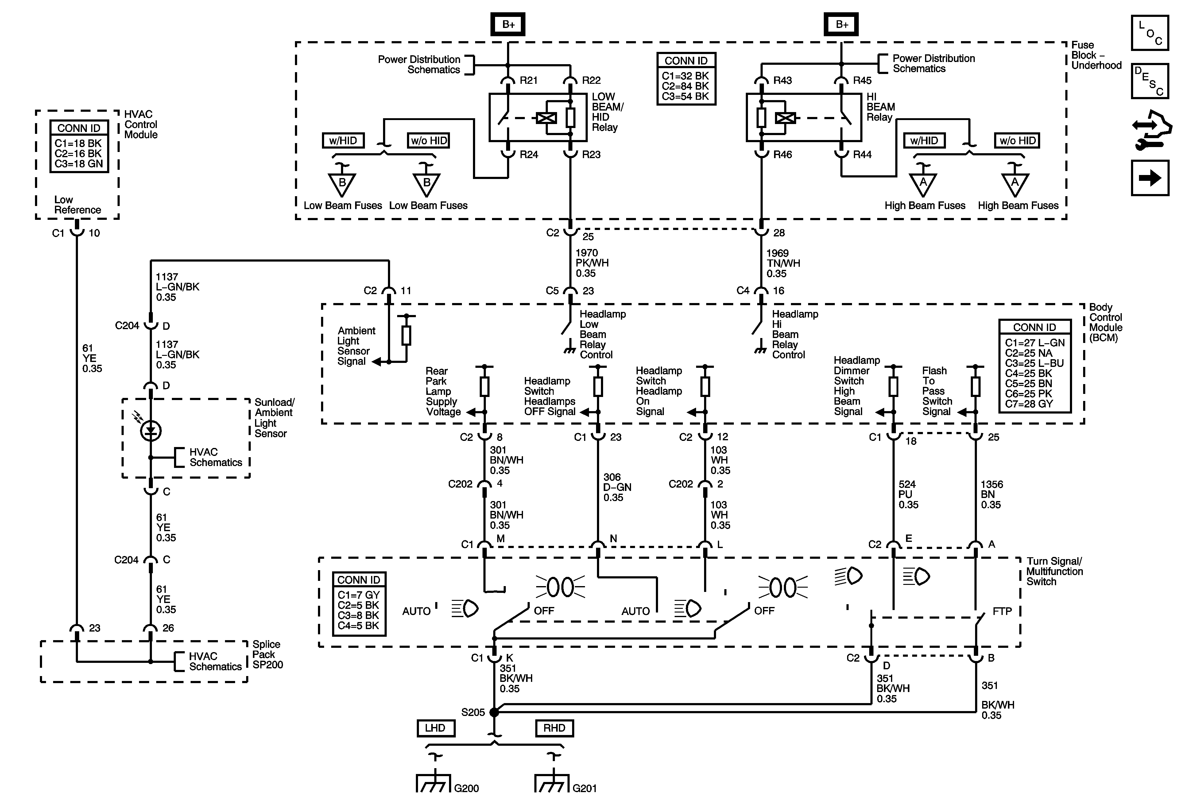
Headlamp Controls

Headlamp Controls


Object Number: 1749606  Size: FS
Master Electrical Component List
Exterior Lighting Systems Description and Operation
Control Module References
Headlamps (w/o HID)
Underhood Fuse Block B+ Bus - 2 of 2
Headlamps (w/HID)
Headlamps (w/o HID)
Headlamps (w/HID)
Headlamps (w/o HID)
Air Sensors
Air Sensors
G200 (1 of 2) LHD
G201 (RHD)