GM Service Manual Online
For 1990-2009 cars only
Makes
🢒
Cadillac
🢒
2007
🢒
SRX
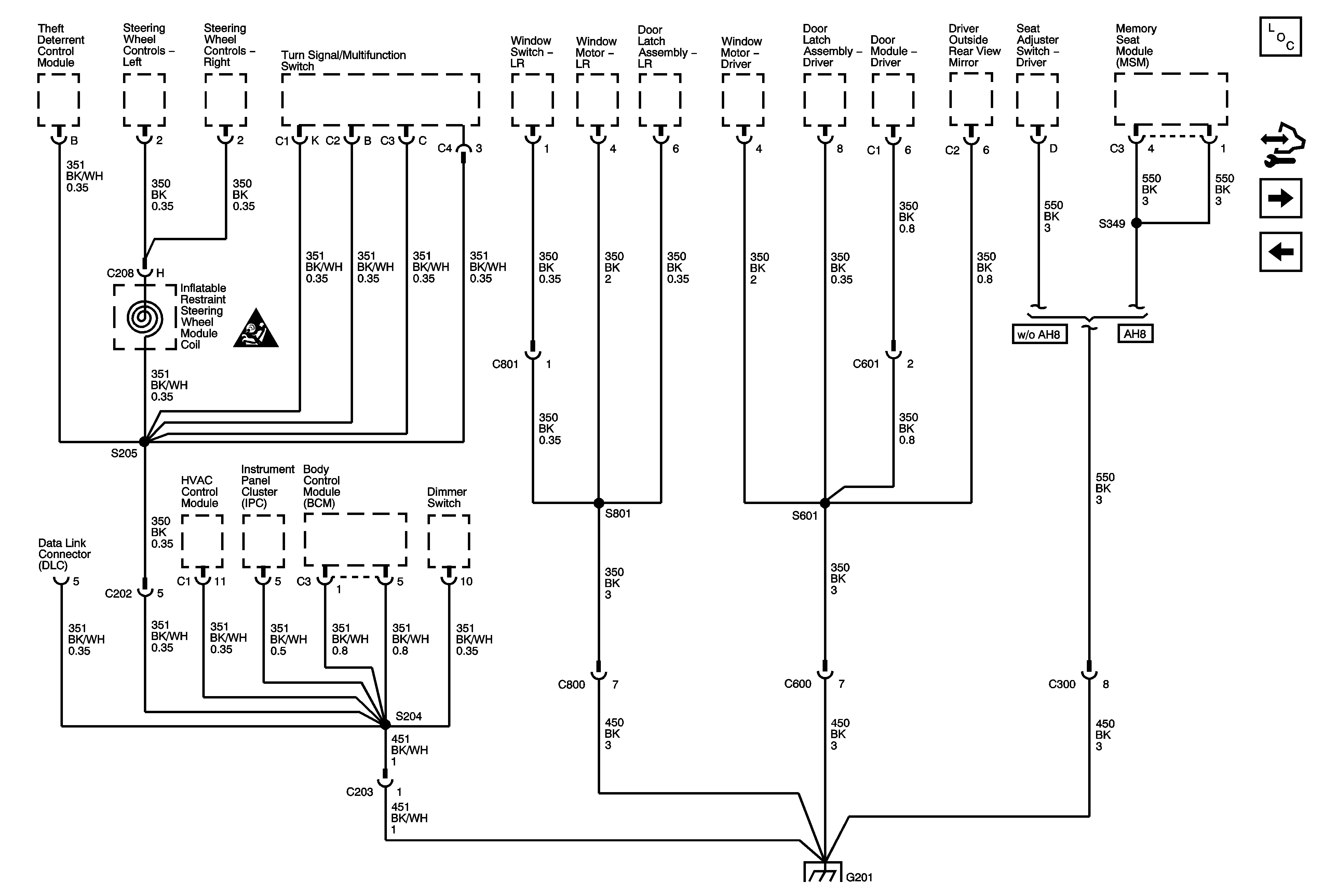
🢒 G201 (RHD)
G201 (RHD)
G201 (RHD)
Master Electrical Component List
Control Module References
G401 (1 of 3)
G201 (LHD)
Power and Grounding Schematic Icons