GM Service Manual Online
For 1990-2009 cars only
Makes
🢒
Cadillac
🢒
2007
🢒
SRX
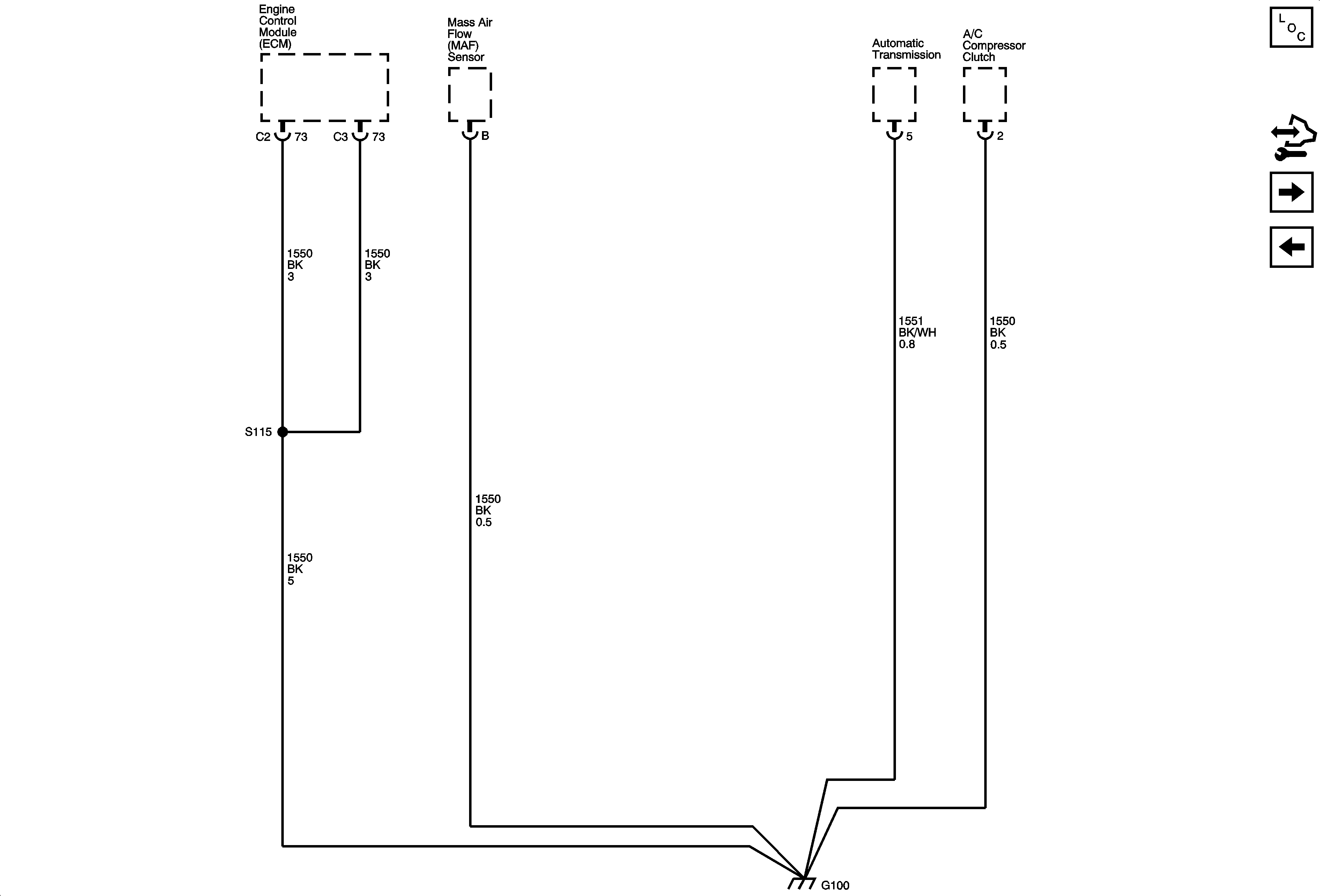
🢒 G100 (LH2)
G100 (LH2)
G100 (LH2)
Master Electrical Component List
Control Module References
G101
G106, G111, G306