GM Service Manual Online
For 1990-2009 cars only
Makes
🢒
Cadillac
🢒
2007
🢒
SRX
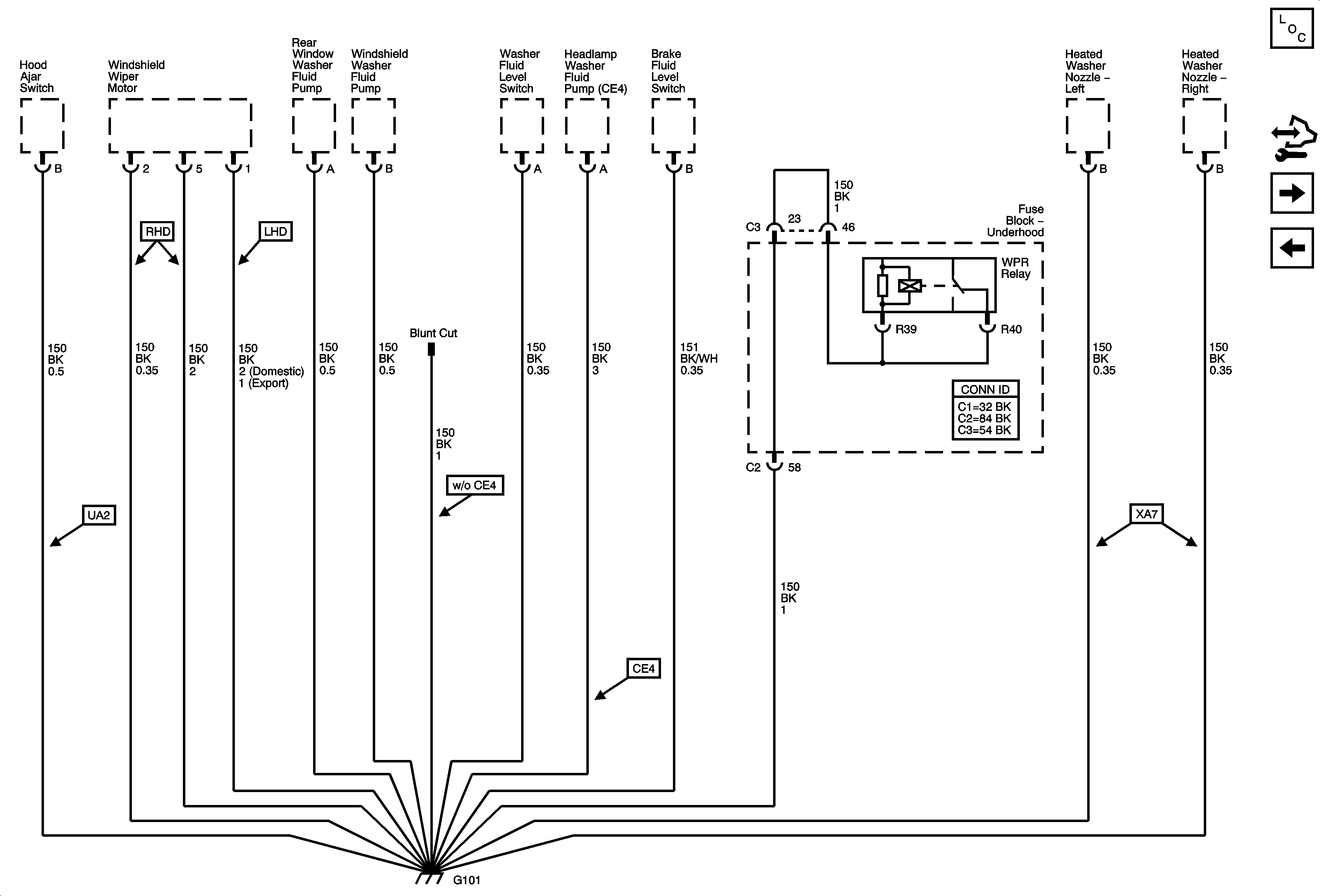
🢒 G101
G101
G101
Master Electrical Component List
Control Module References
G104 (1 of 2)
G100 (LH2)