GM Service Manual Online
For 1990-2009 cars only
Makes
🢒
Cadillac
🢒
2007
🢒
SRX
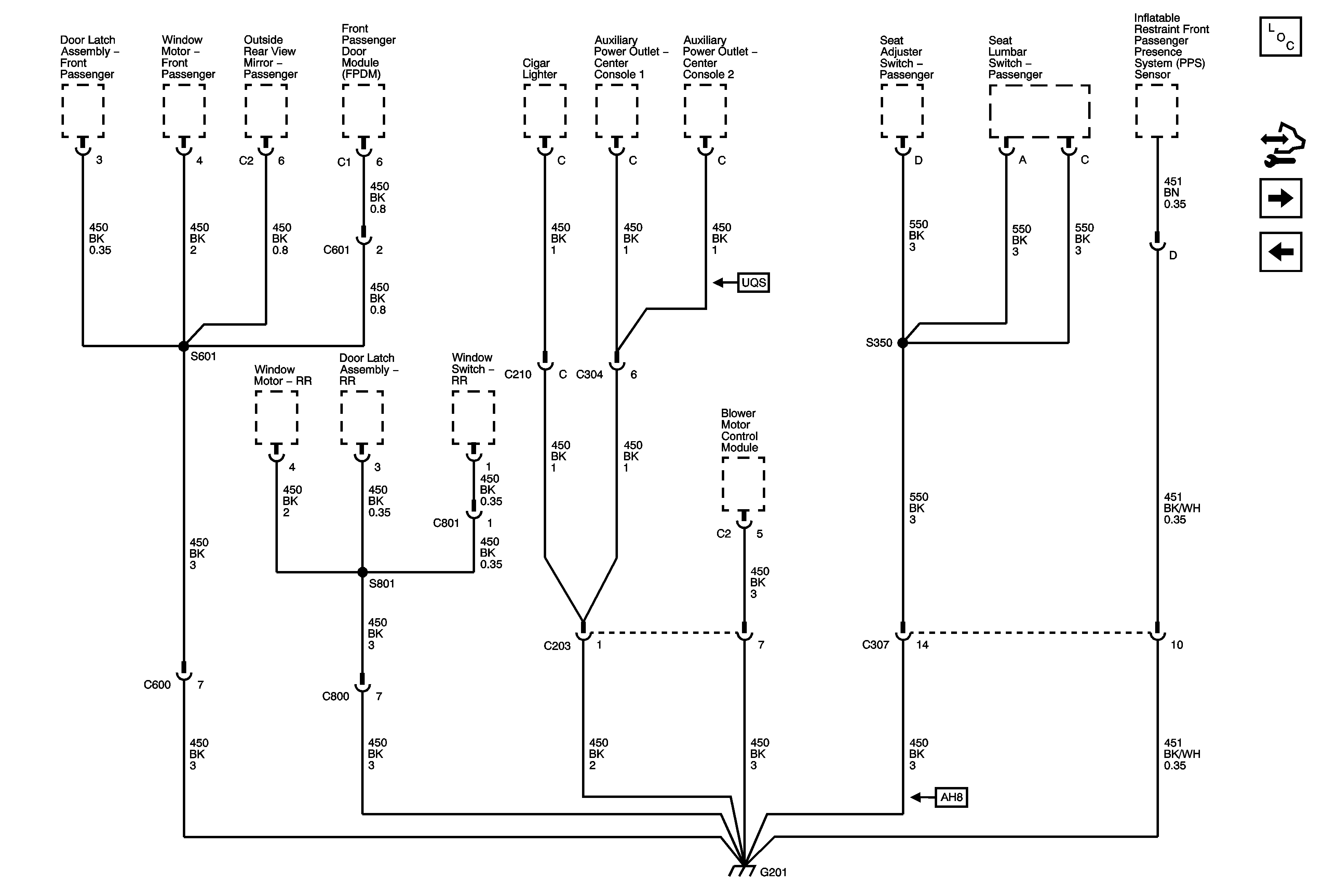
🢒 G201 (LHD)
G201 (LHD)
G201 LHD
Master Electrical Component List
Control Module References
G201 (RHD)
G200 2 OF 2 (RHD)