GM Service Manual Online
For 1990-2009 cars only
Makes
🢒
Cadillac
🢒
2007
🢒
SRX
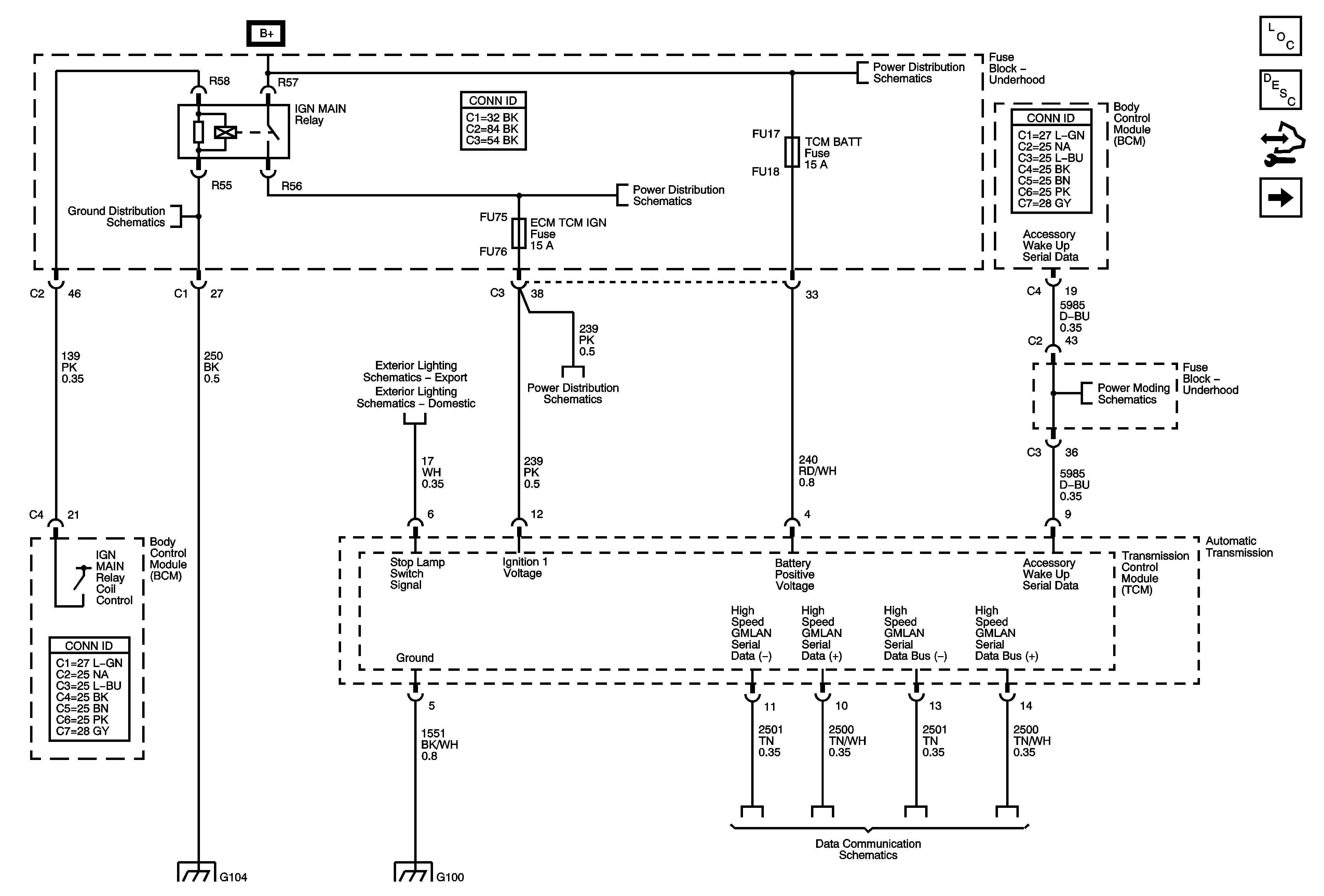
🢒 Module Power, Ground, Serial Data
Module Power, Ground, Serial Data
Module Power, Ground, Serial Data
Master Electrical Component List
Electronic Component Description
Control Module References
Pressure Controls - 1 of 2 and Shift Controls
Underhood Fuse Block B+ Bus - 2 of 2
Underhood Fuse Block B+ Bus - 2 of 2
G104 (2 of 2)
Stop Lamps - Export
Stop Lamps - Domestic
IGN MAIN Relay, ABS IGN Fuse, AIRBAG Fuse, ECM TCM IGN Fuse, and MISC IGN Fuse
Power Modes - ACCY and RAP
G104 (2 of 2)
G100 (LH2)
High Speed GMLAN