GM Service Manual Online
For 1990-2009 cars only
Makes
🢒
Cadillac
🢒
2005
🢒
STS
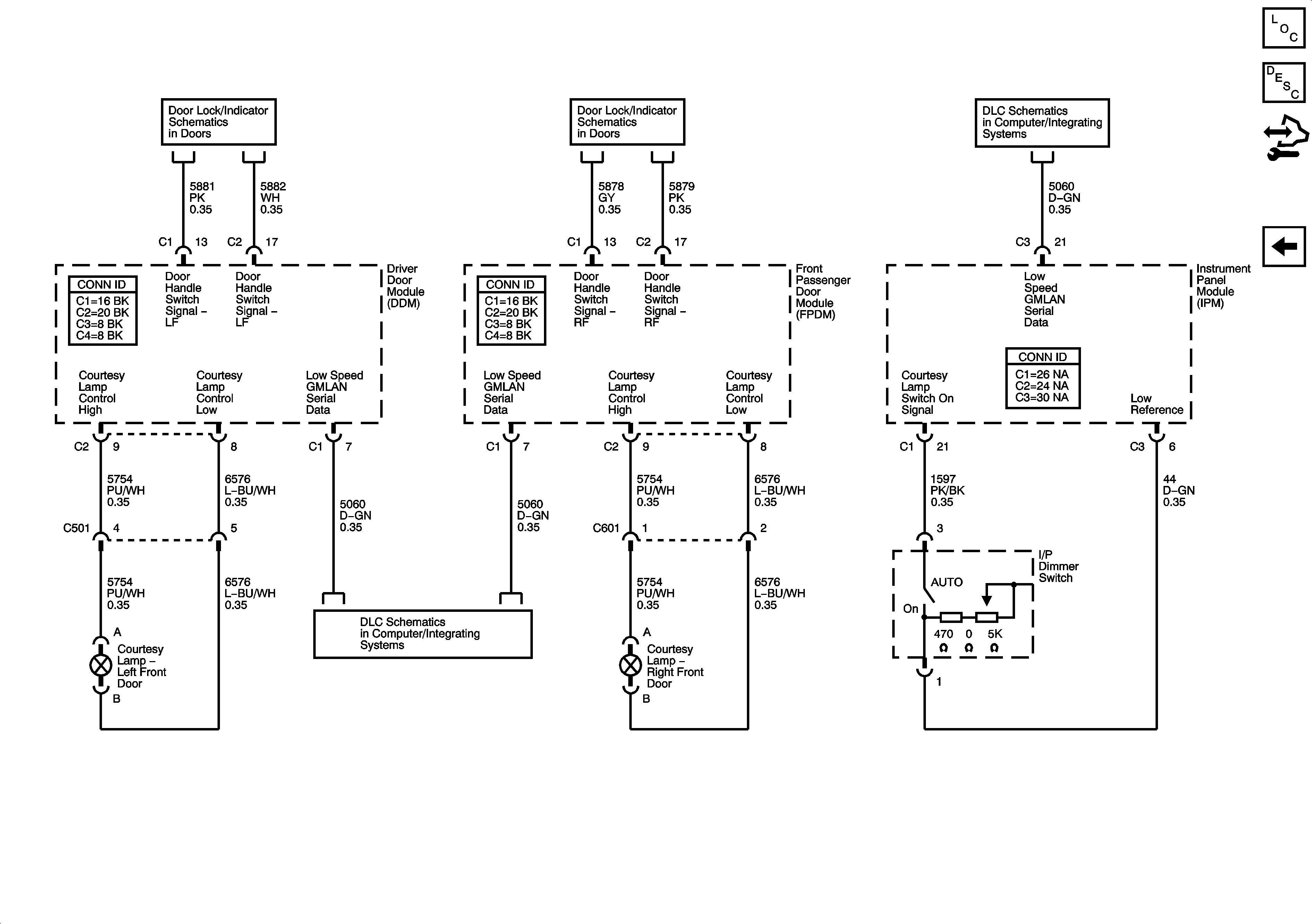
🢒 DLC, Front Door Puddle Lamps, DIC/Dimmer Switch
DLC, Front Door Puddle Lamps, DIC/Dimmer Switch
Front Door Puddle Lamps, DIC/Dimmer Switch
Master Electrical Component List
Interior Lighting Systems Description and Operation
Control Module References
Vanity Mirrors and Rear Compartment Lamp
Left Front Door Handle Assembly
Right Front Door Handle Assembly
GMLAN Low Speed 2 of 2
GMLAN Low Speed 1 of 2