GM Service Manual Online
For 1990-2009 cars only
Makes
🢒
Cadillac
🢒
2005
🢒
STS
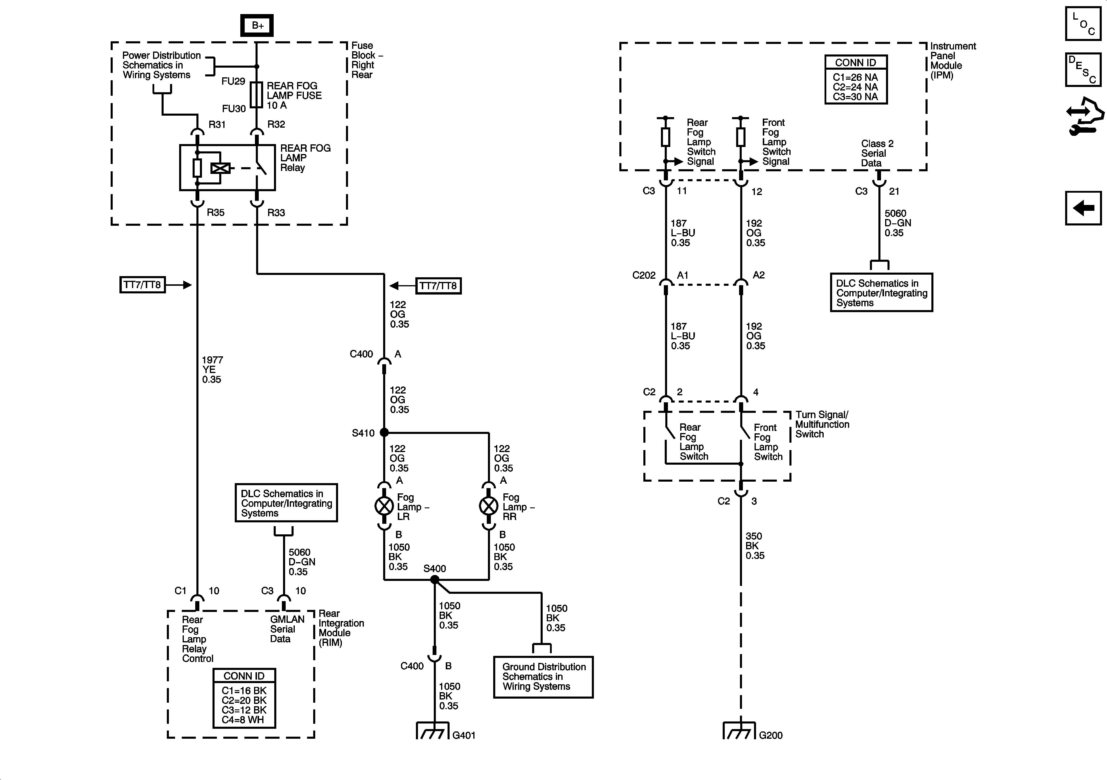
🢒 Rear Fog Lamps - Export
Rear Fog Lamps - Export
Rear Fog Lamps - Export
Master Electrical Component List
Exterior Lighting Systems Description and Operation
Control Module References
Front Fog Lamps
Fuse Block Right Rear: LT Turn Signal, RIM(1), Rear Fog Lamp, FT Passenger Door Module, Heated Steering Column, IGN 1, RIM(2) and Airbag Fuses; Rear Fog Lamp and IGN 1 Relays
GMLAN Low Speed 2 of 2
GMLAN Low Speed 1 of 2
G401 (2 of 2)
G401 (2 of 2)
G200 (2 of 2)