GM Service Manual Online
For 1990-2009 cars only
Makes
🢒
Cadillac
🢒
2005
🢒
STS
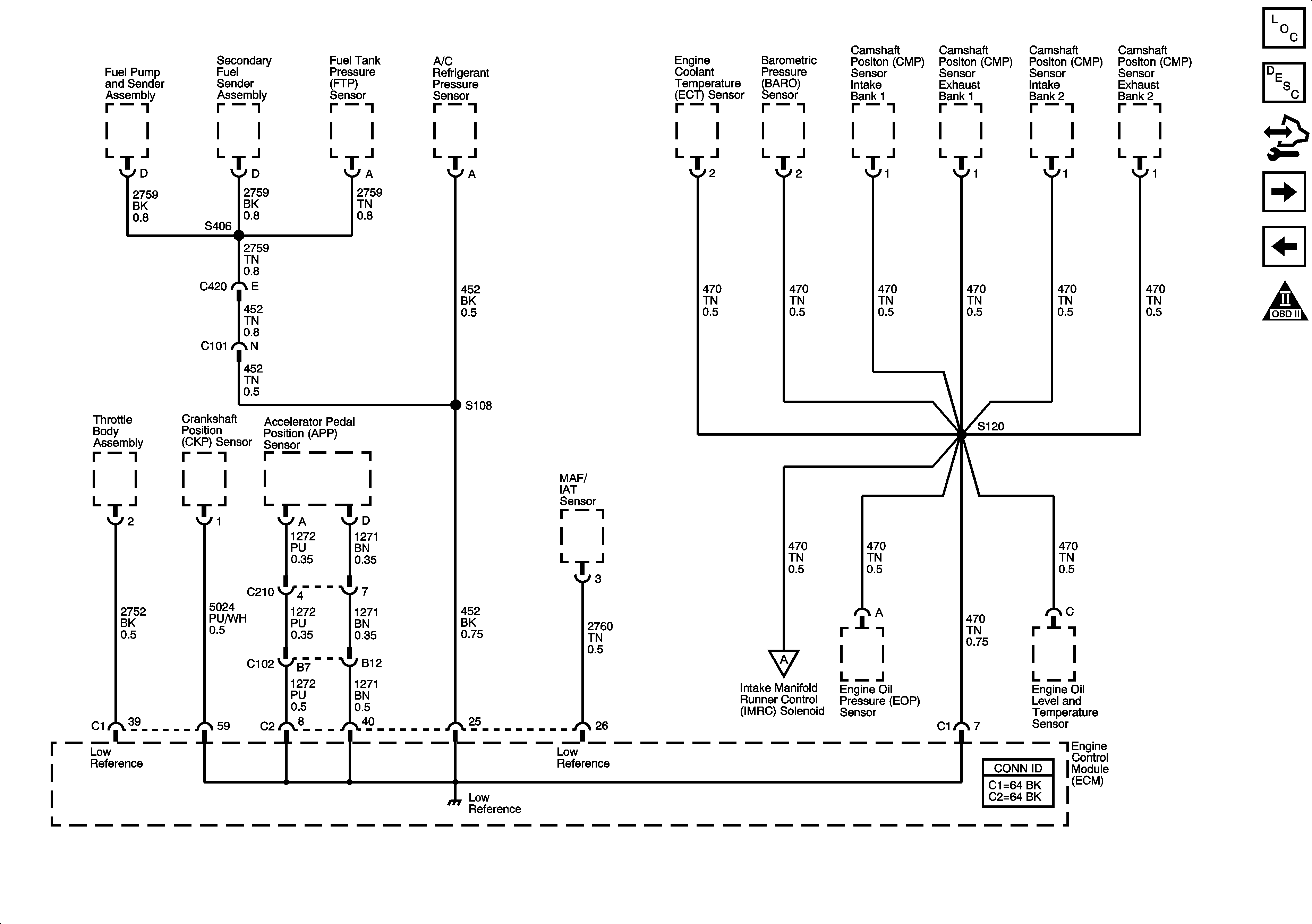
🢒 Engine Data Sensors - Low Reference Bus
Engine Data Sensors - Low Reference Bus
Engine Data Sensors - Low Reference Bus
Master Electrical Component List
Engine Control Module Description
Control Module References
Engine Data Sensors - Pressure, Temperature, MAF, VSS
Engine Data Sensors - 5 Volt Reference Bus
Engine Controls Schematic Icons
Ignition Controls -Crankshaft Position (CKP) and Knock Sensors