GM Service Manual Online
For 1990-2009 cars only
Makes
🢒
Cadillac
🢒
2005
🢒
STS
🢒 Ignition Controls -Crankshaft Position (CKP) and Knock Sensors
Ignition Controls -Crankshaft Position (CKP) and Knock Sensors
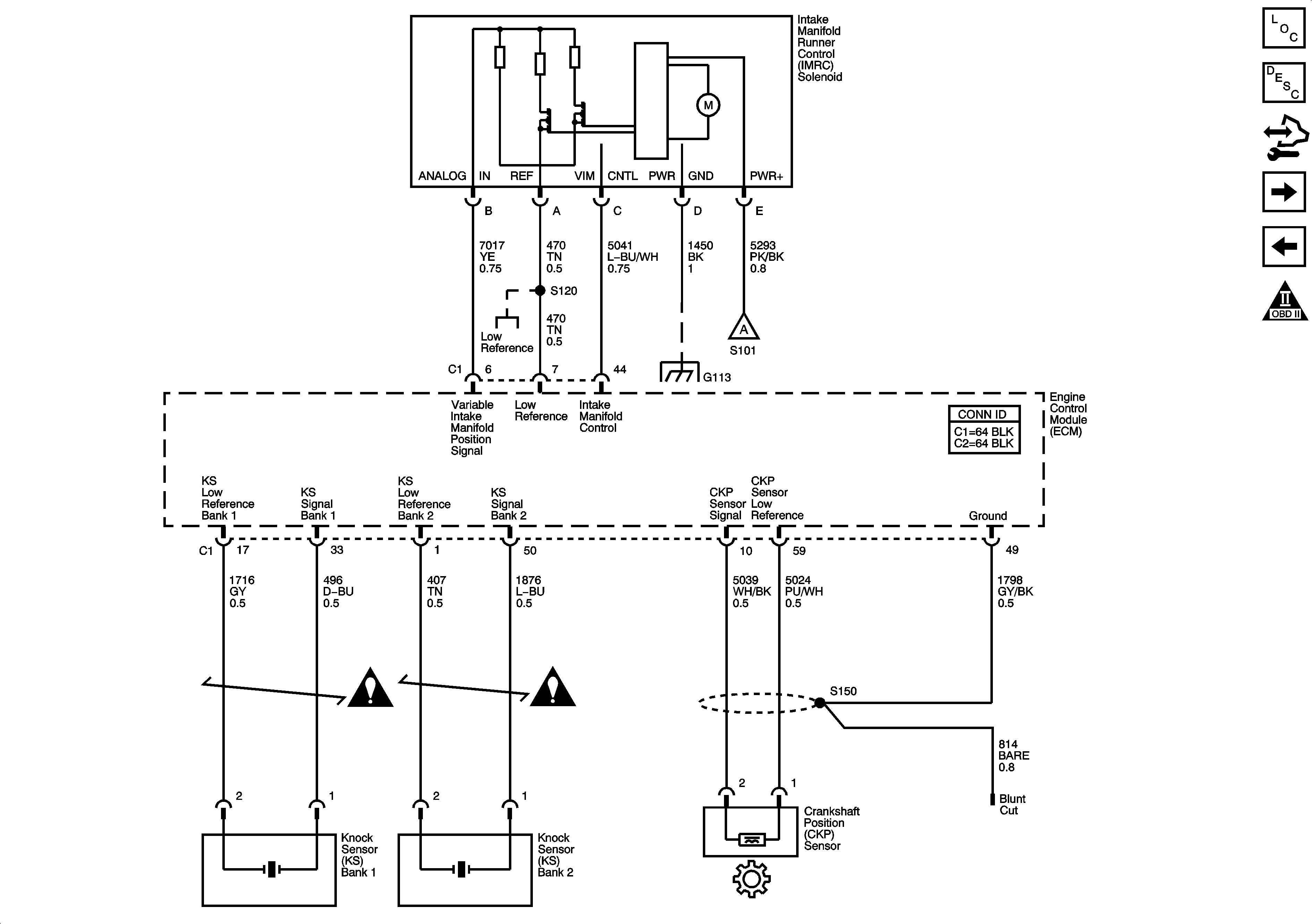
Ignition Controls - CKP, Knock Sensors and IMRC Solenoid
Master Electrical Component List
Engine Control Module Description
Control Module References
Fuel Controls - Fuel Pump and Injectors
Camshaft Position (CMP) Sensors and Solenoids
Engine Controls Schematic Icons
Engine Data Sensors - Low Reference Bus
Camshaft Position (CMP) Sensors and Solenoids
Engine Controls Schematic Icons
Engine Controls Schematic Icons