GM Service Manual Online
For 1990-2009 cars only
Makes
🢒
Cadillac
🢒
2005
🢒
STS
🢒 Body Rear End Schematics
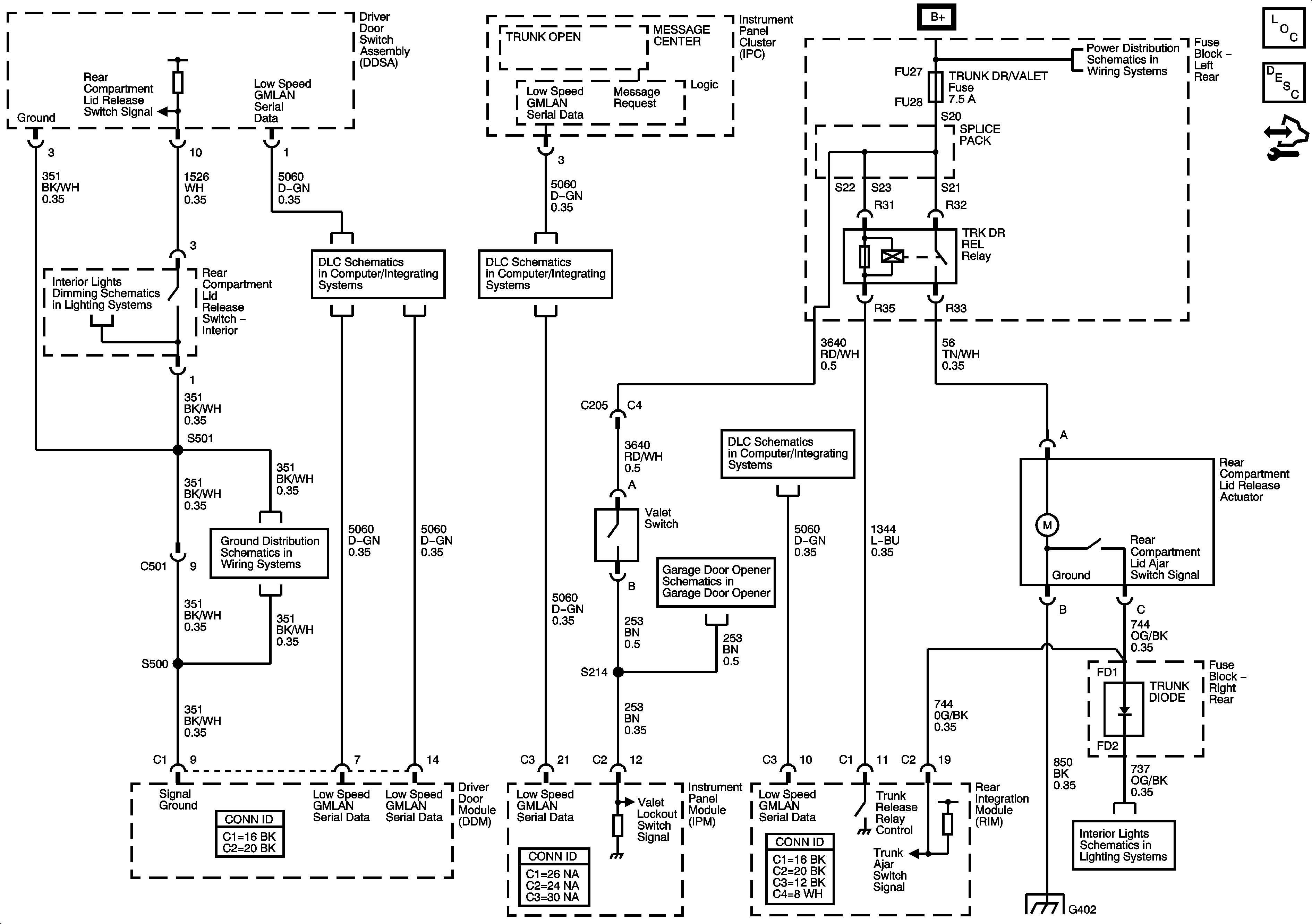
Body Rear End Schematics
Master Electrical Component List
Luggage Compartment Description and Operation
Control Module References
Dimming Lamps (3 of 3)
GMLAN Low Speed 1 of 2
GMLAN Low Speed 2 of 2
Fuse Block Left Rear Bussing
G200 (1 of 2)
Garage Door Opener Schematics
GMLAN Low Speed 1 of 2
G402 (1 of 2)
Vanity Mirrors and Rear Compartment Lamp