GM Service Manual Online
For 1990-2009 cars only
Makes
🢒
Cadillac
🢒
2005
🢒
STS
🢒 Stability Control System
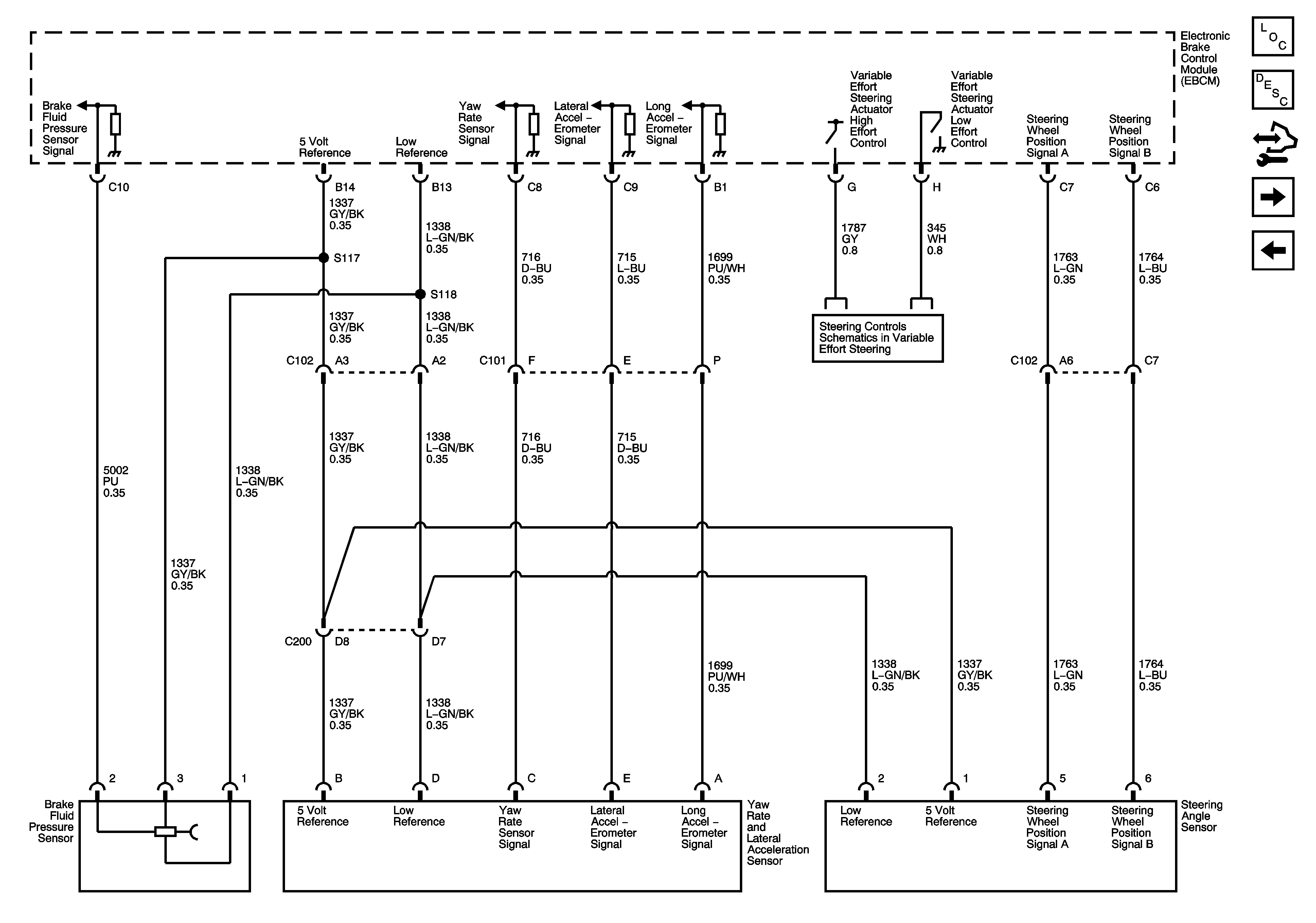
Stability Control System
Stability Control System
Master Electrical Component List
ABS Description and Operation
Control Module References
Indicator and Traction Control
Wheel Speed Sensors
Steering Assist Schematics