GM Service Manual Online
For 1990-2009 cars only
Makes
🢒
Cadillac
🢒
2005
🢒
STS
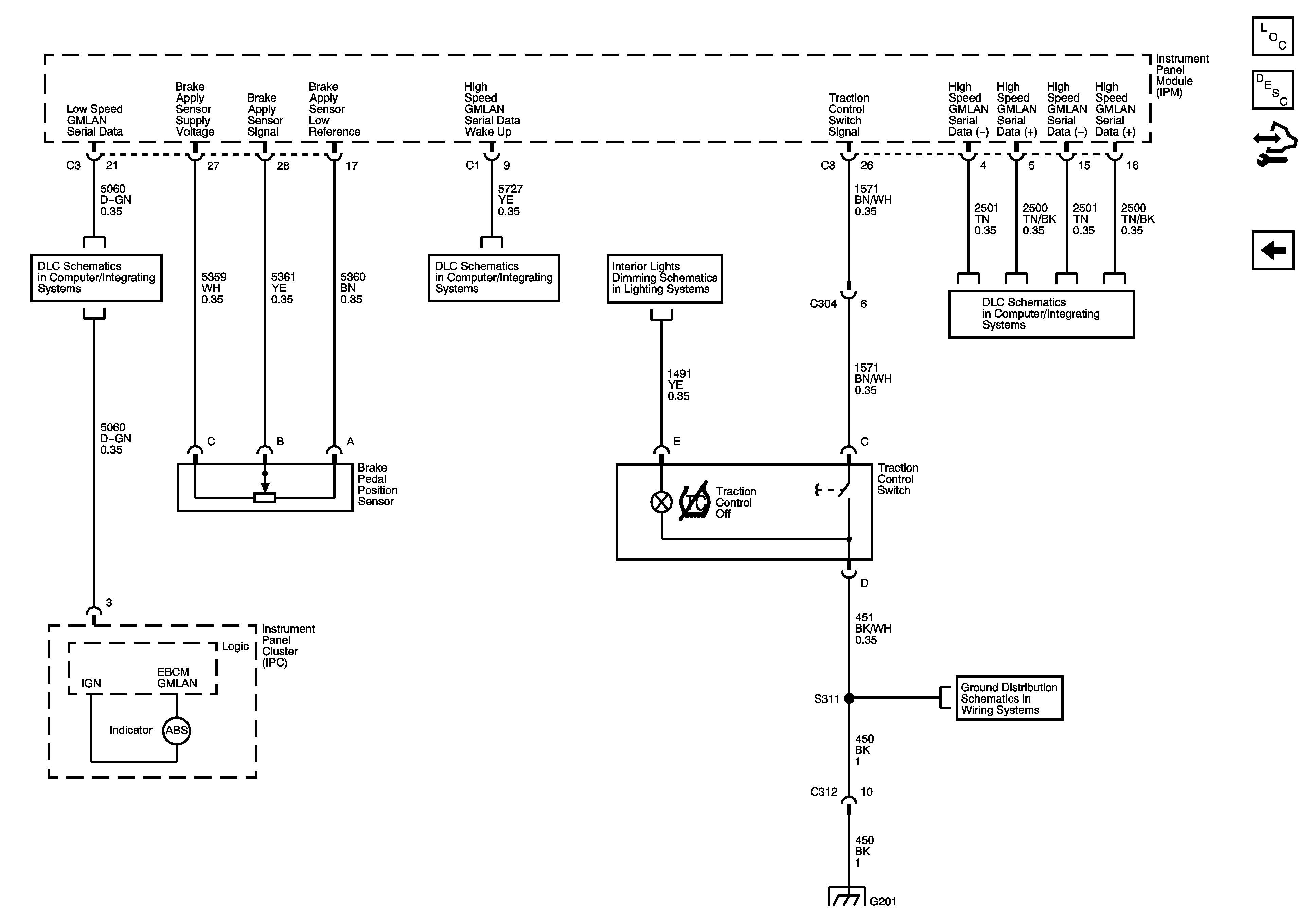
🢒 Indicator and Traction Control
Indicator and Traction Control
Indicator and Traction Control
Master Electrical Component List
ABS Description and Operation
Control Module References
Stability Control System
GMLAN Low Speed 2 of 2
GMLAN High Speed Serial Data Wake up
Dimming Lamps (1 of 3)
Data Link Connector Schematics
G201 (1 of 2)
G201 (1 of 2)