GM Service Manual Online
For 1990-2009 cars only
Makes
🢒
Cadillac
🢒
2005
🢒
STS
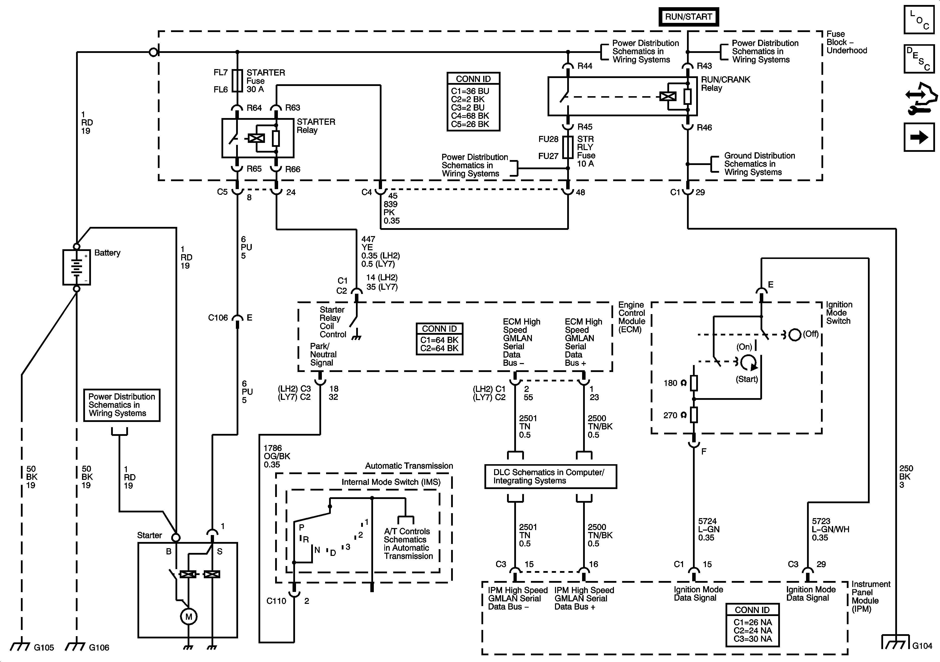
🢒 Starting System - LY7
Starting System - LY7
Starting System - LY7
Master Electrical Component List
Starting System Description and Operation
Control Module References
Charging System
Starting System - LH2
Fuse Block Underhood Bussing
Fuse Block Right Rear: LT Turn Signal, RIM(1), Rear Fog Lamp, FT Passenger Door Module, Heated Steering Column, IGN 1, RIM(2) and Airbag Fuses; Rear Fog Lamp and IGN 1 Relays
Fuse Block-Underhood: Starter IGN 1 Relays; Starter, Starter Relay, CCP, TCM/IPM/ECM, MAF, ABS and Washer Nozzle/ACC Fuses
G104 (1 of 2)
Fuse Block Underhood Bussing
GMLAN High Speed - Domestic w/UE1
G104 (1 of 2)