GM Service Manual Online
For 1990-2009 cars only
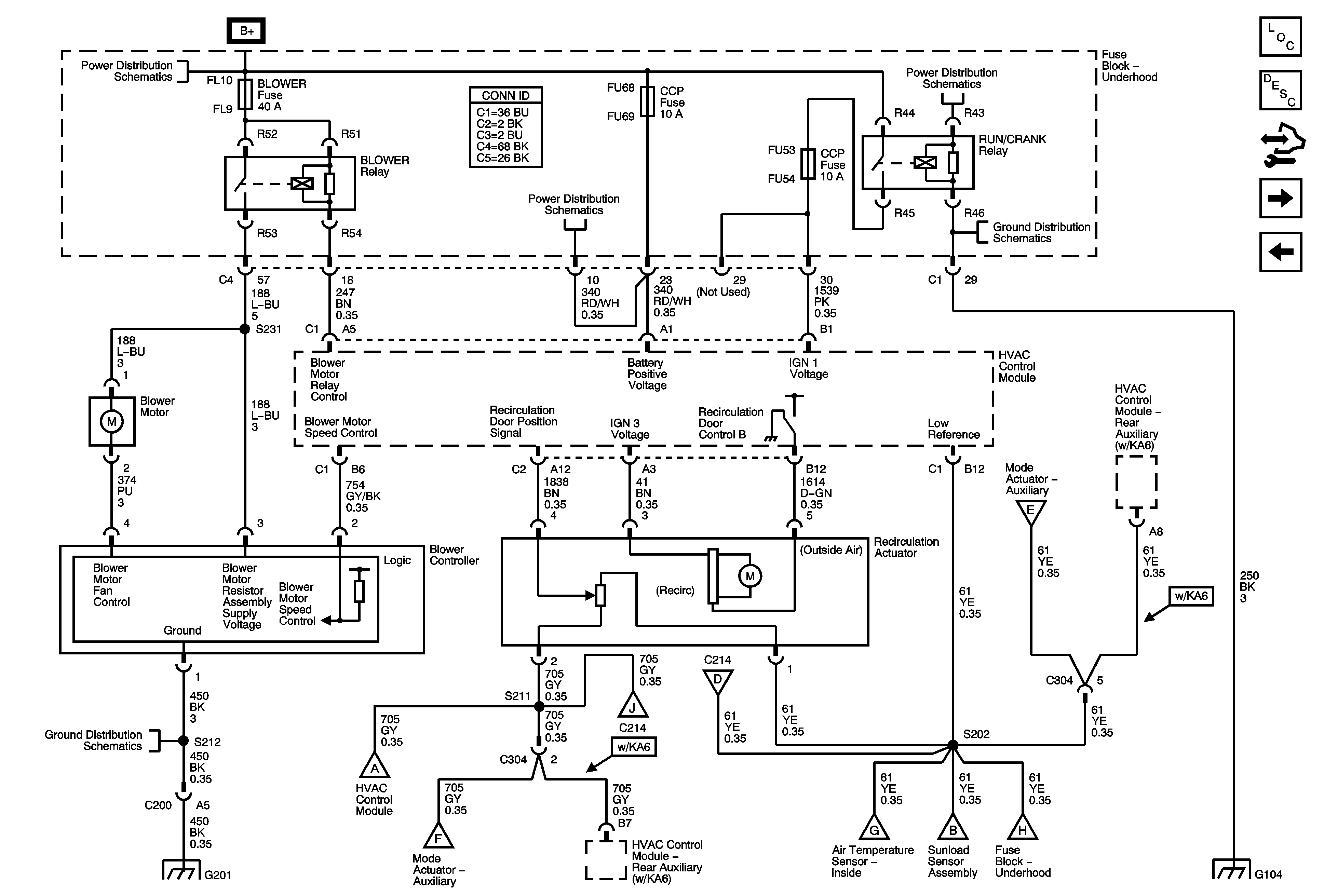
Figure 1:

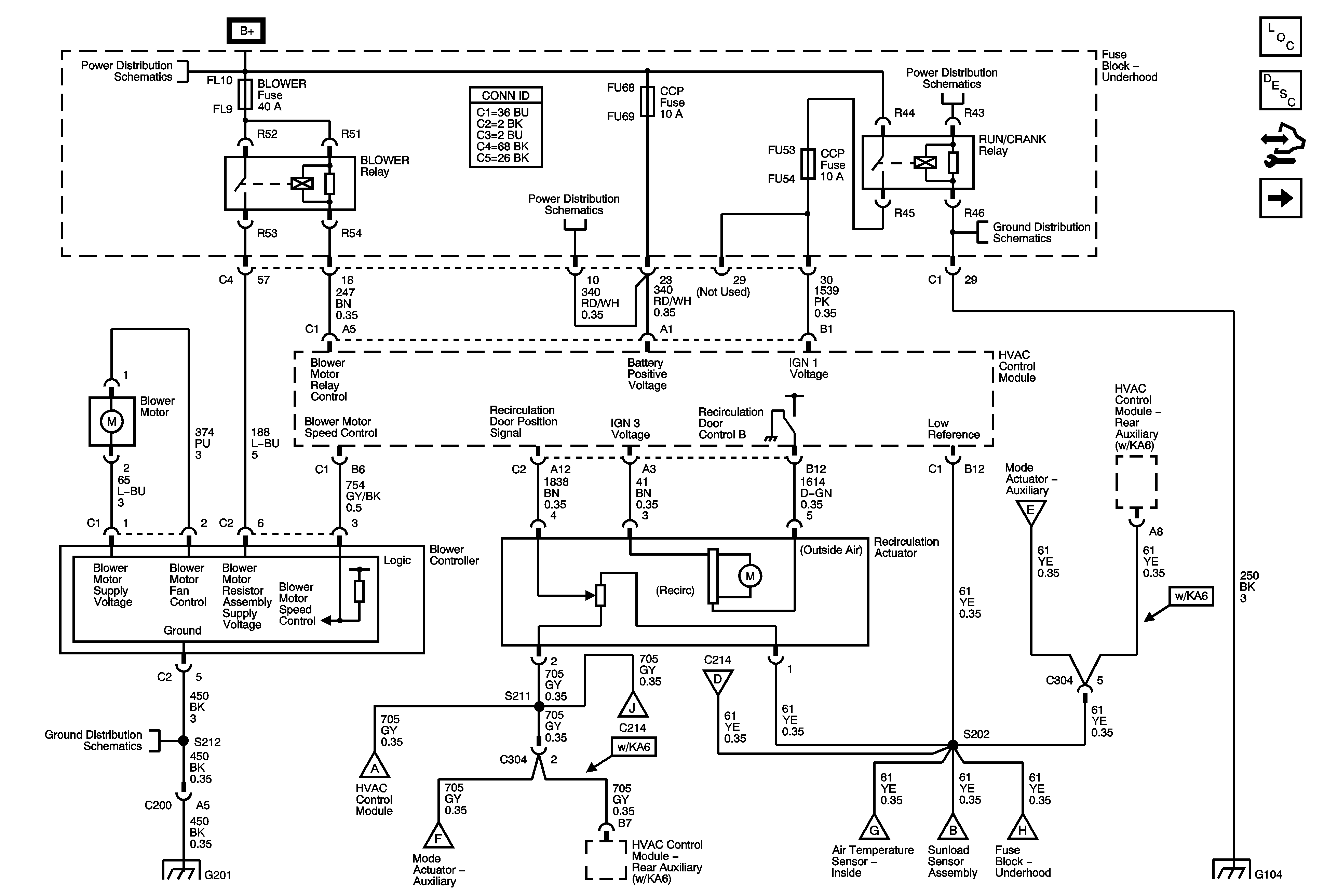
Power, Ground, Blower Motor, Recirculation Actuator (LHD)


Object Number: 1820105  Size: FS
Master Electrical Component List
Air Temperature Description and Operation
Control Module References
Power, Ground, Blower Motor, Recirculation Actuator (RHD)
Fuse Block - Underhood Fuses/Relays: IPM/ALDL, Auto Headlamp Dimming, CCP, ECM/TCM, WPR MOD, WPR SW/VICS and Rain Sensor/HDLP Wash Fuses; ACC Relay
Fuse Block - Underhood Fuses/Relays: IPM/ALDL, Auto Headlamp Dimming, CCP, ECM/TCM, WPR MOD, WPR SW/VICS and Rain Sensor/HDLP Wash Fuses; ACC Relay
Fuse Block - Right Rear - Lt Turn Signal, RIM 1, Rear Fog Lamp, Ft Pass Door Module, Htd Stg Clm, IGN 1, RIM 2 and Airbag Fuses, Rear Fog Lamp and Ign 1 Relays
G104 (1 of 2)
G201 (1 of 2)
G201 (1 of 2)
Air Delivery, EVAP Temperature Sensor, Rear Passenger Air Temperature Actuator
Air Delivery, EVAP Temperature Sensor, Rear Passenger Air Temperature Actuator
Air Delivery, EVAP Temperature Sensor, Rear Passenger Air Temperature Actuator
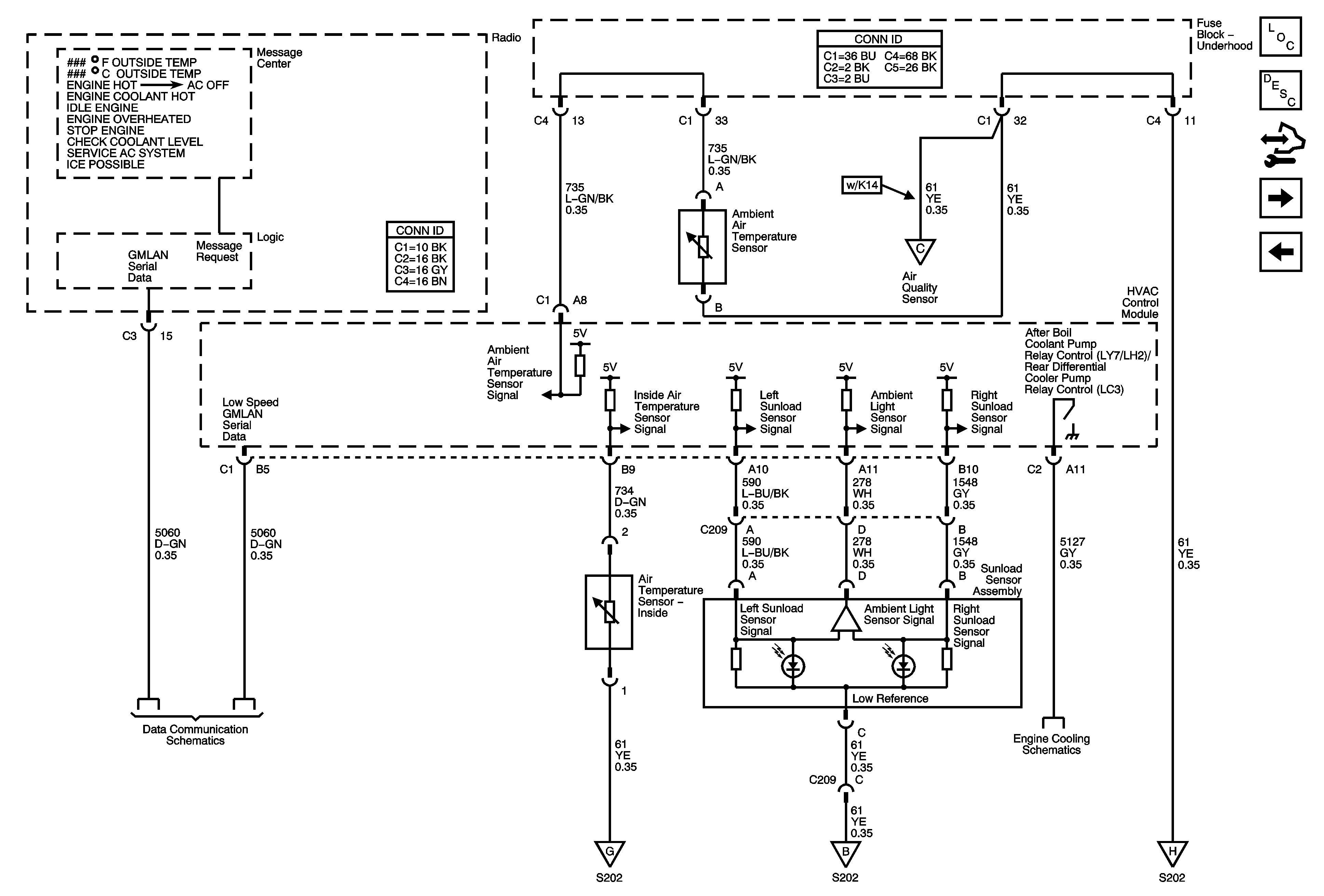
DLC, Temperature Controls, Sunload Sensor
DLC, Temperature Controls, Sunload Sensor
DLC, Temperature Controls, Sunload Sensor
G104 (1 of 2)
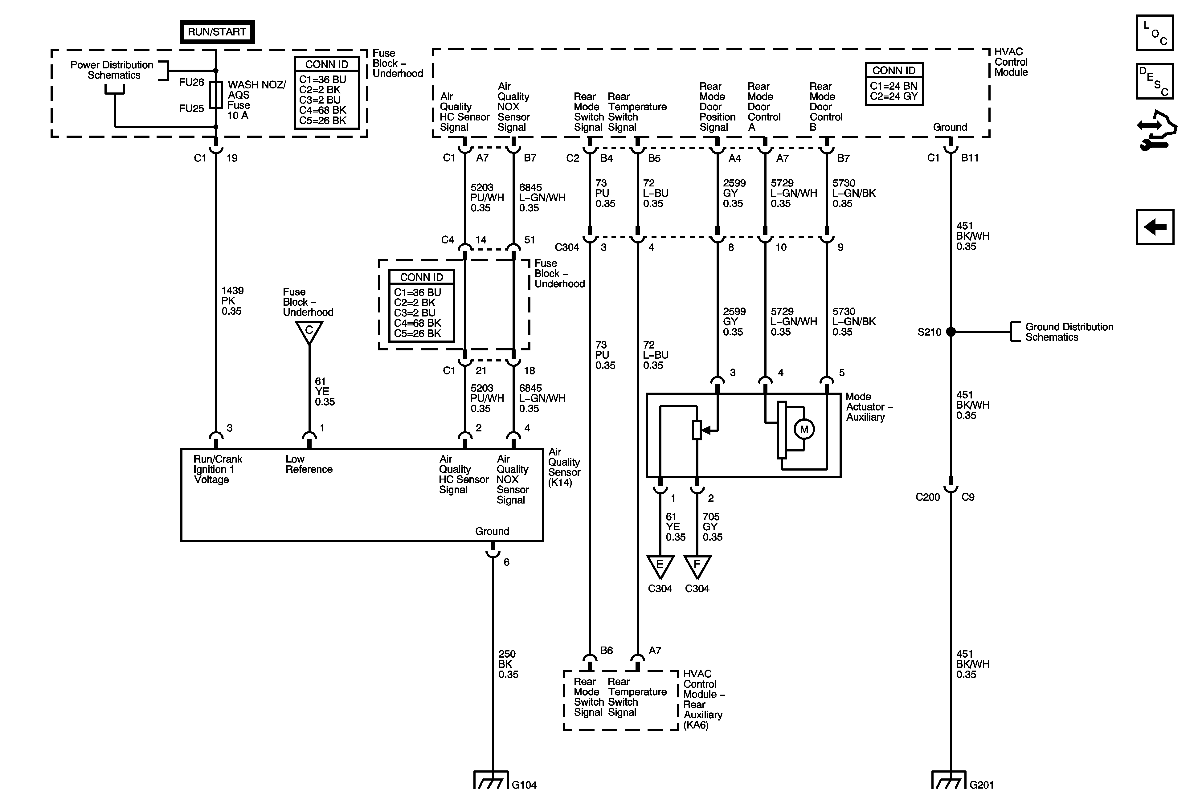
Air Quality Sensor, Rear Mode Motor
Air Quality Sensor, Rear Mode Motor
Figure 2:

Power, Ground, Blower Motor, Recirculation Actuator (RHD)


Object Number: 1836021  Size: FS
Master Electrical Component List
Air Temperature Description and Operation
Control Module References
Air Delivery, EVAP Temperature Sensor, Rear Passenger Air Temperature Actuator
Power, Ground, Blower Motor, Recirculation Actuator (LHD)
Fuse Block - Underhood Fuses/Relays: IPM/ALDL, Auto Headlamp Dimming, CCP, ECM/TCM, WPR MOD, WPR SW/VICS and Rain Sensor/HDLP Wash Fuses; ACC Relay
Fuse Block - Underhood Fuses/Relays: IPM/ALDL, Auto Headlamp Dimming, CCP, ECM/TCM, WPR MOD, WPR SW/VICS and Rain Sensor/HDLP Wash Fuses; ACC Relay
Fuse Block - Right Rear - Lt Turn Signal, RIM 1, Rear Fog Lamp, Ft Pass Door Module, Htd Stg Clm, IGN 1, RIM 2 and Airbag Fuses, Rear Fog Lamp and Ign 1 Relays
G104 (1 of 2)
G201 (1 of 2)
G201 (1 of 2)
Air Delivery, EVAP Temperature Sensor, Rear Passenger Air Temperature Actuator
Air Delivery, EVAP Temperature Sensor, Rear Passenger Air Temperature Actuator
Air Delivery, EVAP Temperature Sensor, Rear Passenger Air Temperature Actuator
DLC, Temperature Controls, Sunload Sensor
DLC, Temperature Controls, Sunload Sensor
DLC, Temperature Controls, Sunload Sensor
G104 (1 of 2)
Air Quality Sensor, Rear Mode Motor
Air Quality Sensor, Rear Mode Motor
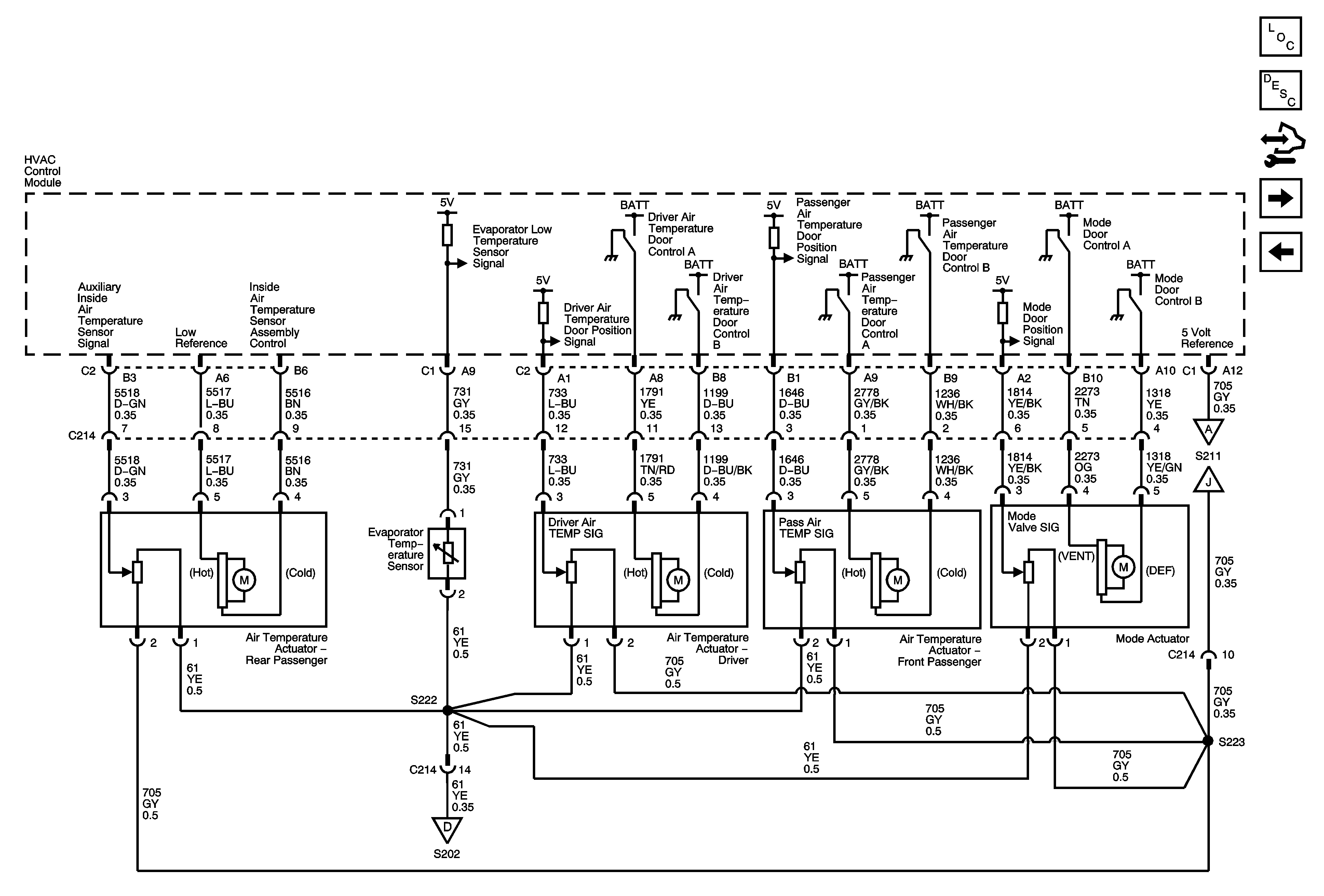
Figure 3:

Air Delivery, EVAP Temperature Sensor, Rear Passenger Air Temperature Actuator


Object Number: 1820111  Size: FS
Master Electrical Component List
Air Temperature Description and Operation
Control Module References
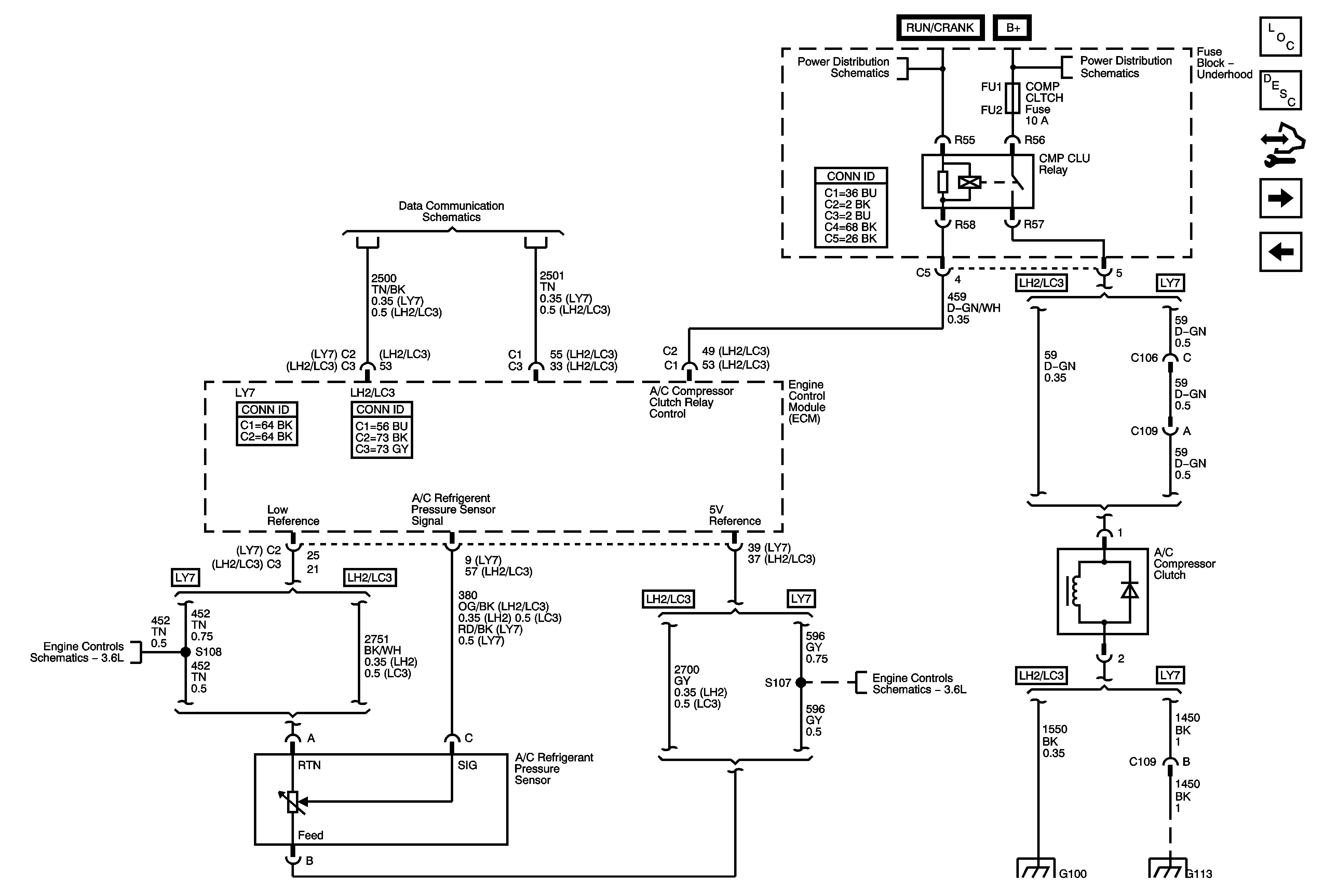
A/C Refrigerant Pressure Sensor and Compressor Clutch
Power, Ground, Blower Motor, Recirculation Actuator (RHD)
Power, Ground, Blower Motor, Recirculation Actuator (LHD)
Power, Ground, Blower Motor, Recirculation Actuator (LHD)
Power, Ground, Blower Motor, Recirculation Actuator (LHD)
Figure 4:

A/C Refrigerant Pressure Sensor


Object Number: 1820120  Size: FS
Master Electrical Component List
Air Temperature Description and Operation
Control Module References
DLC, Temperature Controls, Sunload Sensor
Air Delivery, EVAP Temperature Sensor, Rear Passenger Air Temperature Actuator
Fuse Block - Right Rear - Lt Turn Signal, RIM 1, Rear Fog Lamp, Ft Pass Door Module, Htd Stg Clm, IGN 1, RIM 2 and Airbag Fuses, Rear Fog Lamp and Ign 1 Relays
Fuse Block Underhood Wiring Bussing
GM LAN - High Speed, Domestic w/ UE1
Engine Data Sensors - Low Reference Bus
Engine Data Sensors - 5-Volt Reference Bus
G100 (LH2/LC3)
G107 (LH2/LC3), G113 (LY7)
Figure 5:

DLC, Temperature Controls, Sunload Sensor


Object Number: 1820126  Size: FS
Master Electrical Component List
Cooling System Description and Operation
Control Module References
Air Quality Sensor, Rear Mode Motor
A/C Refrigerant Pressure Sensor and Compressor Clutch
GM LAN - Low Speed 2 of 2
Power, Ground, Blower Motor, Recirculation Actuator (LHD)
Power, Ground, Blower Motor, Recirculation Actuator (LHD)
Coolant Level Switch (RHD) After Boil Coolant Pump (RHD LH2 w/ V92/V03)
Power, Ground, Blower Motor, Recirculation Actuator (LHD)
Air Quality Sensor, Rear Mode Motor
Figure 6:

Air Quality Sensor, Rear Mode Motor


Object Number: 1820133  Size: FS
Master Electrical Component List
Air Temperature Description and Operation
Control Module References
DLC, Temperature Controls, Sunload Sensor
Fuse Block - Underhood: Starter, RUN/CRANK Relays; Starter, Starter Relay, CCP, TCM/IPM/ECM, MAF, ABS and Washer Nozzle/ACC Fuses
DLC, Temperature Controls, Sunload Sensor
G201 (2 of 2)
Power, Ground, Blower Motor, Recirculation Actuator (LHD)
Power, Ground, Blower Motor, Recirculation Actuator (LHD)
G104 (2 of 2)
G201 (2 of 2)