GM Service Manual Online
For 1990-2009 cars only
Makes
🢒
Cadillac
🢒
2007
🢒
STS
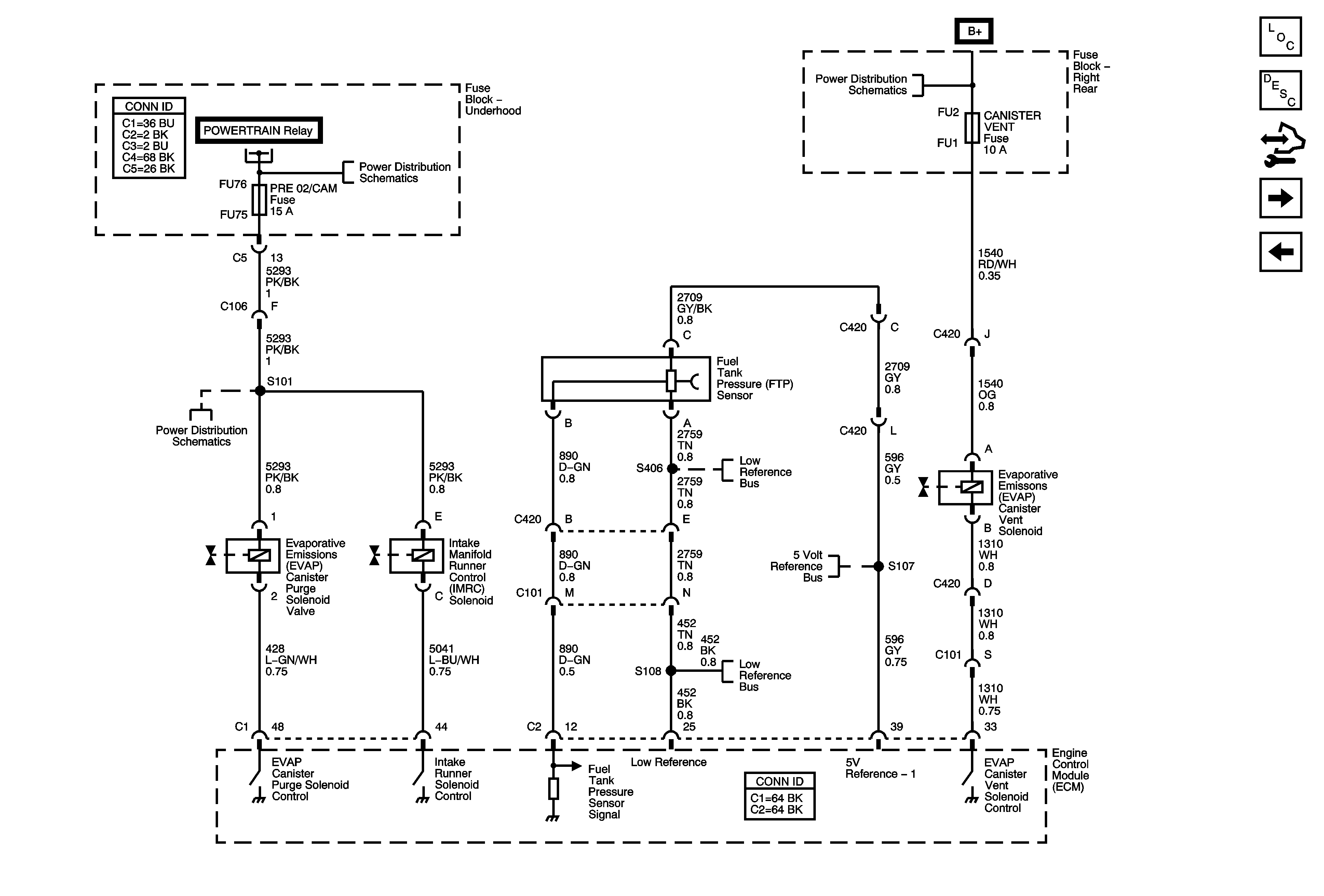
🢒 Fuel Controls - EVAP Controls
Fuel Controls - EVAP Controls
Fuel Controls - EVAP Controls
Master Electrical Component List
Engine Control Module Description
Control Module References
Controlled/Monitored Subsystem References
Fuel Controls - Fuel Pump and Injectors
Fuse Block - Underhood: Main, Low Speed, Hi Speed, and S/P Fan Relays, V8 ECM, PRE O2/CAM, HFV6 ECM, Low Speed Fan, Hi Speed Fan Fuses
Fuse Block - Right Rear Bussing
Fuse Block - Underhood: Main, Low Speed, Hi Speed, and S/P Fan Relays, V8 ECM, PRE O2/CAM, HFV6 ECM, Low Speed Fan, Hi Speed Fan Fuses
Engine Data Sensors - Low Reference Bus
Engine Data Sensors - 5-Volt Reference Bus
Engine Data Sensors - Low Reference Bus