GM Service Manual Online
For 1990-2009 cars only

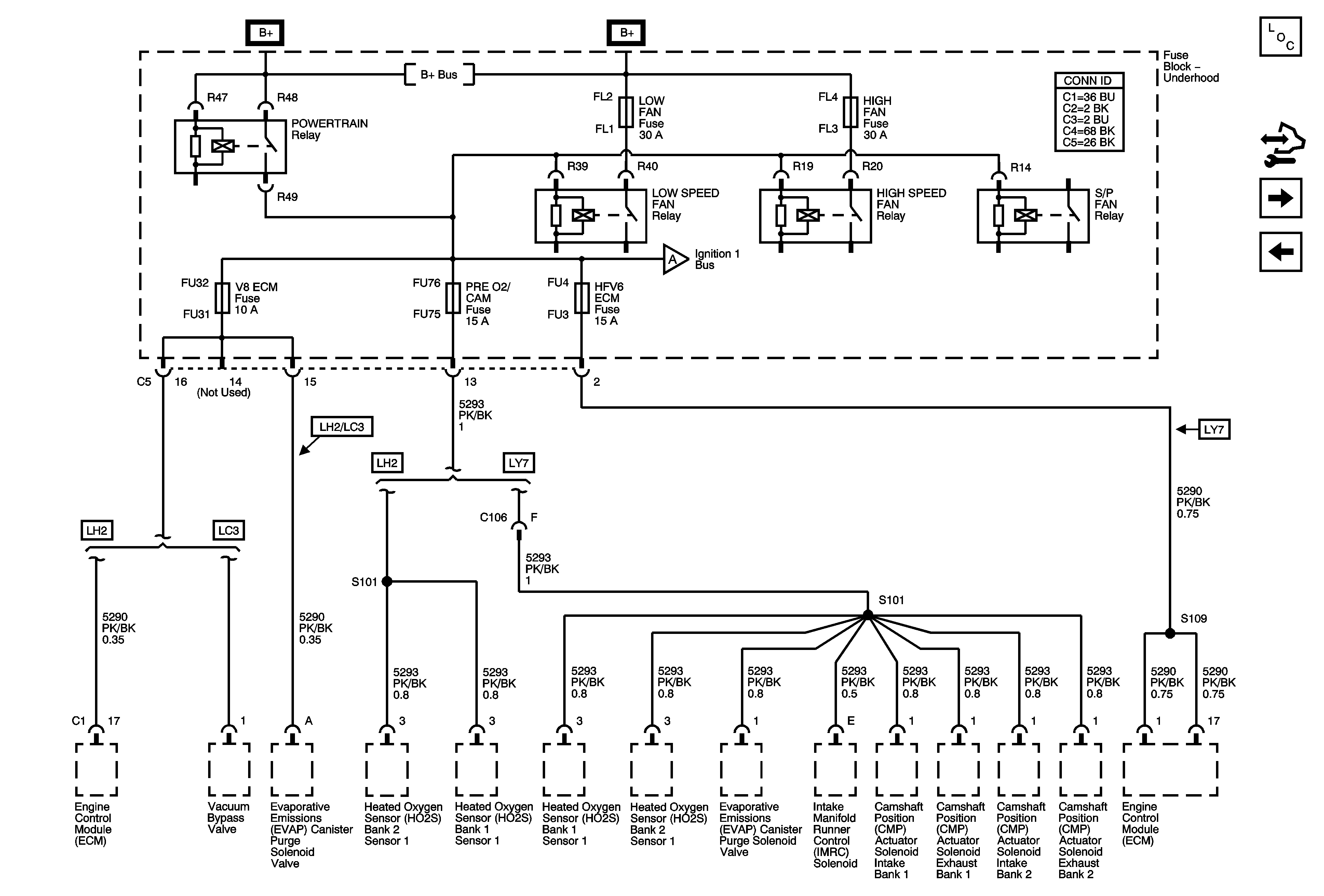
Fuse Block - Underhood: Main, Low Speed, Hi Speed, and S/P Fan Relays, V8 ECM, PRE O2/CAM, HFV6 ECM, Low Speed Fan, Hi Speed Fan Fuses

Fuse Block - Underhood: Main, Low Speed, HI Speed and S/P Fan Relays; V8 ECM, PRE O2/CAM, HFV6 ECM, Low Speed Fan and HI Speed Fan Fuses


Object Number: 1823881  Size: FS
Master Electrical Component List
Control Module References
Fuse Block - Underhood: Odd Inj/Coils, Even Inj/Coils and Post O2 Fuses
Fuse Block - Underhood: HUD, Front Blower, Comp Clutch, Fog Lamp, Horn Fuses, Hdlp Asher Circuit Breaker, Main Relay
Fuse Block - Underhood: Odd Inj/Coils, Even Inj/Coils and Post O2 Fuses
Fuse Block Underhood Wiring Bussing