GM Service Manual Online
For 1990-2009 cars only
Makes
🢒
Cadillac
🢒
2007
🢒
STS
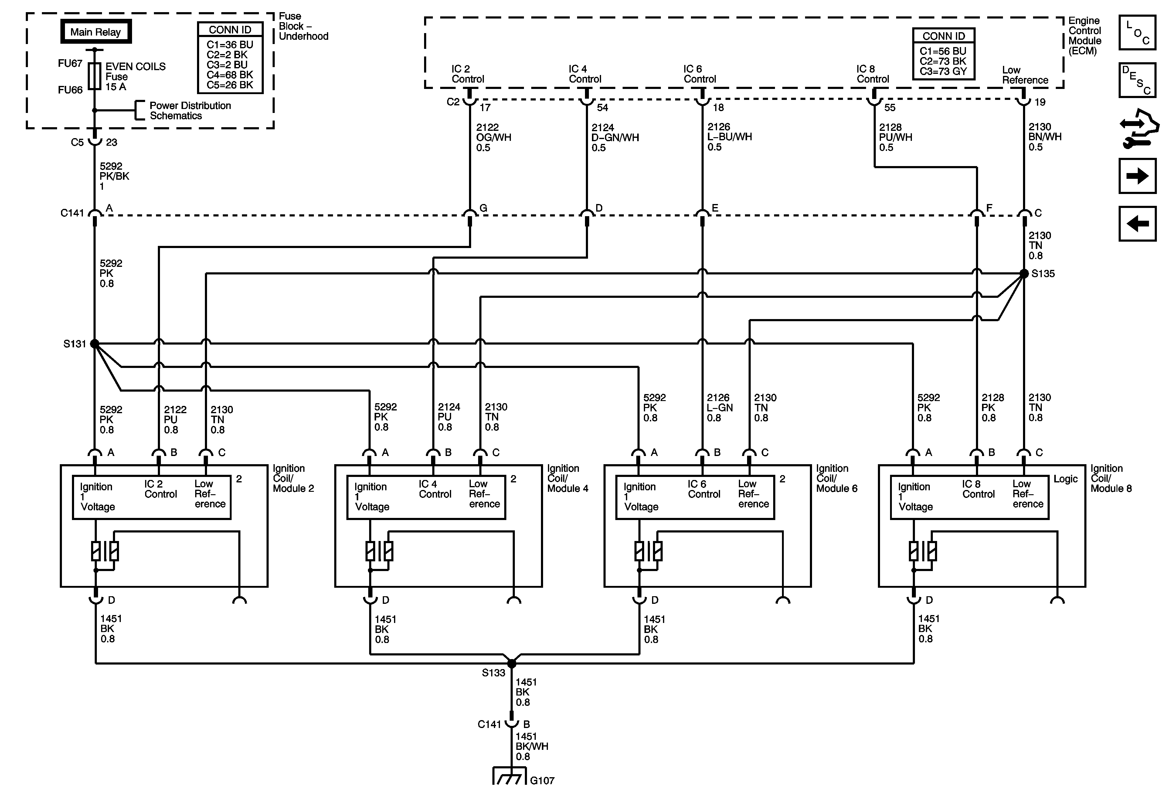
🢒 Ignition Controls - Ignition System Bank 2
Ignition Controls - Ignition System Bank 2
Ignition Controls - Ignition System Bank 2
Master Electrical Component List
Engine Control Module Description
Control Module References
Ignition Controls - CMP Sensors and Solenoids
Ignition Controls - Ignition System Bank 1
Fuse Block - Underhood: Odd Inj/Coils, Even Inj/Coils and Post O2 Fuses
G107 (LH2/LC3), G113 (LY7)