GM Service Manual Online
For 1990-2009 cars only
Makes
🢒
Cadillac
🢒
2007
🢒
STS
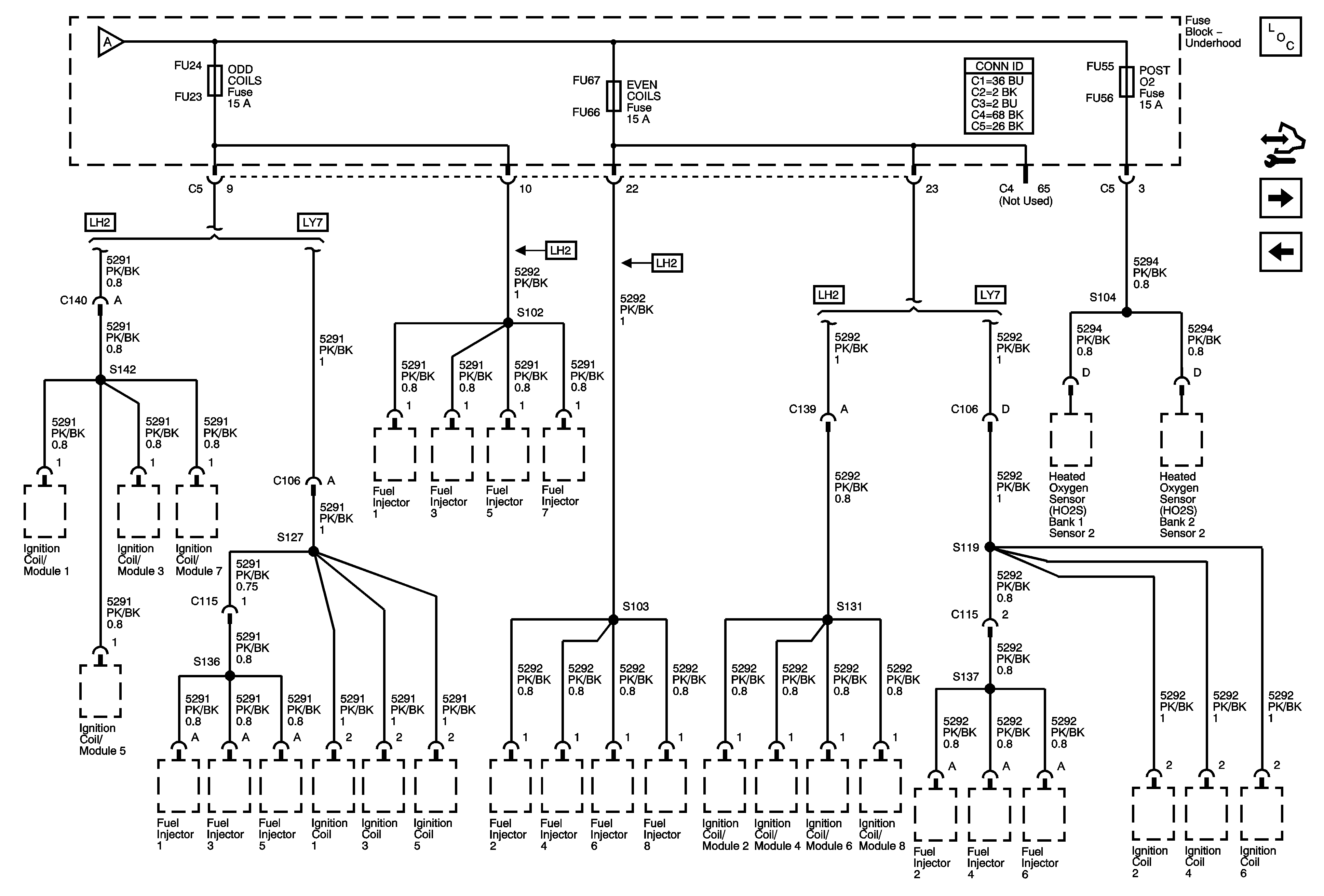
🢒 Fuse Block - Underhood: Odd Inj/Coils, Even Inj/Coils and Post O2 Fuses
Fuse Block - Underhood: Odd Inj/Coils, Even Inj/Coils and Post O2 Fuses
Fuse Block - Underhood: ODD INJ/COILS, EVEN INJ/COILS and POST O2 FUSES
Master Electrical Component List
Control Module References
Fuse Block - Left Rear: TV/VICS, ELC SOL, ESC Module, DVR DR Module, Rear Door Module, Theft Shifter and Amp Fuses
Fuse Block - Underhood: Main, Low Speed, Hi Speed, and S/P Fan Relays, V8 ECM, PRE O2/CAM, HFV6 ECM, Low Speed Fan, Hi Speed Fan Fuses
Fuse Block - Underhood: Main, Low Speed, Hi Speed, and S/P Fan Relays, V8 ECM, PRE O2/CAM, HFV6 ECM, Low Speed Fan, Hi Speed Fan Fuses