GM Service Manual Online
For 1990-2009 cars only
Makes
🢒
Cadillac
🢒
2007
🢒
STS
🢒 Power, Grounds, ECM, IPM
Power, Grounds, ECM, IPM
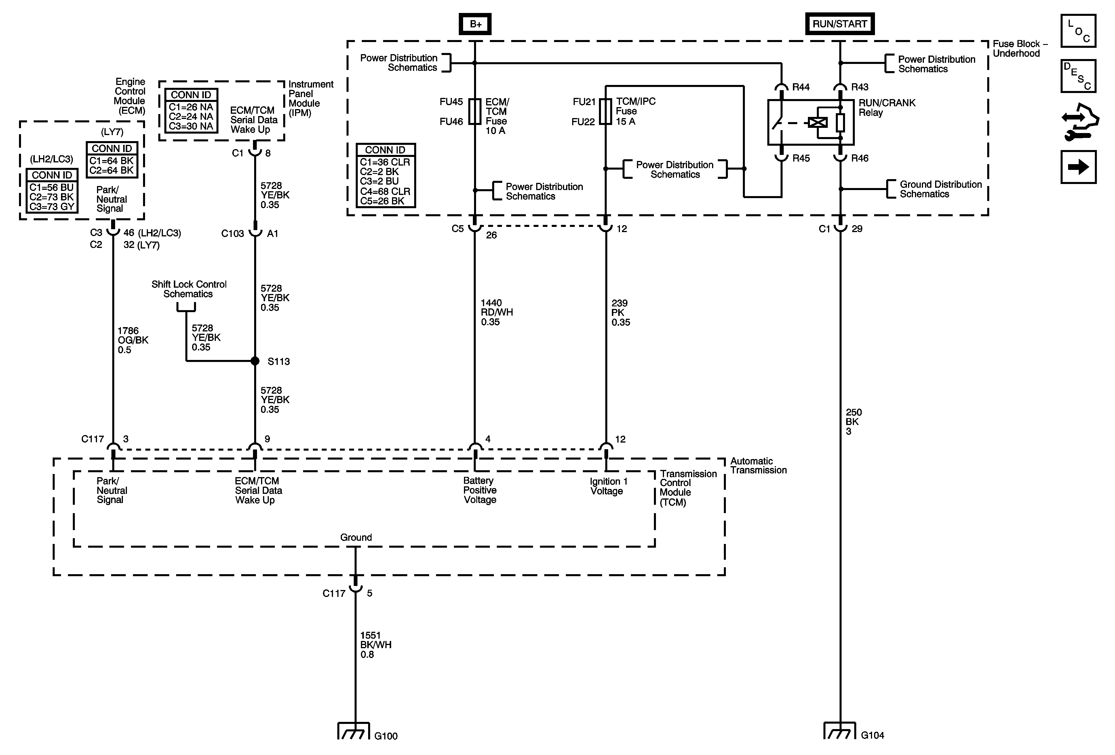
TCM Power, Grounds, ECM, IPM
Master Electrical Component List
Electronic Component Description
Control Module References
ECM, EBCM
Automatic Transmission Shift Lock Control Schematics
Fuse Block Underhood Wiring Bussing
Fuse Block - Underhood Fuses/Relays: IPM/ALDL, Auto Headlamp Dimming, CCP, ECM/TCM, WPR MOD, WPR SW/VICS and Rain Sensor/HDLP Wash Fuses; ACC Relay
Fuse Block - Underhood: Starter, RUN/CRANK Relays; Starter, Starter Relay, CCP, TCM/IPM/ECM, MAF, ABS and Washer Nozzle/ACC Fuses
Fuse Block - Right Rear - Lt Turn Signal, RIM 1, Rear Fog Lamp, Ft Pass Door Module, Htd Stg Clm, IGN 1, RIM 2 and Airbag Fuses, Rear Fog Lamp and Ign 1 Relays
G104 (1 of 2)
G100 (LH2/LC3)
G104 (1 of 2)