GM Service Manual Online
For 1990-2009 cars only
Makes
🢒
Cadillac
🢒
2007
🢒
STS
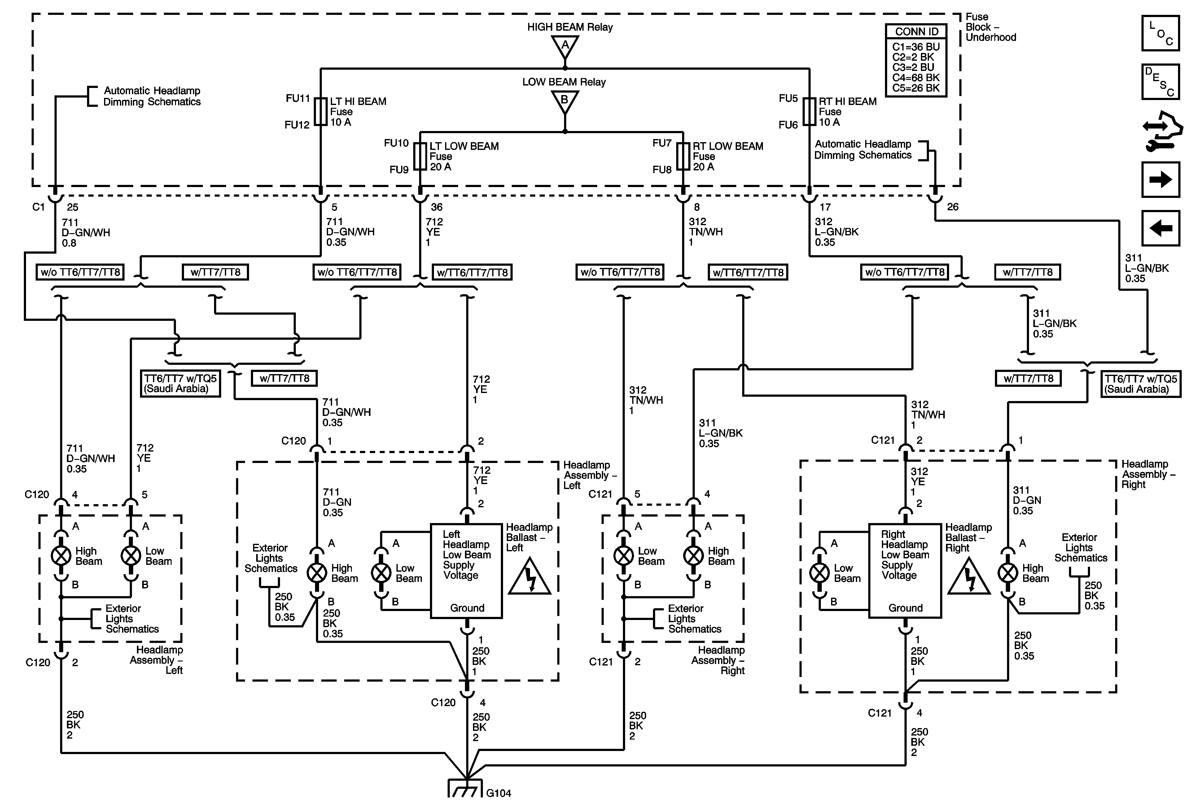
🢒 Power, Ground, Headlamps w/ TT7/TT8 and w/o TT7 and TT8
Power, Ground, Headlamps w/ TT7/TT8 and w/o TT7 and TT8
Power, Ground, Headlamps w/TT7/TT8 and w/o TT7/TT8
Master Electrical Component List
Exterior Lighting Systems Description and Operation
Control Module References
Automatic Headlamp Dimming Relay w/ TT6, Headlamps w/ TT6
Headlamp Switch, Ambient Light Sensor, DLC
Automatic Headlamp Dimming Relay w/ TT6, Headlamps w/ TT6
Headlamp Switch, Ambient Light Sensor, DLC
Headlamp Switch, Ambient Light Sensor, DLC
Automatic Headlamp Dimming Relay w/ TT6, Headlamps w/ TT6
Front Park Lamps, Rear Turn Signal Switch Signal, LT, RT Position and Standing Lamp Relay - Export
Front Park Lamps, Rear Turn Signal Switch Signal, LT, RT Position and Standing Lamp Relay - Export
G104 (1 of 2)
License, Park and Side Marker Lamps - Domestic
Front Park Lamps, Rear Turn Signal Switch Signal, LT, RT Position and Standing Lamp Relay - Export