GM Service Manual Online
For 1990-2009 cars only
Makes
🢒
Cadillac
🢒
2007
🢒
STS
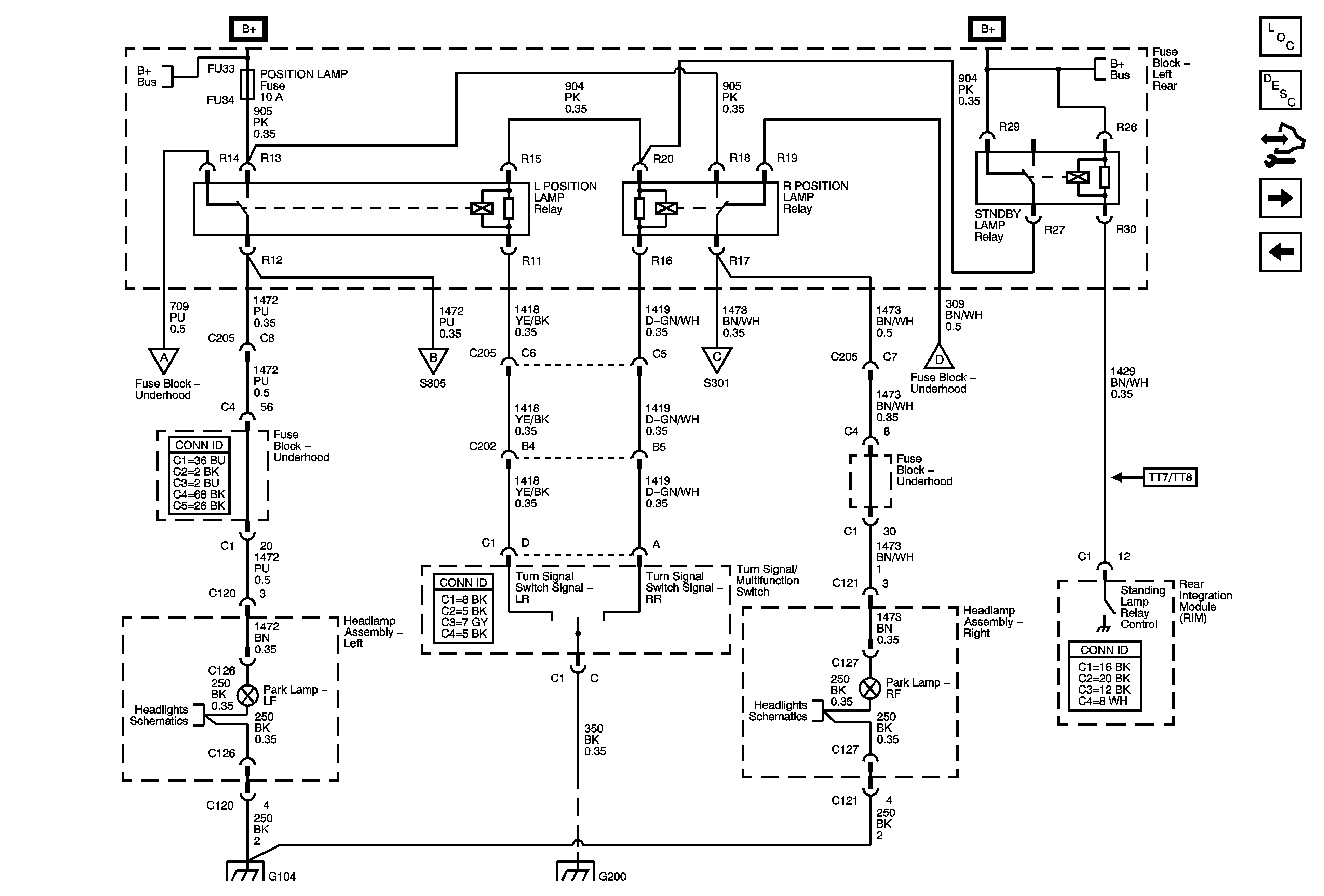
🢒 Front Park Lamps, Rear Turn Signal Switch Signal, LT, RT Position and Standing Lamp Relay - Export
Front Park Lamps, Rear Turn Signal Switch Signal, LT, RT Position and Standing Lamp Relay - Export
Front Park Lamps, Rear Turn Signal SW Signal, LT, RT Position and Standing Lamp Relays - Export
Master Electrical Component List
Exterior Lighting Systems Description and Operation
Control Module References
Tail Lamps - Export
Front Turn Signal and Repeater Lamps, Hazard Switch - Domestic and Export
Fuse Block - Left Rear Bussing
Park Lamp Relay, Switch and Instrument Cluster - Export
Power, Ground, Headlamps w/ TT7/TT8 and w/o TT7 and TT8
G104 (1 of 2)
Tail Lamps - Export
Tail Lamps - Export
Power, Ground, Headlamps w/ TT7/TT8 and w/o TT7 and TT8
G200 (2 of 2)
Park Lamp Relay, Switch and Instrument Cluster - Export
Fuse Block - Left Rear Bussing