GM Service Manual Online
For 1990-2009 cars only
Makes
🢒
Cadillac
🢒
2007
🢒
STS
🢒 Power, DLC, and DIC/Dimmer Switch
Power, DLC, and DIC/Dimmer Switch
Power, DLC and DIC/Dimmer Switch
Master Electrical Component List
Exterior Lighting Systems Description and Operation
Control Module References
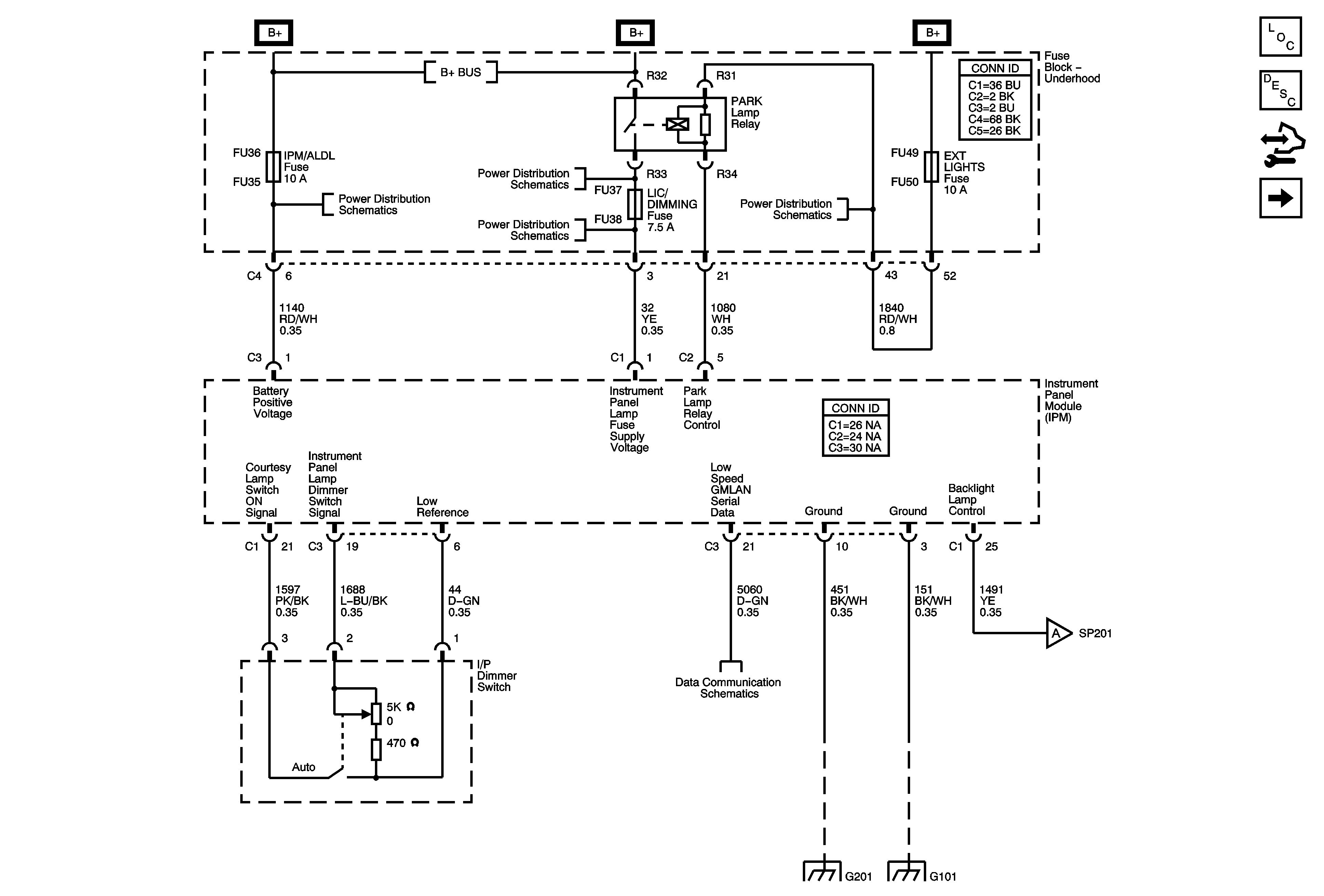
Dimming 1 of 3
Fuse Block Underhood Wiring Bussing
Fuse Block - Underhood Fuses/Relays: IPM/ALDL, Auto Headlamp Dimming, CCP, ECM/TCM, WPR MOD, WPR SW/VICS and Rain Sensor/HDLP Wash Fuses; ACC Relay
Fuse Block - Underhood Relay/Fuses: Park Lamp Relay, Rt Park Fuses, Tilt/Lk/LMP/CLM Relay Coils Fuse
Fuse Block - Underhood Fuses: LT PARK Fuse, License/Dimming Fuse
Fuse Block - Underhood Relay/Fuses: Park Lamp Relay, Rt Park Fuses, Tilt/Lk/LMP/CLM Relay Coils Fuse
GM LAN - Low Speed 2 of 2
Dimming 1 of 3
G201 (2 of 2)
G101